Linear Bushing
Linear Bushing
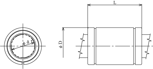
Cylindrical (Standard) Model LM
LM

| Model No. | Main dimensions | Basic load rating | |||||||
| Inscribed bore diameter | Outer diameter | Length | Dynamic rating | Static rating | |||||
| dr | Tolerance | D | Tolerance | L | Tolerance | C | C0 | ||
| Precision | High | Precision/High | |||||||
| mm | mm | mm | mm | mm | mm | mm | N | N | |
| LM 3 | 3 | 0 | 0 | 7 | 0 | 10 | 0 | 88.2 | 108 |
| –0.005 | –0.008 | –0.009 | –0.12 | ||||||
| LM 4 | 4 | 0 | 0 | 8 | 0 | 12 | 0 | 88.2 | 127 |
| –0.005 | –0.008 | –0.009 | –0.12 | ||||||
| LM 5 | 5 | 0 | 0 | 10 | 0 | 15 | 0 | 167 | 206 |
| –0.005 | –0.008 | –0.009 | –0.12 | ||||||
| LM 6 | 6 | 0 | 0 | 12 | 0 | 19 | 0 | 206 | 265 |
| –0.006 | –0.009 | –0.011 | –0.2 | ||||||
| LM 8S | 8 | 0 | 0 | 15 | 0 | 17 | 0 | 176 | 225 |
| –0.006 | –0.009 | –0.011 | –0.2 | ||||||
| LM 8 | 8 | 0 | 0 | 15 | 0 | 24 | 0 | 265 | 402 |
| –0.006 | –0.009 | –0.011 | –0.2 | ||||||
| LM 10 | 10 | 0 | 0 | 19 | 0 | 29 | 0 | 373 | 549 |
| –0.006 | –0.009 | –0.013 | –0.2 | ||||||
| LM 12 | 12 | 0 | 0 | 21 | 0 | 30 | 0 | 412 | 598 |
| –0.006 | –0.009 | –0.013 | –0.2 | ||||||
| LM 13 | 13 | 0 | 0 | 23 | 0 | 32 | 0 | 510 | 775 |
| –0.006 | –0.009 | –0.013 | –0.2 | ||||||
| LM 16 | 16 | 0 | 0 | 28 | 0 | 37 | 0 | 775 | 1180 |
| –0.006 | –0.009 | –0.013 | –0.2 | ||||||
| LM 20 | 20 | 0 | 0 | 32 | 0 | 42 | 0 | 863 | 1370 |
| –0.007 | –0.010 | –0.016 | –0.2 | ||||||
| LM 25 | 25 | 0 | 0 | 40 | 0 | 59 | 0 | 980 | 1570 |
| –0.007 | –0.010 | –0.016 | –0.3 | ||||||
| LM 30 | 30 | 0 | 0 | 45 | 0 | 64 | 0 | 1570 | 2750 |
| –0.007 | –0.010 | –0.016 | –0.3 | ||||||
| LM 35 | 35 | 0 | 0 | 52 | 0 | 70 | 0 | 1670 | 3140 |
| –0.008 | –0.012 | –0.019 | –0.3 | ||||||
| LM 40 | 40 | 0 | 0 | 60 | 0 | 80 | 0 | 2160 | 4020 |
| –0.008 | –0.012 | –0.019 | –0.3 | ||||||
| LM 50 | 50 | 0 | 0 | 80 | 0 | 100 | 0 | 3820 | 7940 |
| –0.008 | –0.012 | –0.022 | –0.3 | ||||||
| LM 60 | 60 | 0 | 0 | 90 | 0 | 110 | 0 | 4710 | 10000 |
| –0.009 | –0.015 | –0.022 | –0.3 | ||||||
LM-AJ

| Model No. | Main dimensions | Basic load rating | |||||||
| Inscribed bore diameter | Outer diameter | Length | Dynamic rating | Static rating | |||||
| dr | Tolerance | D | Tolerance | L | Tolerance | C | C0 | ||
| Precision | High | Precision/High | |||||||
| mm | mm | mm | mm | mm | mm | mm | N | N | |
| LM 6-AJ | 6 | 0 | 0 | 12 | 0 | 19 | 0 | 206 | 265 |
| –0.006 | –0.009 | –0.011 | –0.2 | ||||||
| LM 8S-AJ | 8 | 0 | 0 | 15 | 0 | 17 | 0 | 176 | 225 |
| –0.006 | –0.009 | –0.011 | –0.2 | ||||||
| LM 8-AJ | 8 | 0 | 0 | 15 | 0 | 24 | 0 | 265 | 402 |
| –0.006 | –0.009 | –0.011 | –0.2 | ||||||
| LM 10-AJ | 10 | 0 | 0 | 19 | 0 | 29 | 0 | 373 | 549 |
| –0.006 | –0.009 | –0.013 | –0.2 | ||||||
| LM 12-AJ | 12 | 0 | 0 | 21 | 0 | 30 | 0 | 412 | 598 |
| –0.006 | –0.009 | –0.013 | –0.2 | ||||||
| LM 13-AJ | 13 | 0 | 0 | 23 | 0 | 32 | 0 | 510 | 775 |
| –0.006 | –0.009 | –0.013 | –0.2 | ||||||
| LM 16-AJ | 16 | 0 | 0 | 28 | 0 | 37 | 0 | 775 | 1180 |
| –0.006 | –0.009 | –0.013 | –0.2 | ||||||
| LM 20-AJ | 20 | 0 | 0 | 32 | 0 | 42 | 0 | 863 | 1370 |
| –0.007 | –0.010 | –0.016 | –0.2 | ||||||
| LM 25-AJ | 25 | 0 | 0 | 40 | 0 | 59 | 0 | 980 | 1570 |
| –0.007 | –0.010 | –0.016 | –0.3 | ||||||
| LM 30-AJ | 30 | 0 | 0 | 45 | 0 | 64 | 0 | 1570 | 2750 |
| –0.007 | –0.010 | –0.016 | –0.3 | ||||||
| LM 35-AJ | 35 | 0 | 0 | 52 | 0 | 70 | 0 | 1670 | 3140 |
| –0.008 | –0.012 | –0.019 | –0.3 | ||||||
| LM 40-AJ | 40 | 0 | 0 | 60 | 0 | 80 | 0 | 2160 | 4020 |
| –0.008 | –0.012 | –0.019 | –0.3 | ||||||
| LM 50-AJ | 50 | 0 | 0 | 80 | 0 | 100 | 0 | 3820 | 7940 |
| –0.008 | –0.012 | –0.022 | –0.3 | ||||||
| LM 60-AJ | 60 | 0 | 0 | 90 | 0 | 110 | 0 | 4710 | 10000 |
| –0.009 | –0.015 | –0.022 | –0.3 | ||||||
LM-OP

| Model No. | Main dimensions | Basic load rating | |||||||
| Inscribed bore diameter | Outer diameter | Length | Dynamic rating | Static rating | |||||
| dr | Tolerance | D | Tolerance | L | Tolerance | C | C0 | ||
| Precision | High | Precision/High | |||||||
| mm | mm | mm | mm | mm | mm | mm | N | N | |
| LM 13-OP | 13 | 0 | 0 | 23 | 0 | 32 | 0 | 510 | 775 |
| –0.006 | –0.009 | –0.013 | –0.2 | ||||||
| LM 16-OP | 16 | 0 | 0 | 28 | 0 | 37 | 0 | 775 | 1180 |
| –0.006 | –0.009 | –0.013 | –0.2 | ||||||
| LM 20-OP | 20 | 0 | 0 | 32 | 0 | 42 | 0 | 863 | 1370 |
| –0.007 | –0.010 | –0.016 | –0.2 | ||||||
| LM 25-OP | 25 | 0 | 0 | 40 | 0 | 59 | 0 | 980 | 1570 |
| –0.007 | –0.010 | –0.016 | –0.3 | ||||||
| LM 30-OP | 30 | 0 | 0 | 45 | 0 | 64 | 0 | 1570 | 2750 |
| –0.007 | –0.010 | –0.016 | –0.3 | ||||||
| LM 35-OP | 35 | 0 | 0 | 52 | 0 | 70 | 0 | 1670 | 3140 |
| –0.008 | –0.012 | –0.019 | –0.3 | ||||||
| LM 40-OP | 40 | 0 | 0 | 60 | 0 | 80 | 0 | 2160 | 4020 |
| –0.008 | –0.012 | –0.019 | –0.3 | ||||||
| LM 50-OP | 50 | 0 | 0 | 80 | 0 | 100 | 0 | 3820 | 7940 |
| –0.008 | –0.012 | –0.022 | –0.3 | ||||||
| LM 60-OP | 60 | 0 | 0 | 90 | 0 | 110 | 0 | 4710 | 10000 |
| –0.009 | –0.015 | –0.022 | –0.3 | ||||||
LM-GA

| Model No. | Main dimensions | Basic load rating | |||||||
| Inscribed bore diameter | Outer diameter | Length | Dynamic rating | Static rating | |||||
| dr | Tolerance | D | Tolerance | L | Tolerance | C | C0 | ||
| Precision | High | Precision/High | |||||||
| mm | mm | mm | mm | mm | mm | mm | N | N | |
| LM 6GA | 6 | 0 | 0 | 12 | 0 | 19 | 0 | 206 | 265 |
| –0.006 | –0.009 | –0.011 | –0.2 | ||||||
| LM 8SGA | 8 | 0 | 0 | 15 | 0 | 17 | 0 | 176 | 225 |
| –0.006 | –0.009 | –0.011 | –0.2 | ||||||
| LM 8GA | 8 | 0 | 0 | 15 | 0 | 24 | 0 | 265 | 402 |
| –0.006 | –0.009 | –0.011 | –0.2 | ||||||
| LM 10GA | 10 | 0 | 0 | 19 | 0 | 29 | 0 | 373 | 549 |
| –0.006 | –0.009 | –0.013 | –0.2 | ||||||
| LM 12GA | 12 | 0 | 0 | 21 | 0 | 30 | 0 | 412 | 598 |
| –0.006 | –0.009 | –0.013 | –0.2 | ||||||
| LM 13GA | 13 | 0 | 0 | 23 | 0 | 32 | 0 | 510 | 775 |
| –0.006 | –0.009 | –0.013 | –0.2 | ||||||
| LM 16GA | 16 | 0 | 0 | 28 | 0 | 37 | 0 | 775 | 1180 |
| –0.006 | –0.009 | –0.013 | –0.2 | ||||||
| LM 20GA | 20 | 0 | 0 | 32 | 0 | 42 | 0 | 863 | 1370 |
| –0.007 | –0.010 | –0.016 | –0.2 | ||||||
| LM 25GA | 25 | 0 | 0 | 40 | 0 | 59 | 0 | 980 | 1570 |
| –0.007 | –0.010 | –0.016 | –0.3 | ||||||
| LM 30GA | 30 | 0 | 0 | 45 | 0 | 64 | 0 | 1570 | 2750 |
| –0.007 | –0.010 | –0.016 | –0.3 | ||||||
| LM 35GA | 35 | 0 | 0 | 52 | 0 | 70 | 0 | 1670 | 3140 |
| –0.008 | –0.012 | –0.019 | –0.3 | ||||||
| LM 38GA | 38 | 0 | 0 | 57 | 0 | 76 | 0 | 2160 | 4020 |
| –0.008 | –0.012 | –0.019 | –0.3 | ||||||
| LM 40GA | 40 | 0 | 0 | 60 | 0 | 80 | 0 | 2160 | 4020 |
| –0.008 | –0.012 | –0.019 | –0.3 | ||||||
| LM 50GA | 50 | 0 | 0 | 80 | 0 | 100 | 0 | 3820 | 7940 |
| –0.008 | –0.012 | –0.022 | –0.3 | ||||||
| LM 60GA | 60 | 0 | 0 | 90 | 0 | 110 | 0 | 4710 | 10000 |
| –0.009 | –0.015 | –0.022 | –0.3 | ||||||
| LM 80GA | 80 | 0 | 0 | 120 | 0 | 140 | 0 | 7350 | 16000 |
| –0.009 | –0.015 | –0.022 | –0.4 | ||||||
| LM 100GA | 100 | 0 | 0 | 150 | 0 | 175 | 0 | 14100 | 34800 |
| –0.010 | –0.020 | –0.025 | –0.4 | ||||||
| LM 120A | 120 | 0 | 0 | 180 | 0 | 200 | 0 | 16400 | 40000 |
| –0.010 | –0.020 | –0.025 | –0.4 | ||||||
LM-GA-AJ

| Model No. | Main dimensions | Basic load rating | |||||||
| Inscribed bore diameter | Outer diameter | Length | Dynamic rating | Static rating | |||||
| dr | Tolerance | D | Tolerance | L | Tolerance | C | C0 | ||
| Precision | High | Precision/High | |||||||
| mm | mm | mm | mm | mm | mm | mm | N | N | |
| LM 12GA-AJ | 12 | 0 | 0 | 21 | 0 | 30 | 0 | 412 | 598 |
| –0.006 | –0.009 | –0.013 | –0.2 | ||||||
| LM 13GA-AJ | 13 | 0 | 0 | 23 | 0 | 32 | 0 | 510 | 775 |
| –0.006 | –0.009 | –0.013 | –0.2 | ||||||
| LM 16GA-AJ | 16 | 0 | 0 | 28 | 0 | 37 | 0 | 775 | 1180 |
| –0.006 | –0.009 | –0.013 | –0.2 | ||||||
| LM 20GA-AJ | 20 | 0 | 0 | 32 | 0 | 42 | 0 | 863 | 1370 |
| –0.007 | –0.010 | –0.016 | –0.2 | ||||||
| LM 25GA-AJ | 25 | 0 | 0 | 40 | 0 | 59 | 0 | 980 | 1570 |
| –0.007 | –0.010 | –0.016 | –0.3 | ||||||
| LM 30GA-AJ | 30 | 0 | 0 | 45 | 0 | 64 | 0 | 1570 | 2750 |
| –0.007 | –0.010 | –0.016 | –0.3 | ||||||
| LM 35GA-AJ | 35 | 0 | 0 | 52 | 0 | 70 | 0 | 1670 | 3140 |
| –0.008 | –0.012 | –0.019 | –0.3 | ||||||
| LM 38GA-AJ | 38 | 0 | 0 | 57 | 0 | 76 | 0 | 2160 | 4020 |
| –0.008 | –0.012 | –0.019 | –0.3 | ||||||
| LM 40GA-AJ | 40 | 0 | 0 | 60 | 0 | 80 | 0 | 2160 | 4020 |
| –0.008 | –0.012 | –0.019 | –0.3 | ||||||
| LM 50GA-AJ | 50 | 0 | 0 | 80 | 0 | 100 | 0 | 3820 | 7940 |
| –0.008 | –0.012 | –0.022 | –0.3 | ||||||
| LM 60GA-AJ | 60 | 0 | 0 | 90 | 0 | 110 | 0 | 4710 | 10000 |
| –0.009 | –0.015 | –0.022 | –0.3 | ||||||
| LM 80GA-AJ | 80 | 0 | 0 | 120 | 0 | 140 | 0 | 7350 | 16000 |
| –0.009 | –0.015 | –0.022 | –0.4 | ||||||
| LM 100GA-AJ | 100 | 0 | 0 | 150 | 0 | 175 | 0 | 14100 | 34800 |
| –0.010 | –0.020 | –0.025 | –0.4 | ||||||
| LM 120A-AJ | 120 | 0 | 0 | 180 | 0 | 200 | 0 | 16400 | 40000 |
| –0.010 | –0.020 | –0.025 | –0.4 | ||||||
LM-GA-OP

| Model No. | Main dimensions | Basic load rating | |||||||
| Inscribed bore diameter | Outer diameter | Length | Dynamic rating | Static rating | |||||
| dr | Tolerance | D | Tolerance | L | Tolerance | C | C0 | ||
| Precision | High | Precision/High | |||||||
| mm | mm | mm | mm | mm | mm | mm | N | N | |
| LM 12GA-OP | 12 | 0 | 0 | 21 | 0 | 30 | 0 | 412 | 598 |
| –0.006 | –0.009 | –0.013 | –0.2 | ||||||
| LM 13GA-OP | 13 | 0 | 0 | 23 | 0 | 32 | 0 | 510 | 775 |
| –0.006 | –0.009 | –0.013 | –0.2 | ||||||
| LM 16GA-OP | 16 | 0 | 0 | 28 | 0 | 37 | 0 | 775 | 1180 |
| –0.006 | –0.009 | –0.013 | –0.2 | ||||||
| LM 20GA-OP | 20 | 0 | 0 | 32 | 0 | 42 | 0 | 863 | 1370 |
| –0.007 | –0.010 | –0.016 | –0.2 | ||||||
| LM 25GA-OP | 25 | 0 | 0 | 40 | 0 | 59 | 0 | 980 | 1570 |
| –0.007 | –0.010 | –0.016 | –0.3 | ||||||
| LM 30GA-OP | 30 | 0 | 0 | 45 | 0 | 64 | 0 | 1570 | 2750 |
| –0.007 | –0.010 | –0.016 | –0.3 | ||||||
| LM 35GA-OP | 35 | 0 | 0 | 52 | 0 | 70 | 0 | 1670 | 3140 |
| –0.008 | –0.012 | –0.019 | –0.3 | ||||||
| LM 38GA-OP | 38 | 0 | 0 | 57 | 0 | 76 | 0 | 2160 | 4020 |
| –0.008 | –0.012 | –0.019 | –0.3 | ||||||
| LM 40GA-OP | 40 | 0 | 0 | 60 | 0 | 80 | 0 | 2160 | 4020 |
| –0.008 | –0.012 | –0.019 | –0.3 | ||||||
| LM 50GA-OP | 50 | 0 | 0 | 80 | 0 | 100 | 0 | 3820 | 7940 |
| –0.008 | –0.012 | –0.022 | –0.3 | ||||||
| LM 60GA-OP | 60 | 0 | 0 | 90 | 0 | 110 | 0 | 4710 | 10000 |
| –0.009 | –0.015 | –0.022 | –0.3 | ||||||
| LM 80GA-OP | 80 | 0 | 0 | 120 | 0 | 140 | 0 | 7350 | 16000 |
| –0.009 | –0.015 | –0.022 | –0.4 | ||||||
| LM 100GA-OP | 100 | 0 | 0 | 150 | 0 | 175 | 0 | 14100 | 34800 |
| –0.010 | –0.020 | –0.025 | –0.4 | ||||||
| LM 120A-OP | 120 | 0 | 0 | 180 | 0 | 200 | 0 | 16400 | 40000 |
| –0.010 | –0.020 | –0.025 | –0.4 | ||||||
LM-L

| Model No. | Main dimensions | Basic load rating | ||||||
| Inscribed bore diameter | Outer Diameter | Length | Dynamic rating | Static rating | ||||
| dr | Tolerance | D | Tolerance | L | Tolerance | C | C0 | |
| mm | mm | mm | mm | mm | mm | N | N | |
| LM 3L | 3 | 0 | 7 | 0 | 19 | 0 | 139 | 216 |
| –0.010 | –0.013 | –0.3 | ||||||
| LM 4L | 4 | 0 | 8 | 0 | 23 | 0 | 139 | 254 |
| –0.010 | –0.013 | –0.3 | ||||||
| LM 5L | 5 | 0 | 10 | 0 | 29 | 0 | 263 | 412 |
| –0.010 | –0.013 | –0.3 | ||||||
| LM 6L | 6 | 0 | 12 | 0 | 35 | 0 | 324 | 529 |
| –0.010 | –0.013 | –0.3 | ||||||
| LM 8L | 8 | 0 | 15 | 0 | 45 | 0 | 431 | 784 |
| –0.010 | –0.013 | –0.3 | ||||||
| LM 10L | 10 | 0 | 19 | 0 | 55 | 0 | 588 | 1100 |
| –0.010 | –0.016 | –0.3 | ||||||
| LM 12L | 12 | 0 | 21 | 0 | 57 | 0 | 657 | 1200 |
| –0.010 | –0.016 | –0.3 | ||||||
| LM 13L | 13 | 0 | 23 | 0 | 61 | 0 | 814 | 1570 |
| –0.010 | –0.016 | –0.3 | ||||||
| LM 16L | 16 | 0 | 28 | 0 | 70 | 0 | 1230 | 2350 |
| –0.010 | –0.016 | –0.3 | ||||||
| LM 20L | 20 | 0 | 32 | 0 | 80 | 0 | 1400 | 2750 |
| –0.012 | –0.019 | –0.3 | ||||||
| LM 25L | 25 | 0 | 40 | 0 | 112 | 0 | 1560 | 3140 |
| –0.012 | –0.019 | –0.4 | ||||||
| LM 30L | 30 | 0 | 45 | 0 | 123 | 0 | 2490 | 5490 |
| –0.012 | –0.019 | –0.4 | ||||||
| LM 35L | 35 | 0 | 52 | 0 | 135 | 0 | 2650 | 6270 |
| –0.015 | –0.022 | –0.4 | ||||||
| LM 40L | 40 | 0 | 60 | 0 | 154 | 0 | 3430 | 8040 |
| –0.015 | –0.022 | –0.4 | ||||||
| LM 50L | 50 | 0 | 80 | 0 | 192 | 0 | 6080 | 15900 |
| –0.015 | –0.022 | –0.4 | ||||||
| LM 60L | 60 | 0 | 90 | 0 | 211 | 0 | 7650 | 20000 |
| –0.020 | –0.025 | –0.4 | ||||||
LM-MG

| Model No. | Main dimensions | Basic load rating | |||||||
| Inscribed bore diameter | Outer diameter | Length | Dynamic rating | Static rating | |||||
| dr | Tolerance | D | Tolerance | L | Tolerance | C |
C0 |
||
| Precision | High | Precision/High | |||||||
| mm | mm | mm | mm | mm | mm | mm | N | N | |
| LM 3M | 3 | 0 | 0 | 7 | 0 | 10 | 0 | 88.2 | 108 |
| –0.005 | –0.008 | –0.009 | –0.12 | ||||||
| LM 4M | 4 | 0 | 0 | 8 | 0 | 12 | 0 | 88.2 | 127 |
| –0.005 | –0.008 | –0.009 | –0.12 | ||||||
| LM 5M | 5 | 0 | 0 | 10 | 0 | 15 | 0 | 167 | 206 |
| –0.005 | –0.008 | –0.009 | –0.12 | ||||||
| LM 6MG | 6 | 0 | 0 | 12 | 0 | 19 | 0 | 206 | 265 |
| –0.006 | –0.009 | –0.011 | –0.2 | ||||||
| LM 8SMG | 8 | 0 | 0 | 15 | 0 | 17 | 0 | 176 | 225 |
| –0.006 | –0.009 | –0.011 | –0.2 | ||||||
| LM 8MG | 8 | 0 | 0 | 15 | 0 | 24 | 0 | 265 | 402 |
| –0.006 | –0.009 | –0.011 | –0.2 | ||||||
| LM 10MG | 10 | 0 | 0 | 19 | 0 | 29 | 0 | 373 | 549 |
| –0.006 | –0.009 | –0.013 | –0.2 | ||||||
| LM 12MG | 12 | 0 | 0 | 21 | 0 | 30 | 0 | 412 | 598 |
| –0.006 | –0.009 | –0.013 | –0.2 | ||||||
| LM 13MG | 13 | 0 | 0 | 23 | 0 | 32 | 0 | 510 | 775 |
| –0.006 | –0.009 | –0.013 | –0.2 | ||||||
| LM 16MG | 16 | 0 | 0 | 28 | 0 | 37 | 0 | 775 | 1180 |
| –0.006 | –0.009 | –0.013 | –0.2 | ||||||
| LM 20MG | 20 | 0 | 0 | 32 | 0 | 42 | 0 | 863 | 1370 |
| –0.007 | –0.010 | –0.016 | –0.2 | ||||||
| LM 25MG | 25 | 0 | 0 | 40 | 0 | 59 | 0 | 980 | 1570 |
| –0.007 | –0.010 | –0.016 | –0.3 | ||||||
| LM 30MG | 30 | 0 | 0 | 45 | 0 | 64 | 0 | 1570 | 2750 |
| –0.007 | –0.010 | –0.016 | –0.3 | ||||||
| LM 35MG | 35 | 0 | 0 | 52 | 0 | 70 | 0 | 1670 | 3140 |
| –0.008 | –0.012 | –0.019 | –0.3 | ||||||
| LM 40MG | 40 | 0 | 0 | 60 | 0 | 80 | 0 | 2160 | 4020 |
| –0.008 | –0.012 | –0.019 | –0.3 | ||||||
LM-MG-AJ

| Model No. | Main dimensions | Basic load rating | |||||||
| Inscribed bore diameter | Outer diameter | Length | Dynamic rating | Static rating | |||||
| dr | Tolerance | D | Tolerance | L | Tolerance | C | C0 | ||
| Precision | High | Precision/High | |||||||
| mm | mm | mm | mm | mm | mm | mm | N | N | |
| LM 6MG-AJ | 6 | 0 | 0 | 12 | 0 | 19 | 0 | 206 | 265 |
| –0.006 | –0.009 | –0.011 | –0.2 | ||||||
| LM 8SMG-AJ | 8 | 0 | 0 | 15 | 0 | 17 | 0 | 176 | 225 |
| –0.006 | –0.009 | –0.011 | –0.2 | ||||||
| LM 8MG-AJ | 8 | 0 | 0 | 15 | 0 | 24 | 0 | 265 | 402 |
| –0.006 | –0.009 | –0.011 | –0.2 | ||||||
| LM 10MG-AJ | 10 | 0 | 0 | 19 | 0 | 29 | 0 | 373 | 549 |
| –0.006 | –0.009 | –0.013 | –0.2 | ||||||
| LM 12MG-AJ | 12 | 0 | 0 | 21 | 0 | 30 | 0 | 412 | 598 |
| –0.006 | –0.009 | –0.013 | –0.2 | ||||||
| LM 13MG-AJ | 13 | 0 | 0 | 23 | 0 | 32 | 0 | 510 | 775 |
| –0.006 | –0.009 | –0.013 | –0.2 | ||||||
| LM 16MG-AJ | 16 | 0 | 0 | 28 | 0 | 37 | 0 | 775 | 1180 |
| –0.006 | –0.009 | –0.013 | –0.2 | ||||||
| LM 20MG-AJ | 20 | 0 | 0 | 32 | 0 | 42 | 0 | 863 | 1370 |
| –0.007 | –0.010 | –0.016 | –0.2 | ||||||
| LM 25MG-AJ | 25 | 0 | 0 | 40 | 0 | 59 | 0 | 980 | 1570 |
| –0.007 | –0.010 | –0.016 | –0.3 | ||||||
| LM 30MG-AJ | 30 | 0 | 0 | 45 | 0 | 64 | 0 | 1570 | 2750 |
| –0.007 | –0.010 | –0.016 | –0.3 | ||||||
| LM 35MG-AJ | 35 | 0 | 0 | 52 | 0 | 70 | 0 | 1670 | 3140 |
| –0.008 | –0.012 | –0.019 | –0.3 | ||||||
| LM 40MG-AJ | 40 | 0 | 0 | 60 | 0 | 80 | 0 | 2160 | 4020 |
| –0.008 | –0.012 | –0.019 | –0.3 | ||||||
LM-MGA-OP

| Model No. | Main dimensions | Basic load rating | |||||||
| Inscribed bore diameter | Outer diameter | Length | Dynamic rating | Static rating | |||||
| dr | Tolerance | D | Tolerance | L | Tolerance | C |
C0 |
||
| Precision | High | Precision/High | |||||||
| mm | mm | mm | mm | mm | mm | mm | N | N | |
| LM 13MGA-OP | 13 | 0 | 0 | 23 | 0 | 32 | 0 | 510 | 775 |
| –0.006 | –0.009 | –0.013 | –0.2 | ||||||
| LM 16MGA-OP | 16 | 0 | 0 | 28 | 0 | 37 | 0 | 775 | 1180 |
| –0.006 | –0.009 | –0.013 | –0.2 | ||||||
| LM 20MGA-OP | 20 | 0 | 0 | 32 | 0 | 42 | 0 | 863 | 1370 |
| –0.007 | –0.010 | –0.016 | –0.2 | ||||||
| LM 25MGA-OP | 25 | 0 | 0 | 40 | 0 | 59 | 0 | 980 | 1570 |
| –0.007 | –0.010 | –0.016 | –0.3 | ||||||
| LM 30MGA-OP | 30 | 0 | 0 | 45 | 0 | 64 | 0 | 1570 | 2750 |
| –0.007 | –0.010 | –0.016 | –0.3 | ||||||
| LM 35MGA-OP | 35 | 0 | 0 | 52 | 0 | 70 | 0 | 1670 | 3140 |
| –0.008 | –0.012 | –0.019 | –0.3 | ||||||
| LM 40MGA-OP | 40 | 0 | 0 | 60 | 0 | 80 | 0 | 2160 | 4020 |
| –0.008 | –0.012 | –0.019 | –0.3 | ||||||
LM

| Model No. |
Inscribed bore diameter | Outer diameter | Length |
| dr | D | L | |
| mm | mm | mm | |
| LM 3 | 3 | 7 | 10 |
| LM 4 | 4 | 8 | 12 |
| LM 5 | 5 | 10 | 15 |
| LM 6 | 6 | 12 | 19 |
| LM 8S | 8 | 15 | 17 |
| LM 8 | 8 | 15 | 24 |
| LM 10 | 10 | 19 | 29 |
| LM 12 | 12 | 21 | 30 |
| LM 13 | 13 | 23 | 32 |
| LM 16 | 16 | 28 | 37 |
| LM 20 | 20 | 32 | 42 |
| LM 25 | 25 | 40 | 59 |
| LM 30 | 30 | 45 | 64 |
| LM 35 | 35 | 52 | 70 |
| LM 40 | 40 | 60 | 80 |
| LM 50 | 50 | 80 | 100 |
| LM 60 | 60 | 90 | 110 |
LM-AJ

| Model No. |
Inscribed bore diameter | Outer diameter | Length |
| dr | D | L | |
| mm | mm | mm | |
| LM 6-AJ | 6 | 12 | 19 |
| LM 8S-AJ | 8 | 15 | 17 |
| LM 8-AJ | 8 | 15 | 24 |
| LM 10-AJ | 10 | 19 | 29 |
| LM 12-AJ | 12 | 21 | 30 |
| LM 13-AJ | 13 | 23 | 32 |
| LM 16-AJ | 16 | 28 | 37 |
| LM 20-AJ | 20 | 32 | 42 |
| LM 25-AJ | 25 | 40 | 59 |
| LM 30-AJ | 30 | 45 | 64 |
| LM 35-AJ | 35 | 52 | 70 |
| LM 40-AJ | 40 | 60 | 80 |
| LM 50-AJ | 50 | 80 | 100 |
| LM 60-AJ | 60 | 90 | 110 |
LM-OP

| Model No. |
Inscribed bore diameter | Outer diameter | Length |
| dr | D | L | |
| mm | mm | mm | |
| LM 13-OP | 13 | 23 | 32 |
| LM 16-OP | 16 | 28 | 37 |
| LM 20-OP | 20 | 32 | 42 |
| LM 25-OP | 25 | 40 | 59 |
| LM 30-OP | 30 | 45 | 64 |
| LM 35-OP | 35 | 52 | 70 |
| LM 40-OP | 40 | 60 | 80 |
| LM 50-OP | 50 | 80 | 100 |
| LM 60-OP | 60 | 90 | 110 |
LM-GA

| Model No. |
Inscribed bore diameter | Outer diameter | Length |
| dr | D | L | |
| mm | mm | mm | |
| LM 6GA | 6 | 12 | 19 |
| LM 8SGA | 8 | 15 | 17 |
| LM 8GA | 8 | 15 | 24 |
| LM 10GA | 10 | 19 | 29 |
| LM 12GA | 12 | 21 | 30 |
| LM 13GA | 13 | 23 | 32 |
| LM 16GA | 16 | 28 | 37 |
| LM 20GA | 20 | 32 | 42 |
| LM 25GA | 25 | 40 | 59 |
| LM 30GA | 30 | 45 | 64 |
| LM 35GA | 35 | 52 | 70 |
| LM 38GA | 38 | 57 | 76 |
| LM 40GA | 40 | 60 | 80 |
| LM 50GA | 50 | 80 | 100 |
| LM 60GA | 60 | 90 | 110 |
| LM 80GA | 80 | 120 | 140 |
| LM 100GA | 100 | 150 | 175 |
| LM 120A | 120 | 180 | 200 |
LM-GA-AJ

| Model No. |
Inscribed bore diameter | Outer diameter | Length |
| dr | D | L | |
| mm | mm | mm | |
| LM 12GA-AJ | 12 | 21 | 30 |
| LM 13GA-AJ | 13 | 23 | 32 |
| LM 16GA-AJ | 16 | 28 | 37 |
| LM 20GA-AJ | 20 | 32 | 42 |
| LM 25GA-AJ | 25 | 40 | 59 |
| LM 30GA-AJ | 30 | 45 | 64 |
| LM 35GA-AJ | 35 | 52 | 70 |
| LM 38GA-AJ | 38 | 57 | 76 |
| LM 40GA-AJ | 40 | 60 | 80 |
| LM 50GA-AJ | 50 | 80 | 100 |
| LM 60GA-AJ | 60 | 90 | 110 |
| LM 80GA-AJ | 80 | 120 | 140 |
| LM 100GA-AJ | 100 | 150 | 175 |
| LM 120A-AJ | 120 | 180 | 200 |
LM-GA-OP

| Model No. |
Inscribed bore diameter | Outer diameter | Length |
| dr | D | L | |
| mm | mm | mm | |
| LM 12GA-OP | 12 | 21 | 30 |
| LM 13GA-OP | 13 | 23 | 32 |
| LM 16GA-OP | 16 | 28 | 37 |
| LM 20GA-OP | 20 | 32 | 42 |
| LM 25GA-OP | 25 | 40 | 59 |
| LM 30GA-OP | 30 | 45 | 64 |
| LM 35GA-OP | 35 | 52 | 70 |
| LM 38GA-OP | 38 | 57 | 76 |
| LM 40GA-OP | 40 | 60 | 80 |
| LM 50GA-OP | 50 | 80 | 100 |
| LM 60GA-OP | 60 | 90 | 110 |
| LM 80GA-OP | 80 | 120 | 140 |
| LM 100GA-OP | 100 | 150 | 175 |
| LM 120A-OP | 120 | 180 | 200 |
z
LM-L

| Model No. | Inscribed bore diameter | Outer Diameter | Length |
| dr | D | L | |
| mm | mm | mm | |
| LM 3L | 3 | 7 | 19 |
| LM 4L | 4 | 8 | 23 |
| LM 5L | 5 | 10 | 29 |
| LM 6L | 6 | 12 | 35 |
| LM 8L | 8 | 15 | 45 |
| LM 10L | 10 | 19 | 55 |
| LM 12L | 12 | 21 | 57 |
| LM 13L | 13 | 23 | 61 |
| LM 16L | 16 | 28 | 70 |
| LM 20L | 20 | 32 | 80 |
| LM 25L | 25 | 40 | 112 |
| LM 30L | 30 | 45 | 123 |
| LM 35L | 35 | 52 | 135 |
| LM 40L | 40 | 60 | 154 |
| LM 50L | 50 | 80 | 192 |
| LM 60L | 60 | 90 | 211 |
LM-MG

| Model No. |
Inscribed bore diameter | Outer diameter | Length |
| dr | D | L | |
| mm | mm | mm | |
| LM 3M | 3 | 7 | 10 |
| LM 4M | 4 | 8 | 12 |
| LM 5M | 5 | 10 | 15 |
| LM 6MG | 6 | 12 | 19 |
| LM 8SMG | 8 | 15 | 17 |
| LM 8MG | 8 | 15 | 24 |
| LM 10MG | 10 | 19 | 29 |
| LM 12MG | 12 | 21 | 30 |
| LM 13MG | 13 | 23 | 32 |
| LM 16MG | 16 | 28 | 37 |
| LM 20MG | 20 | 32 | 42 |
| LM 25MG | 25 | 40 | 59 |
| LM 30MG | 30 | 45 | 64 |
| LM 35MG | 35 | 52 | 70 |
| LM 40MG | 40 | 60 | 80 |
LM-MG-AJ

| Model No. |
Inscribed bore diameter | Outer diameter | Length |
| dr | D | L | |
| mm | mm | mm | |
| LM 6MG-AJ | 6 | 12 | 19 |
| LM 8SMG-AJ | 8 | 15 | 17 |
| LM 8MG-AJ | 8 | 15 | 24 |
| LM 10MG-AJ | 10 | 19 | 29 |
| LM 12MG-AJ | 12 | 21 | 30 |
| LM 13MG-AJ | 13 | 23 | 32 |
| LM 16MG-AJ | 16 | 28 | 37 |
| LM 20MG-AJ | 20 | 32 | 42 |
| LM 25MG-AJ | 25 | 40 | 59 |
| LM 30MG-AJ | 30 | 45 | 64 |
| LM 35MG-AJ | 35 | 52 | 70 |
| LM 40MG-AJ | 40 | 60 | 80 |
LM-MGA-OP

| Model No. |
Inscribed bore diameter | Outer diameter | Length |
| dr | D | L | |
| mm | mm | mm | |
| LM 13MGA-OP | 13 | 23 | 32 |
| LM 16MGA-OP | 16 | 28 | 37 |
| LM 20MGA-OP | 20 | 32 | 42 |
| LM 25MGA-OP | 25 | 40 | 59 |
| LM 30MGA-OP | 30 | 45 | 64 |
| LM 35MGA-OP | 35 | 52 | 70 |
| LM 40MGA-OP | 40 | 60 | 80 |
Cylindrical (European standard) Model LME
LME

| Model No. | Main dimensions | Basic load rating | ||||||
| Inscribed bore diameter | Outer Diameter | Length | Dynamic rating | Static rating | ||||
| dr | Tolerance | D | Tolerance | L | Tolerance | C | C0 | |
| mm | mm | mm | mm | mm | mm | N | N | |
| LME 5 | 5 | 0.008 | 12 | 0 | 22 | 0 | 206 | 265 |
| 0 | –0.008 | –0.2 | ||||||
| LME 8 | 8 | 0.008 | 16 | 0 | 25 | 0 | 265 | 402 |
| 0 | –0.008 | –0.2 | ||||||
| LME 12 | 12 | 0.008 | 22 | 0 | 32 | 0 | 510 | 775 |
| 0 | –0.009 | –0.2 | ||||||
| LME 16 | 16 | 0.009 | 26 | 0 | 36 | 0 | 775 | 1180 |
| –0.001 | –0.009 | –0.2 | ||||||
| LME 20 | 20 | 0.009 | 32 | 0 | 45 | 0 | 863 | 1370 |
| –0.001 | –0.011 | –0.2 | ||||||
| LME 25 | 25 | 0.011 | 40 | 0 | 58 | 0 | 980 | 1570 |
| –0.001 | –0.011 | –0.3 | ||||||
| LME 30 | 30 | 0.011 | 47 | 0 | 68 | 0 | 1570 | 2750 |
| –0.001 | –0.011 | –0.3 | ||||||
| LME 40 | 40 | 0.013 | 62 | 0 | 80 | 0 | 2160 | 4020 |
| –0.002 | –0.013 | –0.3 | ||||||
| LME 50 | 50 | 0.013 | 75 | 0 | 100 | 0 | 3820 | 7940 |
| –0.002 | –0.013 | –0.3 | ||||||
| LME 60 | 60 | 0.013 | 90 | 0 | 125 | 0 | 4710 | 10000 |
| –0.002 | –0.015 | –0.4 | ||||||
| LME 80GA | 80 | 0.016 | 120 | — | 165 | — | 7.35 | 16 |
LME-AJ

| Model No. | Main dimensions | Basic load rating | ||||||
| Inscribed bore diameter | Outer Diameter | Length | Dynamic rating | Static rating | ||||
| dr | Tolerance | D | Tolerance | L | Tolerance | C | C0 | |
| mm | mm | mm | mm | mm | mm | N | N | |
| LME 5-AJ | 5 | 0.008 | 12 | 0 | 22 | 0 | 206 | 265 |
| 0 | –0.008 | –0.2 | ||||||
| LME 8-AJ | 8 | 0.008 | 16 | 0 | 25 | 0 | 265 | 402 |
| 0 | –0.008 | –0.2 | ||||||
| LME 12-AJ | 12 | 0.008 | 22 | 0 | 32 | 0 | 510 | 775 |
| 0 | –0.009 | –0.2 | ||||||
| LME 16-AJ | 16 | 0.009 | 26 | 0 | 36 | 0 | 775 | 1180 |
| –0.001 | –0.009 | –0.2 | ||||||
| LME 20-AJ | 20 | 0.009 | 32 | 0 | 45 | 0 | 863 | 1370 |
| –0.001 | –0.011 | –0.2 | ||||||
| LME 25-AJ | 25 | 0.011 | 40 | 0 | 58 | 0 | 980 | 1570 |
| –0.001 | –0.011 | –0.3 | ||||||
| LME 30-AJ | 30 | 0.011 | 47 | 0 | 68 | 0 | 1570 | 2750 |
| –0.001 | –0.011 | –0.3 | ||||||
| LME 40-AJ | 40 | 0.013 | 62 | 0 | 80 | 0 | 2160 | 4020 |
| –0.002 | –0.013 | –0.3 | ||||||
| LME 50-AJ | 50 | 0.013 | 75 | 0 | 100 | 0 | 3820 | 7940 |
| –0.002 | –0.013 | –0.3 | ||||||
| LME 60-AJ | 60 | 0.013 | 90 | 0 | 125 | 0 | 4710 | 10000 |
| –0.002 | –0.015 | –0.4 | ||||||
| LME 80GA-AJ | 80 | — | 120 | — | 165 | — | 7.35 | 16 |
LME-OP

| Model No. | Main dimensions | Basic load rating | ||||||
| Inscribed bore diameter | Outer Diameter | Length | Dynamic rating | Static rating | ||||
| dr | Tolerance | D | Tolerance | L | Tolerance | C | C0 | |
| mm | mm | mm | mm | mm | mm | N | N | |
| LME 16-OP | 16 | 0.009 | 26 | 0 | 36 | 0 | 775 | 1180 |
| –0.001 | –0.009 | –0.2 | ||||||
| LME 20-OP | 20 | 0.009 | 32 | 0 | 45 | 0 | 863 | 1370 |
| –0.001 | –0.011 | –0.2 | ||||||
| LME 25-OP | 25 | 0.011 | 40 | 0 | 58 | 0 | 980 | 1570 |
| –0.001 | –0.011 | –0.3 | ||||||
| LME 30-OP | 30 | 0.011 | 47 | 0 | 68 | 0 | 1570 | 2750 |
| –0.001 | –0.011 | –0.3 | ||||||
| LME 40-OP | 40 | 0.013 | 62 | 0 | 80 | 0 | 2160 | 4020 |
| –0.002 | –0.013 | –0.3 | ||||||
| LME 50-OP | 50 | 0.013 | 75 | 0 | 100 | 0 | 3820 | 7940 |
| –0.002 | –0.013 | –0.3 | ||||||
| LME 60-OP | 60 | 0.013 | 90 | 0 | 125 | 0 | 4710 | 10000 |
| –0.002 | –0.015 | –0.4 | ||||||
| LME 80GA-OP | 80 | — | 120 | — | 165 | — | 7.35 | 16 |
LME

| Model No. | Inscribed bore diameter | Outer Diameter | Length |
| dr | D | L | |
| mm | mm | mm | |
| LME 5 | 5 | 12 | 22 |
| LME 8 | 8 | 16 | 25 |
| LME 12 | 12 | 22 | 32 |
| LME 16 | 16 | 26 | 36 |
| LME 20 | 20 | 32 | 45 |
| LME 25 | 25 | 40 | 58 |
| LME 30 | 30 | 47 | 68 |
| LME 40 | 40 | 62 | 80 |
| LME 50 | 50 | 75 | 100 |
| LME 60 | 60 | 90 | 125 |
| LME 80GA | 80 | 120 | 165 |
LME-AJ

| Model No. | Inscribed bore diameter | Outer Diameter | Length |
| dr | D | L | |
| mm | mm | mm | |
| LME 5-AJ | 5 | 12 | 22 |
| LME 8-AJ | 8 | 16 | 25 |
| LME 12-AJ | 12 | 22 | 32 |
| LME 16-AJ | 16 | 26 | 36 |
| LME 20-AJ | 20 | 32 | 45 |
| LME 25-AJ | 25 | 40 | 58 |
| LME 30-AJ | 30 | 47 | 68 |
| LME 40-AJ | 40 | 62 | 80 |
| LME 50-AJ | 50 | 75 | 100 |
| LME 60-AJ | 60 | 90 | 125 |
| LME 80GA-AJ | 80 | 120 | 165 |
LME-OP

| Model No. | Inscribed bore diameter | Outer Diameter | Length |
| dr | D | L | |
| mm | mm | mm | |
| LME 16-OP | 16 | 26 | 36 |
| LME 20-OP | 20 | 32 | 45 |
| LME 25-OP | 25 | 40 | 58 |
| LME 30-OP | 30 | 47 | 68 |
| LME 40-OP | 40 | 62 | 80 |
| LME 50-OP | 50 | 75 | 100 |
| LME 60-OP | 60 | 90 | 125 |
| LME 80GA-OP | 80 | 120 | 165 |
Linear Bushing flanged type
Circular Flanged Model LMF
LMF

| Model No. | Main dimensions | Basic load rating | ||||||||
| Inscribed bore diameter | Outer diameter | Length | Flange diameter | Dynamic | Static | |||||
| rating | rating | |||||||||
| dr | Tolerance | D | Tolerance | L | Tolerance | D1 | Tolerance | C | C0 | |
| mm | mm | mm | mm | mm | mm | mm | mm | N | N | |
| LMF 6 | 6 | 0 | 12 | 0 | 19 | 0 | 28 | 0 | 206 | 265 |
| –0.009 | –0.011 | –0.2 | –0.2 | |||||||
| LMF 8S | 8 | 0 | 15 | 0 | 17 | 0 | 32 | 0 | 176 | 225 |
| –0.009 | –0.011 | –0.2 | –0.2 | |||||||
| LMF 8 | 8 | 0 | 15 | 0 | 24 | 0 | 32 | 0 | 265 | 402 |
| –0.009 | –0.011 | –0.2 | –0.2 | |||||||
| LMF 10 | 10 | 0 | 19 | 0 | 29 | 0 | 39 | 0 | 373 | 549 |
| –0.009 | –0.013 | –0.2 | –0.2 | |||||||
| LMF 12 | 12 | 0 | 21 | 0 | 30 | 0 | 42 | 0 | 412 | 598 |
| –0.009 | –0.013 | –0.2 | –0.2 | |||||||
| LMF 13 | 13 | 0 | 23 | 0 | 32 | 0 | 43 | 0 | 510 | 775 |
| –0.009 | –0.013 | –0.2 | –0.2 | |||||||
| LMF 16 | 16 | 0 | 28 | 0 | 37 | 0 | 48 | 0 | 775 | 1180 |
| –0.009 | –0.013 | –0.2 | –0.2 | |||||||
| LMF 20 | 20 | 0 | 32 | 0 | 42 | 0 | 54 | 0 | 863 | 1370 |
| –0.010 | –0.016 | –0.2 | –0.2 | |||||||
| LMF 25 | 25 | 0 | 40 | 0 | 59 | 0 | 62 | 0 | 980 | 1570 |
| –0.010 | –0.016 | –0.3 | –0.2 | |||||||
| LMF 30 | 30 | 0 | 45 | 0 | 64 | 0 | 74 | 0 | 1570 | 2750 |
| –0.010 | –0.016 | –0.3 | –0.2 | |||||||
| LMF 35 | 35 | 0 | 52 | 0 | 70 | 0 | 82 | 0 | 1670 | 3140 |
| –0.012 | –0.019 | –0.3 | –0.2 | |||||||
| LMF 40 | 40 | 0 | 60 | 0 | 80 | 0 | 96 | 0 | 2160 | 4020 |
| –0.012 | –0.019 | –0.3 | –0.3 | |||||||
| LMF 50 | 50 | 0 | 80 | 0 | 100 | 0 | 116 | 0 | 3820 | 7940 |
| –0.012 | –0.019 | –0.3 | –0.3 | |||||||
| LMF 60 | 60 | 0 | 90 | 0 | 110 | 0 | 134 | 0 | 4710 | 10000 |
| –0.015 | –0.022 | –0.3 | –0.3 | |||||||
LMF-M

| Model No. | Main dimensions | Basic load rating | ||||||||
| Inscribed bore diameter | Outer diameter | Length | Flange diameter | Dynamic | Static | |||||
| rating | rating | |||||||||
| dr | Tolerance | D | Tolerance | L | Tolerance | D1 | Tolerance | C | C0 | |
| mm | mm | mm | mm | mm | mm | mm | mm | N | N | |
| LMF 6M | 6 | 0 | 12 | 0 | 19 | 0 | 28 | 0 | 206 | 265 |
| –0.009 | –0.011 | –0.2 | –0.2 | |||||||
| LMF 8SM | 8 | 0 | 15 | 0 | 17 | 0 | 32 | 0 | 176 | 225 |
| –0.009 | –0.011 | –0.2 | –0.2 | |||||||
| LMF 8M | 8 | 0 | 15 | 0 | 24 | 0 | 32 | 0 | 265 | 402 |
| –0.009 | –0.011 | –0.2 | –0.2 | |||||||
| LMF 10M | 10 | 0 | 19 | 0 | 29 | 0 | 39 | 0 | 373 | 549 |
| –0.009 | –0.013 | –0.2 | –0.2 | |||||||
| LMF 12M | 12 | 0 | 21 | 0 | 30 | 0 | 42 | 0 | 412 | 598 |
| –0.009 | –0.013 | –0.2 | –0.2 | |||||||
| LMF 13M | 13 | 0 | 23 | 0 | 32 | 0 | 43 | 0 | 510 | 775 |
| –0.009 | –0.013 | –0.2 | –0.2 | |||||||
| LMF 16M | 16 | 0 | 28 | 0 | 37 | 0 | 48 | 0 | 775 | 1180 |
| –0.009 | –0.013 | –0.2 | –0.2 | |||||||
| LMF 20M | 20 | 0 | 32 | 0 | 42 | 0 | 54 | 0 | 863 | 1370 |
| –0.010 | –0.016 | –0.2 | –0.2 | |||||||
| LMF 25M | 25 | 0 | 40 | 0 | 59 | 0 | 62 | 0 | 980 | 1570 |
| –0.010 | –0.016 | –0.3 | –0.2 | |||||||
| LMF 30M | 30 | 0 | 45 | 0 | 64 | 0 | 74 | 0 | 1570 | 2750 |
| –0.010 | –0.016 | –0.3 | –0.2 | |||||||
LMF-L

| Model No. | Main dimensions | Basic load rating | ||||||||
| Inscribed bore diameter | Outer diameter | Length | Flange diameter | Dynamic | Static | |||||
| rating | rating | |||||||||
| dr | Tolerance | D | Tolerance | L | Tolerance | D1 | Tolerance | C | C0 | |
| mm | mm | mm | mm | mm | mm | mm | mm | N | N | |
| LMF 6L | 6 | 0 | 12 | 0 | 35 | 0 | 28 | 0 | 324 | 529 |
| –0.010 | –0.013 | –0.3 | –0.2 | |||||||
| LMF 8L | 8 | 0 | 15 | 0 | 45 | 0 | 32 | 0 | 431 | 784 |
| –0.010 | –0.013 | –0.3 | –0.2 | |||||||
| LMF 10L | 10 | 0 | 19 | 0 | 55 | 0 | 39 | 0 | 588 | 1100 |
| –0.010 | –0.016 | –0.3 | –0.2 | |||||||
| LMF 12L | 12 | 0 | 21 | 0 | 57 | 0 | 42 | 0 | 657 | 1200 |
| –0.010 | –0.016 | –0.3 | –0.2 | |||||||
| LMF 13L | 13 | 0 | 23 | 0 | 61 | 0 | 43 | 0 | 814 | 1570 |
| –0.010 | –0.016 | –0.3 | –0.2 | |||||||
| LMF 16L | 16 | 0 | 28 | 0 | 70 | 0 | 48 | 0 | 1230 | 2350 |
| –0.010 | –0.016 | –0.3 | –0.2 | |||||||
| LMF 20L | 20 | 0 | 32 | 0 | 80 | 0 | 54 | 0 | 1400 | 2750 |
| –0.012 | –0.019 | –0.3 | –0.2 | |||||||
| LMF 25L | 25 | 0 | 40 | 0 | 112 | 0 | 62 | 0 | 1560 | 3140 |
| –0.012 | –0.019 | –0.4 | –0.2 | |||||||
| LMF 30L | 30 | 0 | 45 | 0 | 123 | 0 | 74 | 0 | 2490 | 5490 |
| –0.012 | –0.019 | –0.4 | –0.2 | |||||||
| LMF 35L | 35 | 0 | 52 | 0 | 135 | 0 | 82 | 0 | 2650 | 6270 |
| –0.015 | –0.022 | –0.4 | –0.2 | |||||||
| LMF 40L | 40 | 0 | 60 | 0 | 154 | 0 | 96 | 0 | 3430 | 8040 |
| –0.015 | –0.022 | –0.4 | –0.3 | |||||||
| LMF 50L | 50 | 0 | 80 | 0 | 192 | 0 | 116 | 0 | 6080 | 15900 |
| –0.015 | –0.022 | –0.4 | –0.3 | |||||||
| LMF 60L | 60 | 0 | 90 | 0 | 211 | 0 | 134 | 0 | 7650 | 20000 |
| –0.020 | –0.025 | –0.4 | –0.3 | |||||||
LMF-ML

| Model No. | Main dimensions | Basic load rating | ||||||||
| Inscribed bore diameter | Outer diameter | Length | Flange diameter | Dynamic | Static | |||||
| rating | rating | |||||||||
| dr | Tolerance | D | Tolerance | L | Tolerance | D1 | Tolerance | C | C0 | |
| mm | mm | mm | mm | mm | mm | mm | mm | N | N | |
| LMF 6ML | 6 | 0 | 12 | 0 | 35 | 0 | 28 | 0 | 324 | 529 |
| –0.010 | –0.013 | –0.3 | –0.2 | |||||||
| LMF 8ML | 8 | 0 | 15 | 0 | 45 | 0 | 32 | 0 | 431 | 784 |
| –0.010 | –0.013 | –0.3 | –0.2 | |||||||
| LMF 10ML | 10 | 0 | 19 | 0 | 55 | 0 | 39 | 0 | 588 | 1100 |
| –0.010 | –0.016 | –0.3 | –0.2 | |||||||
| LMF 12ML | 12 | 0 | 21 | 0 | 57 | 0 | 42 | 0 | 657 | 1200 |
| –0.010 | –0.016 | –0.3 | –0.2 | |||||||
| LMF 13ML | 13 | 0 | 23 | 0 | 61 | 0 | 43 | 0 | 814 | 1570 |
| –0.010 | –0.016 | –0.3 | –0.2 | |||||||
| LMF 16ML | 16 | 0 | 28 | 0 | 70 | 0 | 48 | 0 | 1230 | 2350 |
| –0.010 | –0.016 | –0.3 | –0.2 | |||||||
| LMF 20ML | 20 | 0 | 32 | 0 | 80 | 0 | 54 | 0 | 1400 | 2750 |
| –0.012 | –0.019 | –0.3 | –0.2 | |||||||
| LMF 25ML | 25 | 0 | 40 | 0 | 112 | 0 | 62 | 0 | 1560 | 3140 |
| –0.012 | –0.019 | –0.4 | –0.2 | |||||||
| LMF 30ML | 30 | 0 | 45 | 0 | 123 | 0 | 74 | 0 | 2490 | 5490 |
| –0.012 | –0.019 | –0.4 | –0.2 | |||||||
LMF

| Model No. | Inscribed bore diameter | Outer diameter | Length |
| dr | D | L | |
| mm | mm | mm | |
| LMF 6 | 6 | 12 | 19 |
| LMF 8S | 8 | 15 | 17 |
| LMF 8 | 8 | 15 | 24 |
| LMF 10 | 10 | 19 | 29 |
| LMF 12 | 12 | 21 | 30 |
| LMF 13 | 13 | 23 | 32 |
| LMF 16 | 16 | 28 | 37 |
| LMF 20 | 20 | 32 | 42 |
| LMF 25 | 25 | 40 | 59 |
| LMF 30 | 30 | 45 | 64 |
| LMF 35 | 35 | 52 | 70 |
| LMF 40 | 40 | 60 | 80 |
| LMF 50 | 50 | 80 | 100 |
| LMF 60 | 60 | 90 | 110 |
LMF-M

| Model No. | Inscribed bore diameter | Outer diameter | Length |
| dr | D | L | |
| mm | mm | mm | |
| LMF 6M | 6 | 12 | 19 |
| LMF 8SM | 8 | 15 | 17 |
| LMF 8M | 8 | 15 | 24 |
| LMF 10M | 10 | 19 | 29 |
| LMF 12M | 12 | 21 | 30 |
| LMF 13M | 13 | 23 | 32 |
| LMF 16M | 16 | 28 | 37 |
| LMF 20M | 20 | 32 | 42 |
| LMF 25M | 25 | 40 | 59 |
| LMF 30M | 30 | 45 | 64 |
LMF-L

| Model No. | Inscribed bore diameter | Outer diameter | Length |
| dr | D | L | |
| mm | mm | mm | |
| LMF 6L | 6 | 12 | 35 |
| LMF 8L | 8 | 15 | 45 |
| LMF 10L | 10 | 19 | 55 |
| LMF 12L | 12 | 21 | 57 |
| LMF 13L | 13 | 23 | 61 |
| LMF 16L | 16 | 28 | 70 |
| LMF 20L | 20 | 32 | 80 |
| LMF 25L | 25 | 40 | 112 |
| LMF 30L | 30 | 45 | 123 |
| LMF 35L | 35 | 52 | 135 |
| LMF 40L | 40 | 60 | 154 |
| LMF 50L | 50 | 80 | 192 |
| LMF 60L | 60 | 90 | 211 |
LMF-ML

| Model No. | Inscribed bore diameter | Outer diameter | Length |
| dr | D | L | |
| mm | mm | mm | |
| LMF 6ML | 6 | 12 | 35 |
| LMF 8ML | 8 | 15 | 45 |
| LMF 10ML | 10 | 19 | 55 |
| LMF 12ML | 12 | 21 | 57 |
| LMF 13ML | 13 | 23 | 61 |
| LMF 16ML | 16 | 28 | 70 |
| LMF 20ML | 20 | 32 | 80 |
| LMF 25ML | 25 | 40 | 112 |
| LMF 30ML | 30 | 45 | 123 |
Circular Flange Model LMIF
LMIF

| Model No. | Main dimensions | Basic load rating | ||||||||
| Inscribed bore diameter | Outer diameter | Length | Flange diameter | Dynamic | Static | |||||
| rating | rating | |||||||||
| dr | Tolerance | D | Tolerance | L | Tolerance | D1 | Tolerance | C | C0 | |
| mm | mm | mm | mm | mm | mm | mm | mm | N | N | |
| LMIF 6 | 6 | — | 12 | 0 | 19 | ±0.3 | 28 | 0 | 206 | 265 |
| -0.011 | -0.2 | |||||||||
| LMIF 8 | 8 | — | 15 | 0 | 24 | ±0.3 | 32 | 0 | 265 | 402 |
| -0.011 | -0.2 | |||||||||
| LMIF 10 | 10 | — | 19 | 0 | 29 | ±0.3 | 39 | 0 | 373 | 549 |
| -0.013 | -0.2 | |||||||||
| LMIF 12 | 12 | — | 21 | 0 | 30 | ±0.3 | 42 | 0 | 412 | 598 |
| -0.013 | -0.2 | |||||||||
| LMIF 13 | 13 | — | 23 | 0 | 32 | ±0.3 | 43 | 0 | 510 | 775 |
| -0.013 | -0.2 | |||||||||
| LMIF 16 | 16 | — | 28 | 0 | 37 | ±0.3 | 48 | 0 | 775 | 1180 |
| -0.013 | -0.2 | |||||||||
| LMIF 20 | 20 | — | 32 | 0 | 42 | ±0.3 | 54 | 0 | 863 | 1370 |
| -0.016 | -0.2 | |||||||||
| LMIF 25 | 25 | — | 40 | 0 | 59 | ±0.3 | 62 | 0 | 980 | 1570 |
| -0.016 | -0.2 | |||||||||
LMIF-L

| Model No. | Main dimensions | Basic load rating | ||||||||
| Inscribed bore diameter | Outer diameter | Length | Flange diameter | Dynamic | Static | |||||
| rating | rating | |||||||||
| dr | Tolerance | D | Tolerance | L | Tolerance | D1 | Tolerance | C | C0 | |
| mm | mm | mm | mm | mm | mm | mm | mm | N | N | |
| LMIF 6L | 6 | — | 12 | 0 | 35 | ±0.3 | 28 | 0 | 324 | 529 |
| -0.013 | -0.2 | |||||||||
| LMIF 8L | 8 | — | 15 | 0 | 45 | ±0.3 | 32 | 0 | 431 | 784 |
| -0.013 | -0.2 | |||||||||
| LMIF 10L | 10 | — | 19 | 0 | 55 | ±0.3 | 39 | 0 | 588 | 1100 |
| -0.016 | -0.2 | |||||||||
| LMIF 12L | 12 | — | 21 | 0 | 57 | ±0.3 | 42 | 0 | 657 | 1200 |
| -0.016 | -0.2 | |||||||||
| LMIF 13L | 13 | — | 23 | 0 | 61 | ±0.3 | 43 | 0 | 814 | 1570 |
| -0.016 | -0.2 | |||||||||
| LMIF 16L | 16 | — | 28 | 0 | 70 | ±0.3 | 48 | 0 | 1230 | 2350 |
| -0.016 | -0.2 | |||||||||
| LMIF 20L | 20 | — | 32 | 0 | 80 | ±0.3 | 54 | 0 | 1400 | 2750 |
| -0.019 | -0.2 | |||||||||
| LMIF 25L | 25 | — | 40 | 0 | 112 | ±0.3 | 62 | 0 | 1560 | 3140 |
| -0.019 | -0.2 | |||||||||
LMIF

| Model No. | Inscribed bore diameter | Outer diameter | Length |
| dr | D | L | |
| mm | mm | mm | |
| LMIF 6 | 6 | 12 | 19 |
| LMIF 8 | 8 | 15 | 24 |
| LMIF 10 | 10 | 19 | 29 |
| LMIF 12 | 12 | 21 | 30 |
| LMIF 13 | 13 | 23 | 32 |
| LMIF 16 | 16 | 28 | 37 |
| LMIF 20 | 20 | 32 | 42 |
| LMIF 25 | 25 | 40 | 59 |
LMIF-L

| Model No. | Inscribed bore diameter | Outer diameter | Length |
| dr | D | L | |
| mm | mm | mm | |
| LMIF 6L | 6 | 12 | 35 |
| LMIF 8L | 8 | 15 | 45 |
| LMIF 10L | 10 | 19 | 55 |
| LMIF 12L | 12 | 21 | 57 |
| LMIF 13L | 13 | 23 | 61 |
| LMIF 16L | 16 | 28 | 70 |
| LMIF 20L | 20 | 32 | 80 |
| LMIF 25L | 25 | 40 | 112 |
Circular Flange Model LMCF-L
Circular Flange Model LMCF-L

| Model No. | Main dimensions | Basic load rating | ||||||||
| Inscribed bore diameter | Outer diameter | Length | Flange diameter | Dynamic | Static | |||||
| rating | rating | |||||||||
| dr | Tolerance | D | Tolerance | L | Tolerance | D1 | Tolerance | C | C0 | |
| mm | mm | mm | mm | mm | mm | mm | mm | N | N | |
| LMCF 6L | 6 | — | 12 | 0 | 35 | ±0.3 | 28 | 0 | 324 | 529 |
| -0.013 | -0.2 | |||||||||
| LMCF 8L | 8 | — | 15 | 0 | 45 | ±0.3 | 32 | 0 | 431 | 784 |
| -0.013 | -0.2 | |||||||||
| LMCF 10L | 10 | — | 19 | 0 | 55 | ±0.3 | 39 | 0 | 588 | 1100 |
| -0.016 | -0.2 | |||||||||
| LMCF 12L | 12 | — | 21 | 0 | 57 | ±0.3 | 42 | 0 | 657 | 1200 |
| -0.016 | -0.2 | |||||||||
| LMCF 13L | 13 | — | 23 | 0 | 61 | ±0.3 | 43 | 0 | 814 | 1570 |
| -0.016 | -0.2 | |||||||||
| LMCF 16L | 16 | — | 28 | 0 | 70 | ±0.3 | 48 | 0 | 1230 | 2350 |
| -0.016 | -0.2 | |||||||||
| LMCF 20L | 20 | — | 32 | 0 | 80 | ±0.3 | 54 | 0 | 1400 | 2750 |
| -0.019 | -0.2 | |||||||||
| LMCF 25L | 25 | — | 40 | 0 | 112 | ±0.3 | 62 | 0 | 1560 | 3140 |
| -0.019 | -0.2 | |||||||||
Circular Flange Model LMCF-L

| Model No. | Inscribed bore diameter | Outer diameter | Length |
| dr | D | L | |
| mm | mm | mm | |
| LMCF 6L | 6 | 12 | 35 |
| LMCF 8L | 8 | 15 | 45 |
| LMCF 10L | 10 | 19 | 55 |
| LMCF 12L | 12 | 21 | 57 |
| LMCF 13L | 13 | 23 | 61 |
| LMCF 16L | 16 | 28 | 70 |
| LMCF 20L | 20 | 32 | 80 |
| LMCF 25L | 25 | 40 | 112 |
Square Flange Model LMK
LMK

| Model No. | Main dimensions | Basic load rating | |||||||||
| Inscribed bore diameter | Outer diameter | Length | Flange diameter | K | Dynamic | Static | |||||
| rating | rating | ||||||||||
| dr | Tolerance | D | Tolerance | L | Tolerance | D1 | Tolerance | C | C0 | ||
| mm | mm | mm | mm | mm | mm | mm | mm | mm | N | N | |
| LMK 6 | 6 | 0 | 12 | 0 | 19 | 0 | 28 | 0 | 22 | 206 | 265 |
| –0.009 | –0.011 | –0.2 | –0.2 | ||||||||
| LMK 8S | 8 | 0 | 15 | 0 | 17 | 0 | 32 | 0 | 25 | 176 | 225 |
| –0.009 | –0.011 | –0.2 | –0.2 | ||||||||
| LMK 8 | 8 | 0 | 15 | 0 | 24 | 0 | 32 | 0 | 25 | 265 | 402 |
| –0.009 | –0.011 | –0.2 | –0.2 | ||||||||
| LMK 10 | 10 | 0 | 19 | 0 | 29 | 0 | 39 | 0 | 30 | 373 | 549 |
| –0.009 | –0.013 | –0.2 | –0.2 | ||||||||
| LMK 12 | 12 | 0 | 21 | 0 | 30 | 0 | 42 | 0 | 32 | 412 | 598 |
| –0.009 | –0.013 | –0.2 | –0.2 | ||||||||
| LMK 13 | 13 | 0 | 23 | 0 | 32 | 0 | 43 | 0 | 34 | 510 | 775 |
| –0.009 | –0.013 | –0.2 | –0.2 | ||||||||
| LMK 16 | 16 | 0 | 28 | 0 | 37 | 0 | 48 | 0 | 37 | 775 | 1180 |
| –0.009 | –0.013 | –0.2 | –0.2 | ||||||||
| LMK 20 | 20 | 0 | 32 | 0 | 42 | 0 | 54 | 0 | 42 | 863 | 1370 |
| –0.010 | –0.016 | –0.2 | –0.2 | ||||||||
| LMK 25 | 25 | 0 | 40 | 0 | 59 | 0 | 62 | 0 | 50 | 980 | 1570 |
| –0.010 | –0.016 | –0.3 | –0.2 | ||||||||
| LMK 30 | 30 | 0 | 45 | 0 | 64 | 0 | 74 | 0 | 58 | 1570 | 2750 |
| –0.010 | –0.016 | –0.3 | –0.2 | ||||||||
| LMK 35 | 35 | 0 | 52 | 0 | 70 | 0 | 82 | 0 | 64 | 1670 | 3140 |
| –0.012 | –0.019 | –0.3 | –0.2 | ||||||||
| LMK 40 | 40 | 0 | 60 | 0 | 80 | 0 | 96 | 0 | 75 | 2160 | 4020 |
| –0.012 | –0.019 | –0.3 | –0.3 | ||||||||
| LMK 50 | 50 | 0 | 80 | 0 | 100 | 0 | 116 | 0 | 92 | 3820 | 7940 |
| –0.012 | –0.019 | –0.3 | –0.3 | ||||||||
| LMK 60 | 60 | 0 | 90 | 0 | 110 | 0 | 134 | 0 | 106 | 4710 | 10000 |
| –0.015 | –0.022 | –0.3 | –0.3 | ||||||||
LMK-M

| Model No. | Main dimensions | Basic load rating | |||||||||
| Inscribed bore diameter | Outer diameter | Length | Flange diameter | K | Dynamic | Static | |||||
| rating | rating | ||||||||||
| dr | Tolerance | D | Tolerance | L | Tolerance | D1 | Tolerance | C | C0 | ||
| mm | mm | mm | mm | mm | mm | mm | mm | mm | N | N | |
| LMK 6M | 6 | 0 | 12 | 0 | 19 | 0 | 28 | 0 | 22 | 206 | 265 |
| –0.009 | –0.011 | –0.2 | –0.2 | ||||||||
| LMK 8SM | 8 | 0 | 15 | 0 | 17 | 0 | 32 | 0 | 25 | 176 | 225 |
| –0.009 | –0.011 | –0.2 | –0.2 | ||||||||
| LMK 8M | 8 | 0 | 15 | 0 | 24 | 0 | 32 | 0 | 25 | 265 | 402 |
| –0.009 | –0.011 | –0.2 | –0.2 | ||||||||
| LMK 10M | 10 | 0 | 19 | 0 | 29 | 0 | 39 | 0 | 30 | 373 | 549 |
| –0.009 | –0.013 | –0.2 | –0.2 | ||||||||
| LMK 12M | 12 | 0 | 21 | 0 | 30 | 0 | 42 | 0 | 32 | 412 | 598 |
| –0.009 | –0.013 | –0.2 | –0.2 | ||||||||
| LMK 13M | 13 | 0 | 23 | 0 | 32 | 0 | 43 | 0 | 34 | 510 | 775 |
| –0.009 | –0.013 | –0.2 | –0.2 | ||||||||
| LMK 16M | 16 | 0 | 28 | 0 | 37 | 0 | 48 | 0 | 37 | 775 | 1180 |
| –0.009 | –0.013 | –0.2 | –0.2 | ||||||||
| LMK 20M | 20 | 0 | 32 | 0 | 42 | 0 | 54 | 0 | 42 | 863 | 1370 |
| –0.010 | –0.016 | –0.2 | –0.2 | ||||||||
| LMK 25M | 25 | 0 | 40 | 0 | 59 | 0 | 62 | 0 | 50 | 980 | 1570 |
| –0.010 | –0.016 | –0.3 | –0.2 | ||||||||
| LMK 30M | 30 | 0 | 45 | 0 | 64 | 0 | 74 | 0 | 58 | 1570 | 2750 |
| –0.010 | –0.016 | –0.3 | –0.2 | ||||||||
LMK-L

| Model No. | Main dimensions | Basic load rating | |||||||||
| Inscribed bore diameter | Outer diameter | Length | Flange diameter | K | Dynamic | Static | |||||
| rating | rating | ||||||||||
| dr | Tolerance | D | Tolerance | L | Tolerance | D1 | Tolerance | C | C0 | ||
| mm | mm | mm | mm | mm | mm | mm | mm | mm | N | N | |
| LMK 6L | 6 | 0 | 12 | 0 | 35 | 0 | 28 | 0 | 22 | 324 | 529 |
| –0.010 | –0.013 | –0.3 | –0.2 | ||||||||
| LMK 8L | 8 | 0 | 15 | 0 | 45 | 0 | 32 | 0 | 25 | 431 | 784 |
| –0.010 | –0.013 | –0.3 | –0.2 | ||||||||
| LMK 10L | 10 | 0 | 19 | 0 | 55 | 0 | 39 | 0 | 30 | 588 | 1100 |
| –0.010 | –0.016 | –0.3 | –0.2 | ||||||||
| LMK 12L | 12 | 0 | 21 | 0 | 57 | 0 | 42 | 0 | 32 | 657 | 1200 |
| –0.010 | –0.016 | –0.3 | –0.2 | ||||||||
| LMK 13L | 13 | 0 | 23 | 0 | 61 | 0 | 43 | 0 | 34 | 814 | 1570 |
| –0.010 | –0.016 | –0.3 | –0.2 | ||||||||
| LMK 16L | 16 | 0 | 28 | 0 | 70 | 0 | 48 | 0 | 37 | 1230 | 2350 |
| –0.010 | –0.016 | –0.3 | –0.2 | ||||||||
| LMK 20L | 20 | 0 | 32 | 0 | 80 | 0 | 54 | 0 | 42 | 1400 | 2750 |
| –0.012 | –0.019 | –0.3 | –0.2 | ||||||||
| LMK 25L | 25 | 0 | 40 | 0 | 112 | 0 | 62 | 0 | 50 | 1560 | 3140 |
| –0.012 | –0.019 | –0.4 | –0.2 | ||||||||
| LMK 30L | 30 | 0 | 45 | 0 | 123 | 0 | 74 | 0 | 58 | 2490 | 5490 |
| –0.012 | –0.019 | –0.4 | –0.2 | ||||||||
| LMK 35L | 35 | 0 | 52 | 0 | 135 | 0 | 82 | 0 | 64 | 2650 | 6270 |
| –0.015 | –0.022 | –0.4 | –0.2 | ||||||||
| LMK 40L | 40 | 0 | 60 | 0 | 154 | 0 | 96 | 0 | 75 | 3430 | 8040 |
| –0.015 | –0.022 | –0.4 | –0.3 | ||||||||
| LMK 50L | 50 | 0 | 80 | 0 | 192 | 0 | 116 | 0 | 92 | 6080 | 15900 |
| –0.015 | –0.022 | –0.4 | –0.3 | ||||||||
| LMK 60L | 60 | 0 | 90 | 0 | 211 | 0 | 134 | 0 | 106 | 7650 | 20000 |
| –0.020 | –0.025 | –0.4 | –0.3 | ||||||||
LMK-ML

| Model No. | Main dimensions | Basic load rating | |||||||||
| Inscribed bore diameter | Outer diameter | Length | Flange diameter | K | Dynamic | Static | |||||
| rating | rating | ||||||||||
| dr | Tolerance | D | Tolerance | L | Tolerance | D1 | Tolerance | C | C0 | ||
| mm | mm | mm | mm | mm | mm | mm | mm | mm | N | N | |
| LMK 6ML | 6 | 0 | 12 | 0 | 35 | 0 | 28 | 0 | 22 | 324 | 529 |
| –0.010 | –0.013 | –0.3 | –0.2 | ||||||||
| LMK 8ML | 8 | 0 | 15 | 0 | 45 | 0 | 32 | 0 | 25 | 431 | 784 |
| –0.010 | –0.013 | –0.3 | –0.2 | ||||||||
| LMK 10ML | 10 | 0 | 19 | 0 | 55 | 0 | 39 | 0 | 30 | 588 | 1100 |
| –0.010 | –0.016 | –0.3 | –0.2 | ||||||||
| LMK 12ML | 12 | 0 | 21 | 0 | 57 | 0 | 42 | 0 | 32 | 657 | 1200 |
| –0.010 | –0.016 | –0.3 | –0.2 | ||||||||
| LMK 13ML | 13 | 0 | 23 | 0 | 61 | 0 | 43 | 0 | 34 | 814 | 1570 |
| –0.010 | –0.016 | –0.3 | –0.2 | ||||||||
| LMK 16ML | 16 | 0 | 28 | 0 | 70 | 0 | 48 | 0 | 37 | 1230 | 2350 |
| –0.010 | –0.016 | –0.3 | –0.2 | ||||||||
| LMK 20ML | 20 | 0 | 32 | 0 | 80 | 0 | 54 | 0 | 42 | 1400 | 2750 |
| –0.012 | –0.019 | –0.3 | –0.2 | ||||||||
| LMK 25ML | 25 | 0 | 40 | 0 | 112 | 0 | 62 | 0 | 50 | 1560 | 3140 |
| –0.012 | –0.019 | –0.4 | –0.2 | ||||||||
| LMK 30ML | 30 | 0 | 45 | 0 | 123 | 0 | 74 | 0 | 58 | 2490 | 5490 |
| –0.012 | –0.019 | –0.4 | –0.2 | ||||||||
LMK

| Model No. | Inscribed bore diameter | Outer diameter | Length |
| dr | D | L | |
| mm | mm | mm | |
| LMK 6 | 6 | 12 | 19 |
| LMK 8S | 8 | 15 | 17 |
| LMK 8 | 8 | 15 | 24 |
| LMK 10 | 10 | 19 | 29 |
| LMK 12 | 12 | 21 | 30 |
| LMK 13 | 13 | 23 | 32 |
| LMK 16 | 16 | 28 | 37 |
| LMK 20 | 20 | 32 | 42 |
| LMK 25 | 25 | 40 | 59 |
| LMK 30 | 30 | 45 | 64 |
| LMK 35 | 35 | 52 | 70 |
| LMK 40 | 40 | 60 | 80 |
| LMK 50 | 50 | 80 | 100 |
| LMK 60 | 60 | 90 | 110 |
LMK-M

| Model No. | Inscribed bore diameter | Outer diameter | Length |
| dr | D | L | |
| mm | mm | mm | |
| LMK 6M | 6 | 12 | 19 |
| LMK 8SM | 8 | 15 | 17 |
| LMK 8M | 8 | 15 | 24 |
| LMK 10M | 10 | 19 | 29 |
| LMK 12M | 12 | 21 | 30 |
| LMK 13M | 13 | 23 | 32 |
| LMK 16M | 16 | 28 | 37 |
| LMK 20M | 20 | 32 | 42 |
| LMK 25M | 25 | 40 | 59 |
| LMK 30M | 30 | 45 | 64 |
LMK-L

| Model No. | Inscribed bore diameter | Outer diameter | Length |
| dr | D | L | |
| mm | mm | mm | |
| LMK 6L | 6 | 12 | 35 |
| LMK 8L | 8 | 15 | 45 |
| LMK 10L | 10 | 19 | 55 |
| LMK 12L | 12 | 21 | 57 |
| LMK 13L | 13 | 23 | 61 |
| LMK 16L | 16 | 28 | 70 |
| LMK 20L | 20 | 32 | 80 |
| LMK 25L | 25 | 40 | 112 |
| LMK 30L | 30 | 45 | 123 |
| LMK 35L | 35 | 52 | 135 |
| LMK 40L | 40 | 60 | 154 |
| LMK 50L | 50 | 80 | 192 |
| LMK 60L | 60 | 90 | 211 |
LMK-ML

| Model No. | Inscribed bore diameter | Outer diameter | Length |
| dr | D | L | |
| mm | mm | mm | |
| LMK 6ML | 6 | 12 | 35 |
| LMK 8ML | 8 | 15 | 45 |
| LMK 10ML | 10 | 19 | 55 |
| LMK 12ML | 12 | 21 | 57 |
| LMK 13ML | 13 | 23 | 61 |
| LMK 16ML | 16 | 28 | 70 |
| LMK 20ML | 20 | 32 | 80 |
| LMK 25ML | 25 | 40 | 112 |
| LMK 30ML | 30 | 45 | 123 |
Lightweight Flanged Type (Square) Model LMJK
LMJK

| Model No. | Main dimensions | Basic load rating | ||||||||
| Inscribed bore diameter | Outer diameter | Length | Flange diameter | Dynamic | Static | |||||
| rating | rating | |||||||||
| dr | Tolerance | D | Tolerance | L | Tolerance | D1 | Tolerance | C | C0 | |
| mm | mm | mm | mm | mm | mm | mm | mm | N | N | |
| LMJK 8 | 8 | 0 | 15 | 0 | 24 | 0 | 32 | 0 | 265 | 402 |
| -0.009 | –0.011 | –0.2 | –0.2 | |||||||
| LMJK 10 | 10 | 0 | 19 | 0 | 29 | 0 | 39 | 0 | 373 | 549 |
| -0.009 | –0.013 | –0.2 | –0.2 | |||||||
| LMJK 12 | 12 | 0 | 21 | 0 | 30 | 0 | 42 | 0 | 412 | 598 |
| -0.009 | –0.013 | –0.2 | –0.2 | |||||||
| LMJK 16 | 16 | 0 | 28 | 0 | 37 | 0 | 48 | 0 | 775 | 1180 |
| -0.009 | –0.013 | –0.2 | –0.2 | |||||||
| LMJK 20 | 20 | 0 | 32 | 0 | 42 | 0 | 54 | 0 | 863 | 1370 |
| -0.01 | –0.016 | –0.2 | –0.2 | |||||||
| LMJK 25 | 25 | 0 | 40 | 0 | 59 | 0 | 62 | 0 | 980 | 1570 |
| -0.01 | –0.016 | –0.3 | –0.2 | |||||||
LMJK-L

| Model No. | Main dimensions | Basic load rating | ||||||||
| Inscribed bore diameter | Outer diameter | Length | Flange diameter | Dynamic | Static | |||||
| rating | rating | |||||||||
| dr | Tolerance | D | Tolerance | L | Tolerance | D1 | Tolerance | C | C0 | |
| mm | mm | mm | mm | mm | mm | mm | mm | N | N | |
| LMJK 8L | 8 | 0 | 15 | 0 | 45 | 0 | 32 | 0 | 431 | 784 |
| -0.01 | –0.013 | –0.3 | –0.2 | |||||||
| LMJK 10L | 10 | 0 | 19 | 0 | 55 | 0 | 39 | 0 | 588 | 1100 |
| -0.01 | –0.016 | –0.3 | –0.2 | |||||||
| LMJK 12L | 12 | 0 | 21 | 0 | 57 | 0 | 42 | 0 | 657 | 1200 |
| -0.01 | –0.016 | –0.3 | –0.2 | |||||||
| LMJK 16L | 16 | 0 | 28 | 0 | 70 | 0 | 48 | 0 | 1230 | 2350 |
| -0.01 | –0.016 | –0.3 | –0.2 | |||||||
| LMJK 20L | 20 | 0 | 32 | 0 | 80 | 0 | 54 | 0 | 1400 | 2750 |
| -0.012 | –0.019 | –0.3 | –0.2 | |||||||
| LMJK 25L | 25 | 0 | 40 | 0 | 112 | 0 | 62 | 0 | 1560 | 3140 |
| -0.012 | –0.019 | –0.4 | –0.2 | |||||||
LMJK

| Model No. |
Outer diameter | Length | Flange diameter |
| D | L | D1 | |
| mm | mm | mm | |
| LMJK 8 | 15 | 24 | 32 |
| LMJK 10 | 19 | 29 | 39 |
| LMJK 12 | 21 | 30 | 42 |
| LMJK 16 | 28 | 37 | 48 |
| LMJK 20 | 32 | 42 | 54 |
| LMJK 25 | 40 | 59 | 62 |
LMJK-L

| Model No. |
Outer diameter | Length | Flange diameter |
| D | L | D1 | |
| mm | mm | mm | |
| LMJK 8L | 15 | 45 | 32 |
| LMJK 10L | 19 | 55 | 39 |
| LMJK 12L | 21 | 57 | 42 |
| LMJK 16L | 28 | 70 | 48 |
| LMJK 20L | 32 | 80 | 54 |
| LMJK 25L | 40 | 112 | 62 |
Square Flange Model LMIK
LMIK

| Model No. | Main dimensions | Basic load rating | ||||||||
| Inscribed bore diameter | Outer diameter | Length | Flange diameter | Dynamic | Static | |||||
| rating | rating | |||||||||
| dr | Tolerance | D | Tolerance | L | Tolerance | D1 | Tolerance | C | C0 | |
| mm | mm | mm | mm | mm | mm | mm | mm | N | N | |
| LMIK 6 | 6 | — | 12 | 0 | 19 | ±0.3 | 28 | 0 | 206 | 265 |
| -0.011 | -0.2 | |||||||||
| LMIK 8 | 8 | — | 15 | 0 | 24 | ±0.3 | 32 | 0 | 265 | 402 |
| -0.011 | -0.2 | |||||||||
| LMIK 10 | 10 | — | 19 | 0 | 29 | ±0.3 | 39 | 0 | 373 | 549 |
| -0.013 | -0.2 | |||||||||
| LMIK 12 | 12 | — | 21 | 0 | 30 | ±0.3 | 42 | 0 | 412 | 598 |
| -0.013 | -0.2 | |||||||||
| LMIK 13 | 13 | — | 23 | 0 | 32 | ±0.3 | 43 | 0 | 510 | 775 |
| -0.013 | -0.2 | |||||||||
| LMIK 16 | 16 | — | 28 | 0 | 37 | ±0.3 | 48 | 0 | 775 | 1180 |
| -0.013 | -0.2 | |||||||||
| LMIK 20 | 20 | — | 32 | 0 | 42 | ±0.3 | 54 | 0 | 863 | 1370 |
| -0.016 | -0.2 | |||||||||
| LMIK 25 | 25 | — | 40 | 0 | 59 | ±0.3 | 62 | 0 | 980 | 1570 |
| -0.016 | -0.2 | |||||||||
LMIK-L

| Model No. | Main dimensions | Basic load rating | ||||||||
| Inscribed bore diameter | Outer diameter | Length | Flange diameter | Dynamic | Static | |||||
| rating | rating | |||||||||
| dr | Tolerance | D | Tolerance | L | Tolerance | D1 | Tolerance | C | C0 | |
| mm | mm | mm | mm | mm | mm | mm | mm | N | N | |
| LMIK 6L | 6 | — | 12 | 0 | 35 | ±0.3 | 28 | 0 | 324 | 529 |
| -0.013 | -0.2 | |||||||||
| LMIK 8L | 8 | — | 15 | 0 | 45 | ±0.3 | 32 | 0 | 431 | 784 |
| -0.013 | -0.2 | |||||||||
| LMIK 10L | 10 | — | 19 | 0 | 55 | ±0.3 | 39 | 0 | 588 | 1100 |
| -0.016 | -0.2 | |||||||||
| LMIK 12L | 12 | — | 21 | 0 | 57 | ±0.3 | 42 | 0 | 657 | 1200 |
| -0.016 | -0.2 | |||||||||
| LMIK 13L | 13 | — | 23 | 0 | 61 | ±0.3 | 43 | 0 | 814 | 1570 |
| -0.016 | -0.2 | |||||||||
| LMIK 16L | 16 | — | 28 | 0 | 70 | ±0.3 | 48 | 0 | 1230 | 2350 |
| -0.016 | -0.2 | |||||||||
| LMIK 20L | 20 | — | 32 | 0 | 80 | ±0.3 | 54 | 0 | 1400 | 2750 |
| -0.019 | -0.2 | |||||||||
| LMIK 25L | 25 | — | 40 | 0 | 112 | ±0.3 | 62 | 0 | 1560 | 3140 |
| -0.019 | -0.2 | |||||||||
LMIK

| Model No. |
Outer diameter | Length | Flange diameter |
| D | L | D1 | |
| mm | mm | mm | |
| LMIK 6 | 12 | 19 | 28 |
| LMIK 8 | 15 | 24 | 32 |
| LMIK 10 | 19 | 29 | 39 |
| LMIK 12 | 21 | 30 | 42 |
| LMIK 13 | 23 | 32 | 43 |
| LMIK 16 | 28 | 37 | 48 |
| LMIK 20 | 32 | 42 | 54 |
| LMIK 25 | 40 | 59 | 62 |
LMIK-L

| Model No. |
Outer diameter | Length | Flange diameter |
| D | L | D1 | |
| mm | mm | mm | |
| LMIK 6L | 12 | 35 | 28 |
| LMIK 8L | 15 | 45 | 32 |
| LMIK 10L | 19 | 55 | 39 |
| LMIK 12L | 21 | 57 | 42 |
| LMIK 13L | 23 | 61 | 43 |
| LMIK 16L | 28 | 70 | 48 |
| LMIK 20L | 32 | 80 | 54 |
| LMIK 25L | 40 | 112 | 62 |
Square Flange Model LMCK-L
LMCK-L

| Model No. | Main dimensions | Basic load rating | ||||||||
| Inscribed bore diameter | Outer diameter | Length | Flange diameter | Dynamic | Static | |||||
| rating | rating | |||||||||
| dr | Tolerance | D | Tolerance | L | Tolerance | D1 | Tolerance | C | C0 | |
| mm | mm | mm | mm | mm | mm | mm | mm | N | N | |
| LMCK 6L | 6 | — | 12 | 0 | 35 | ±0.3 | 28 | 0 | 324 | 529 |
| -0.013 | -0.2 | |||||||||
| LMCK 8L | 8 | — | 15 | 0 | 45 | ±0.3 | 32 | 0 | 431 | 784 |
| -0.013 | -0.2 | |||||||||
| LMCK 10L | 10 | — | 19 | 0 | 55 | ±0.3 | 39 | 0 | 588 | 1100 |
| -0.016 | -0.2 | |||||||||
| LMCK 12L | 12 | — | 21 | 0 | 57 | ±0.3 | 42 | 0 | 657 | 1200 |
| -0.016 | -0.2 | |||||||||
| LMCK 13L | 13 | — | 23 | 0 | 61 | ±0.3 | 43 | 0 | 814 | 1570 |
| -0.016 | -0.2 | |||||||||
| LMCK 16L | 16 | — | 28 | 0 | 70 | ±0.3 | 48 | 0 | 1230 | 2350 |
| -0.016 | -0.2 | |||||||||
| LMCK 20L | 20 | — | 32 | 0 | 80 | ±0.3 | 54 | 0 | 1400 | 2750 |
| -0.019 | -0.2 | |||||||||
| LMCK 25L | 25 | — | 40 | 0 | 112 | ±0.3 | 62 | 0 | 1560 | 3140 |
| -0.019 | -0.2 | |||||||||
LMCK-L

| Model No. |
Outer diameter | Length | Flange diameter |
| D | L | D1 | |
| mm | mm | mm | |
| LMCK 6L | 12 | 35 | 28 |
| LMCK 8L | 15 | 45 | 32 |
| LMCK 10L | 19 | 55 | 39 |
| LMCK 12L | 21 | 57 | 42 |
| LMCK 13L | 23 | 61 | 43 |
| LMCK 16L | 28 | 70 | 48 |
| LMCK 20L | 32 | 80 | 54 |
| LMCK 25L | 40 | 112 | 62 |
Cut Flange Model LMH
LMH

| Model No. | Main dimensions | Basic load rating | ||||||||
| Inscribed bore diameter | Outer diameter | Length | Flange diameter | Dynamic | Static | |||||
| rating | rating | |||||||||
| dr | Tolerance | D | Tolerance | L | Tolerance | D1 | Tolerance | C | C0 | |
| mm | mm | mm | mm | mm | mm | mm | mm | N | N | |
| LMH 6 | 6 | 0 | 12 | 0 | 19 | 0 | 28 | 0 | 206 | 265 |
| –0.009 | –0.011 | –0.2 | –0.2 | |||||||
| LMH 8 | 8 | 0 | 15 | 0 | 24 | 0 | 32 | 0 | 265 | 402 |
| –0.009 | –0.011 | –0.2 | –0.2 | |||||||
| LMH 10 | 10 | 0 | 19 | 0 | 29 | 0 | 39 | 0 | 373 | 549 |
| –0.009 | –0.013 | –0.2 | –0.2 | |||||||
| LMH 12 | 12 | 0 | 21 | 0 | 30 | 0 | 42 | 0 | 412 | 598 |
| –0.009 | –0.013 | –0.2 | –0.2 | |||||||
| LMH 13 | 13 | 0 | 23 | 0 | 32 | 0 | 43 | 0 | 510 | 775 |
| –0.009 | –0.013 | –0.2 | –0.2 | |||||||
| LMH 16 | 16 | 0 | 28 | 0 | 37 | 0 | 48 | 0 | 775 | 1180 |
| –0.009 | –0.013 | –0.2 | –0.2 | |||||||
| LMH 20 | 20 | 0 | 32 | 0 | 42 | 0 | 54 | 0 | 863 | 1370 |
| –0.010 | –0.016 | –0.2 | –0.2 | |||||||
| LMH 25 | 25 | 0 | 40 | 0 | 59 | 0 | 62 | 0 | 980 | 1570 |
| –0.010 | –0.016 | –0.3 | –0.2 | |||||||
| LMH 30 | 30 | 0 | 45 | 0 | 64 | 0 | 74 | 0 | 1570 | 2750 |
| –0.010 | –0.016 | –0.3 | –0.2 | |||||||
LMH-L

| Model No. | Main dimensions | Basic load rating | ||||||||
| Inscribed bore diameter | Outer diameter | Length | Flange diameter | Dynamic | Static | |||||
| rating | rating | |||||||||
| dr | Tolerance | D | Tolerance | L | Tolerance | D1 | Tolerance | C | C0 | |
| mm | mm | mm | mm | mm | mm | mm | mm | N | N | |
| LMH 6L | 6 | 0 | 12 | 0 | 35 | 0 | 28 | 0 | 324 | 529 |
| –0.010 | –0.013 | –0.3 | –0.2 | |||||||
| LMH 8L | 8 | 0 | 15 | 0 | 45 | 0 | 32 | 0 | 431 | 784 |
| –0.010 | –0.013 | –0.3 | –0.2 | |||||||
| LMH 10L | 10 | 0 | 19 | 0 | 55 | 0 | 39 | 0 | 588 | 1100 |
| –0.010 | –0.016 | –0.3 | –0.2 | |||||||
| LMH 12L | 12 | 0 | 21 | 0 | 57 | 0 | 42 | 0 | 657 | 1200 |
| –0.010 | –0.016 | –0.3 | –0.2 | |||||||
| LMH 13L | 13 | 0 | 23 | 0 | 61 | 0 | 43 | 0 | 814 | 1570 |
| –0.010 | –0.016 | –0.3 | –0.2 | |||||||
| LMH 16L | 16 | 0 | 28 | 0 | 70 | 0 | 48 | 0 | 1230 | 2350 |
| –0.010 | –0.016 | –0.3 | –0.2 | |||||||
| LMH 20L | 20 | 0 | 32 | 0 | 80 | 0 | 54 | 0 | 1400 | 2750 |
| –0.012 | –0.019 | –0.3 | –0.2 | |||||||
| LMH 25L | 25 | 0 | 40 | 0 | 112 | 0 | 62 | 0 | 1560 | 3140 |
| –0.012 | –0.019 | –0.4 | –0.2 | |||||||
| LMH 30L | 30 | 0 | 45 | 0 | 123 | 0 | 74 | 0 | 2490 | 5490 |
| –0.012 | –0.019 | –0.4 | –0.2 | |||||||
LMH-M

| Model No. | Main dimensions | Basic load rating | ||||||||
| Inscribed bore diameter | Outer diameter | Length | Flange diameter | Dynamic | Static | |||||
| rating | rating | |||||||||
| dr | Tolerance | D | Tolerance | L | Tolerance | D1 | Tolerance | C | C0 | |
| mm | mm | mm | mm | mm | mm | mm | mm | N | N | |
| LMH 6M | 6 | 0 | 12 | 0 | 19 | 0 | 28 | 0 | 206 | 265 |
| -0.009 | -0.011 | -0.2 | -0.2 | |||||||
| LMH 8SM | 8 | 0 | 15 | 0 | 17 | 0 | 32 | 0 | 176 | 225 |
| -0.009 | -0.011 | -0.2 | -0.2 | |||||||
| LMH 8M | 8 | 0 | 15 | 0 | 24 | 0 | 32 | 0 | 265 | 402 |
| -0.009 | -0.011 | -0.2 | -0.2 | |||||||
| LMH 10M | 10 | 0 | 19 | 0 | 29 | 0 | 39 | 0 | 373 | 549 |
| -0.009 | -0.013 | -0.2 | -0.2 | |||||||
| LMH 12M | 12 | 0 | 21 | 0 | 30 | 0 | 42 | 0 | 412 | 598 |
| -0.009 | -0.013 | -0.2 | -0.2 | |||||||
| LMH 13M | 13 | 0 | 23 | 0 | 32 | 0 | 43 | 0 | 510 | 775 |
| -0.009 | -0.013 | -0.2 | -0.2 | |||||||
| LMH 16M | 16 | 0 | 28 | 0 | 37 | 0 | 48 | 0 | 775 | 1180 |
| -0.009 | -0.013 | -0.2 | -0.2 | |||||||
| LMH 20M | 20 | 0 | 32 | 0 | 42 | 0 | 54 | 0 | 863 | 1130 |
| -0.01 | -0.016 | -0.2 | -0.2 | |||||||
| LMH 25M | 25 | 0 | 40 | 0 | 59 | 0 | 62 | 0 | 980 | 1570 |
| -0.01 | -0.016 | -0.3 | -0.2 | |||||||
| LMH 30M | 30 | 0 | 45 | 0 | 64 | 0 | 74 | 0 | 1570 | 2750 |
| -0.01 | -0.016 | -0.3 | -0.2 | |||||||
LMH-ML

| Model No. | Main dimensions | Basic load rating | ||||||||
| Inscribed bore diameter | Outer diameter | Length | Flange diameter | Dynamic | Static | |||||
| rating | rating | |||||||||
| dr | Tolerance | D | Tolerance | L | Tolerance | D1 | Tolerance | C | C0 | |
| mm | mm | mm | mm | mm | mm | mm | mm | N | N | |
| LMH 6ML | 6 | 0 | 12 | 0 | 35 | 0 | 28 | 0 | 324 | 529 |
| -0.01 | -0.013 | -0.3 | -0.2 | |||||||
| LMH 8ML | 8 | 0 | 15 | 0 | 45 | 0 | 32 | 0 | 431 | 784 |
| -0.01 | -0.013 | -0.3 | -0.2 | |||||||
| LMH 10ML | 10 | 0 | 19 | 0 | 55 | 0 | 39 | 0 | 588 | 1100 |
| -0.01 | -0.016 | -0.3 | -0.2 | |||||||
| LMH 12ML | 12 | 0 | 21 | 0 | 57 | 0 | 42 | 0 | 657 | 1200 |
| -0.01 | -0.016 | -0.3 | -0.2 | |||||||
| LMH 13ML | 13 | 0 | 23 | 0 | 61 | 0 | 43 | 0 | 814 | 1570 |
| -0.01 | -0.016 | -0.3 | -0.2 | |||||||
| LMH 16ML | 16 | 0 | 28 | 0 | 70 | 0 | 48 | 0 | 1230 | 2350 |
| -0.01 | -0.016 | -0.3 | -0.2 | |||||||
| LMH 20ML | 20 | 0 | 32 | 0 | 80 | 0 | 54 | 0 | 1400 | 2750 |
| -0.012 | -0.019 | -0.3 | -0.2 | |||||||
| LMH 25ML | 25 | 0 | 40 | 0 | 112 | 0 | 62 | 0 | 1560 | 3140 |
| -0.012 | -0.019 | -0.4 | -0.2 | |||||||
| LMH 30ML | 30 | 0 | 45 | 0 | 123 | 0 | 74 | 0 | 2490 | 5490 |
| -0.012 | -0.019 | -0.4 | -0.2 | |||||||
LMH

| Model No. |
Outer diameter | Length | Flange diameter |
| D | L | D1 | |
| mm | mm | mm | |
| LMH 6 | 12 | 19 | 28 |
| LMH 8 | 15 | 24 | 32 |
| LMH 10 | 19 | 29 | 39 |
| LMH 12 | 21 | 30 | 42 |
| LMH 13 | 23 | 32 | 43 |
| LMH 16 | 28 | 37 | 48 |
| LMH 20 | 32 | 42 | 54 |
| LMH 25 | 40 | 59 | 62 |
| LMH 30 | 45 | 64 | 74 |
LMH-L

| Model No. |
Outer diameter | Length | Flange diameter |
| D | L | D1 | |
| mm | mm | mm | |
| LMH 6L | 12 | 35 | 28 |
| LMH 8L | 15 | 45 | 32 |
| LMH 10L | 19 | 55 | 39 |
| LMH 12L | 21 | 57 | 42 |
| LMH 13L | 23 | 61 | 43 |
| LMH 16L | 28 | 70 | 48 |
| LMH 20L | 32 | 80 | 54 |
| LMH 25L | 40 | 112 | 62 |
| LMH 30L | 45 | 123 | 74 |
LMH-M

| Model No. |
Outer diameter | Length | Flange diameter |
| D | L | D1 | |
| mm | mm | mm | |
| LMH 6M | 12 | 19 | 28 |
| LMH 8SM | 15 | 17 | 32 |
| LMH 8M | 15 | 24 | 32 |
| LMH 10M | 19 | 29 | 39 |
| LMH 12M | 21 | 30 | 42 |
| LMH 13M | 23 | 32 | 43 |
| LMH 16M | 28 | 37 | 48 |
| LMH 20M | 32 | 42 | 54 |
| LMH 25M | 40 | 59 | 62 |
| LMH 30M | 45 | 64 | 74 |
LMH-ML

| Model No. |
Outer diameter | Length | Flange diameter |
| D | L | D1 | |
| mm | mm | mm | |
| LMH 6ML | 12 | 35 | 28 |
| LMH 8ML | 15 | 45 | 32 |
| LMH 10ML | 19 | 55 | 39 |
| LMH 12ML | 21 | 57 | 42 |
| LMH 13ML | 23 | 61 | 43 |
| LMH 16ML | 28 | 70 | 48 |
| LMH 20ML | 32 | 80 | 54 |
| LMH 25ML | 40 | 112 | 62 |
| LMH 30ML | 45 | 123 | 74 |
Cut Flange Model LMIH
LMIH
| Model No. | Main dimensions | Basic load rating | ||||||||
| Inscribed bore diameter | Outer diameter | Length | Flange diameter | Dynamic | Static | |||||
| rating | rating | |||||||||
| dr | Tolerance | D | Tolerance | L | Tolerance | D1 | Tolerance | C | C0 | |
| mm | mm | mm | mm | mm | mm | mm | mm | N | N | |
| LMIH 6 | 6 | — | 12 | 0 | 19 | ±0.3 | 28 | 0 | 206 | 265 |
| -0.011 | -0.2 | |||||||||
| LMIH 8 | 8 | — | 15 | 0 | 24 | ±0.3 | 32 | 0 | 265 | 402 |
| -0.011 | -0.2 | |||||||||
| LMIH 10 | 10 | — | 19 | 0 | 29 | ±0.3 | 39 | 0 | 373 | 549 |
| -0.013 | -0.2 | |||||||||
| LMIH 12 | 12 | — | 21 | 0 | 30 | ±0.3 | 42 | 0 | 412 | 598 |
| -0.013 | -0.2 | |||||||||
| LMIH 13 | 13 | — | 23 | 0 | 32 | ±0.3 | 43 | 0 | 510 | 775 |
| -0.013 | -0.2 | |||||||||
| LMIH 16 | 16 | — | 28 | 0 | 37 | ±0.3 | 48 | 0 | 775 | 1180 |
| -0.013 | -0.2 | |||||||||
| LMIH 20 | 20 | — | 32 | 0 | 42 | ±0.3 | 54 | 0 | 863 | 1370 |
| -0.016 | -0.2 | |||||||||
| LMIH 25 | 25 | — | 40 | 0 | 59 | ±0.3 | 62 | 0 | 980 | 1570 |
| -0.016 | -0.2 | |||||||||
LMIH-L
| Model No. | Main dimensions | Basic load rating | ||||||||
| Inscribed bore diameter | Outer diameter | Length | Flange diameter | Dynamic | Static | |||||
| rating | rating | |||||||||
| dr | Tolerance | D | Tolerance | L | Tolerance | D1 | Tolerance | C | C0 | |
| mm | mm | mm | mm | mm | mm | mm | mm | N | N | |
| LMIH 6L | 6 | — | 12 | 0 | 35 | ±0.3 | 28 | 0 | 324 | 529 |
| -0.013 | -0.2 | |||||||||
| LMIH 8L | 8 | — | 15 | 0 | 45 | ±0.3 | 32 | 0 | 431 | 784 |
| -0.013 | -0.2 | |||||||||
| LMIH 10L | 10 | — | 19 | 0 | 55 | ±0.3 | 39 | 0 | 588 | 1100 |
| -0.016 | -0.2 | |||||||||
| LMIH 12L | 12 | — | 21 | 0 | 57 | ±0.3 | 42 | 0 | 657 | 1200 |
| -0.016 | -0.2 | |||||||||
| LMIH 13L | 13 | — | 23 | 0 | 61 | ±0.3 | 43 | 0 | 814 | 1570 |
| -0.016 | -0.2 | |||||||||
| LMIH 16L | 16 | — | 28 | 0 | 70 | ±0.3 | 48 | 0 | 1230 | 2350 |
| -0.016 | -0.2 | |||||||||
| LMIH 20L | 20 | — | 32 | 0 | 80 | ±0.3 | 54 | 0 | 1400 | 2750 |
| -0.019 | -0.2 | |||||||||
| LMIH 25L | 25 | — | 40 | 0 | 112 | ±0.3 | 62 | 0 | 1560 | 3140 |
| -0.019 | -0.2 | |||||||||
LMIH

| Model No. |
Outer diameter | Length | Flange diameter |
| D | L | D1 | |
| mm | mm | mm | |
| LMIH 6 | 12 | 19 | 28 |
| LMIH 8 | 15 | 24 | 32 |
| LMIH 10 | 19 | 29 | 39 |
| LMIH 12 | 21 | 30 | 42 |
| LMIH 13 | 23 | 32 | 43 |
| LMIH 16 | 28 | 37 | 48 |
| LMIH 20 | 32 | 42 | 54 |
| LMIH 25 | 40 | 59 | 62 |
LMIH-L

| Model No. |
Outer diameter | Length | Flange diameter |
| D | L | D1 | |
| mm | mm | mm | |
| LMIH 6L | 12 | 35 | 28 |
| LMIH 8L | 15 | 45 | 32 |
| LMIH 10L | 19 | 55 | 39 |
| LMIH 12L | 21 | 57 | 42 |
| LMIH 13L | 23 | 61 | 43 |
| LMIH 16L | 28 | 70 | 48 |
| LMIH 20L | 32 | 80 | 54 |
| LMIH 25L | 40 | 112 | 62 |
Cut Flange Model LMCH-L
LMCH-L

| Model No. | Main dimensions | Basic load rating | ||||||||
| Inscribed bore diameter | Outer diameter | Length | Flange diameter | Dynamic | Static | |||||
| rating | rating | |||||||||
| dr | Tolerance | D | Tolerance | L | Tolerance | D1 | Tolerance | C | C0 | |
| mm | mm | mm | mm | mm | mm | mm | mm | N | N | |
| LMCH 6L | 6 | — | 12 | 0 | 35 | ±0.3 | 28 | 0 | 324 | 529 |
| -0.013 | -0.2 | |||||||||
| LMCH 8L | 8 | — | 15 | 0 | 45 | ±0.3 | 32 | 0 | 431 | 784 |
| -0.013 | -0.2 | |||||||||
| LMCH 10L | 10 | — | 19 | 0 | 55 | ±0.3 | 39 | 0 | 588 | 1100 |
| -0.016 | -0.2 | |||||||||
| LMCH 12L | 12 | — | 21 | 0 | 57 | ±0.3 | 42 | 0 | 657 | 1200 |
| -0.016 | -0.2 | |||||||||
| LMCH 13L | 13 | — | 23 | 0 | 61 | ±0.3 | 43 | 0 | 814 | 1570 |
| -0.016 | -0.2 | |||||||||
| LMCH 16L | 16 | — | 28 | 0 | 70 | ±0.3 | 48 | 0 | 1230 | 2350 |
| -0.016 | -0.2 | |||||||||
| LMCH 20L | 20 | — | 32 | 0 | 80 | ±0.3 | 54 | 0 | 1400 | 2750 |
| -0.019 | -0.2 | |||||||||
| LMCH 25L | 25 | — | 40 | 0 | 112 | ±0.3 | 62 | 0 | 1560 | 3140 |
| -0.019 | -0.2 | |||||||||
LMCH-L

| Model No. |
Outer diameter | Length | Flange diameter |
| D | L | D1 | |
| mm | mm | mm | |
| LMCH 6L | 12 | 35 | 28 |
| LMCH 8L | 15 | 45 | 32 |
| LMCH 10L | 19 | 55 | 39 |
| LMCH 12L | 21 | 57 | 42 |
| LMCH 13L | 23 | 61 | 43 |
| LMCH 16L | 28 | 70 | 48 |
| LMCH 20L | 32 | 80 | 54 |
| LMCH 25L | 40 | 112 | 62 |
LM Shaft Support
LM Shaft Support
LM Shaft Support

| Model No. | Outer dimensions | ||
| Height | Width | Length | |
| H | W | L | |
| mm | mm | mm | |
| SK 10 | 32.8 | 42 | 14 |
| SK 12 | 37.5 | 42 | 14 |
| SK 13 | 37.5 | 42 | 14 |
| SK 16 | 44 | 48 | 16 |
| SK 20 | 51 | 60 | 20 |
| SK 25 | 60 | 70 | 24 |
| SK 30 | 70 | 84 | 28 |
| SK 35 | 83 | 98 | 32 |
| SK 40 | 96 | 114 | 36 |
LM Shaft Support

| Model No. | Height | Width | Length |
| H | W | L | |
| mm | mm | mm | |
| SK 10 | 32.8 | 42 | 14 |
| SK 12 | 37.5 | 42 | 14 |
| SK 13 | 37.5 | 42 | 14 |
| SK 16 | 44 | 48 | 16 |
| SK 20 | 51 | 60 | 20 |
| SK 25 | 60 | 70 | 24 |
| SK 30 | 70 | 84 | 28 |
| SK 35 | 83 | 98 | 32 |
| SK 40 | 96 | 114 | 36 |





