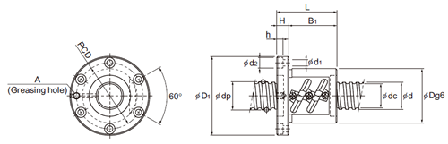
Ball Screw
DIN Standard Compliant Ball Screw
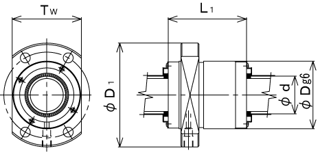
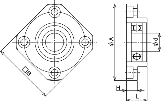
Models SDA-V/SDA-VZ
Models SDA-V/SDA-VZ

| Model No. | Screw shaft outer diameter | Lead | Ball center-to-center diameter | Outer diameter | Flange diameter | Overall length | Basic load rating | |||
| SDA-V(With Retainer) | SDA-VZ(Full-Complement Bearings) | |||||||||
| Dynamic | Static | Dynamic | Static | |||||||
| rating | rating | rating | rating | |||||||
| d | Ph | dp | D g6 | D1 | L1 | Ca | C0a | Ca | C0a | |
| mm | mm | mm | mm | mm | mm | kN | kN | kN | kN | |
| SDA 1004VZ-4 | 10 | 4 | 10.4 | 19 | 36 | 24 | — | — | 3.54 | 5.42 |
| SDA 1005VZ-4 | 10 | 5 | 10.4 | 19 | 36 | 28 | — | — | 3.53 | 5.44 |
| SDA 1010VZ-3 | 10 | 10 | 10.4 | 19 | 36 | 37 | — | — | 2.63 | 3.86 |
| SDA 1205VZ-3 | 12 | 5 | 12.5 | 24 | 40 | 25 | – | – | 4.99 | 7.02 |
| SDA 1210VZ-2 | 12 | 10 | 12.5 | 24 | 40 | 29 | – | – | 3.31 | 4.25 |
| SDA 1220VZ-2 | 12 | 20 | 12.5 | 24 | 40 | 47 | – | – | 3.13 | 4.63 |
| SDA 1230VZ-2 | 12 | 30 | 12.5 | 24 | 40 | 65 | – | – | 2.92 | 4.14 |
| SDA 1405V-4 | 14 | 5 | 14.5 | 26 | 48 | 30 | 7.4 | 10.1 | 7.1 | 11.3 |
| SDA 1505V-3 | 15 | 5 | 15.5 | 28 | 48 | 25 | 5.9 | 7.9 | 5.6 | 8.8 |
| SDA 1510V-3 | 15 | 10 | 15.5 | 28 | 48 | 38 | 5.8 | 7.6 | 5.5 | 8.4 |
| SDA 1520V-4 | 15 | 20 | 15.5 | 28 | 48 | 46 | 6.8 | 10.1 | 6.5 | 11.2 |
| SDA 1530V-4 | 15 | 30 | 15.5 | 28 | 48 | 65 | 6.5 | 8.8 | 6.2 | 9.7 |
| SDA 1605V-3 | 16 | 5 | 16.5 | 28 | 48 | 25 | 6 | 8.4 | 5.8 | 9.4 |
| SDA 1610V-3 | 16 | 10 | 16.5 | 28 | 48 | 39 | 6 | 8.1 | 5.7 | 9 |
| SDA 1616V-3 | 16 | 16 | 16.5 | 28 | 48 | 56 | 5.9 | 8.4 | 5.6 | 9.2 |
| SDA 2004V-4 | 20 | 4 | 20.5 | 32 | 58 | 27 | 8.8 | 14.7 | 8.3 | 16.2 |
| SDA 2005V-3 | 20 | 5 | 20.75 | 36 | 58 | 27 | 11.7 | 17.7 | 11.1 | 18.9 |
| SDA 2010V-3 | 20 | 10 | 20.75 | 36 | 58 | 40 | 11.6 | 17.7 | 11 | 19 |
| SDA 2020V-3 | 20 | 20 | 20.75 | 36 | 58 | 67 | 11.4 | 17.2 | 10.8 | 18.5 |
| SDA 2030V-2 | 20 | 30 | 20.75 | 36 | 58 | 66 | 7.4 | 11.5 | 7 | 12.3 |
| SDA 2040V-2 | 20 | 40 | 20.75 | 36 | 58 | 84 | 7.1 | 9.7 | 6.8 | 10.4 |
| SDA 2505V-3 | 25 | 5 | 25.75 | 40 | 62 | 27 | 12.9 | 22 | 12.3 | 23.7 |
| SDA 2510V-3 | 25 | 10 | 25.75 | 40 | 62 | 40 | 12.8 | 22 | 12.2 | 23.8 |
| SDA 2520V-3 | 25 | 20 | 25.75 | 40 | 62 | 67 | 12.7 | 21.3 | 12.1 | 22.9 |
| SDA 2525V-3 | 25 | 25 | 25.75 | 40 | 62 | 82 | 12.5 | 21.6 | 11.9 | 23.3 |
| SDA 2530V-2 | 25 | 30 | 25.75 | 40 | 62 | 66 | 8.3 | 13.9 | 7.9 | 14.9 |
| SDA 2550V-2 | 25 | 50 | 25.75 | 40 | 62 | 102 | 7.8 | 12.1 | 7.5 | 13.1 |
| SDA 3110V-5 | 31 | 10 | 32 | 56 | 86 | 65 | 57.1 | 94.7 | 54.4 | 99.7 |
| SDA 2806V-5 | 28 | 6 | 29 | 46 | 80 | 42 | 29.6 | 54.5 | 28.2 | 57.7 |
| SDA 3112V-5 | 31 | 12 | 32 | 56 | 86 | 74 | 57 | 94.7 | 54.3 | 99.9 |
| SDA 3116V-5 | 31 | 16 | 32 | 56 | 86 | 93 | 56.8 | 96 | 54.1 | 100.5 |
| SDA 3120V-5 | 31 | 20 | 32 | 56 | 86 | 112 | 56.6 | 90.3 | 53.9 | 95.1 |
| SDA 3132V-2 | 31 | 32 | 32 | 56 | 86 | 73 | 23.2 | 33.8 | 22.1 | 35.4 |
| SDA 3205V-4 | 32 | 5 | 32.75 | 50 | 80 | 32 | 18.8 | 38.5 | 17.9 | 41.7 |
| SDA 3210V-5 | 32 | 10 | 33 | 50 | 80 | 61 | 31.3 | 62.9 | 29.8 | 66.3 |
| SDA 3610V-5 | 36 | 10 | 37 | 61 | 91 | 65 | 61.7 | 110.6 | 58.8 | 116.4 |
| SDA 3612V-5 | 36 | 12 | 37 | 61 | 91 | 74 | 61.7 | 110.6 | 58.7 | 116.6 |
| SDA 3616V-5 | 36 | 16 | 37 | 61 | 91 | 93 | 61.5 | 111.9 | 58.6 | 117.1 |
| SDA 3620V-5 | 36 | 20 | 37 | 61 | 91 | 112 | 61.3 | 105.2 | 58.4 | 110.6 |
| SDA 3636V-2 | 36 | 36 | 37 | 61 | 91 | 81 | 25.1 | 39.3 | 23.9 | 41.3 |
| SDA 3810V-5 | 38 | 10 | 39 | 63 | 93 | 65 | 63.4 | 117.7 | 60.4 | 123.1 |
| SDA 3812V-5 | 38 | 12 | 39 | 63 | 93 | 74 | 63.4 | 117.7 | 60.3 | 123.3 |
| SDA 3816V-5 | 38 | 16 | 39 | 63 | 93 | 93 | 63.2 | 117.7 | 60.2 | 123.7 |
| SDA 3820V-5 | 38 | 20 | 39 | 63 | 93 | 112 | 63 | 111.9 | 60 | 116.9 |
| SDA 3825V-4 | 38 | 25 | 39 | 63 | 93 | 111 | 51.1 | 87.8 | 48.6 | 92.7 |
| SDA 3830V-3 | 38 | 30 | 39 | 63 | 93 | 100 | 38.7 | 64.9 | 36.9 | 68.2 |
| SDA 3840V-2 | 38 | 40 | 39 | 63 | 93 | 87 | 25.7 | 42 | 24.4 | 43.9 |
| SDA 4510V-5 | 45 | 10 | 46 | 70 | 105 | 65 | 68.7 | 139.4 | 65.4 | 146.5 |
| SDA 4512V-5 | 45 | 12 | 46 | 70 | 105 | 74 | 68.6 | 139.4 | 65.4 | 146.7 |
| SDA 4516V-5 | 45 | 16 | 46 | 70 | 105 | 93 | 68.5 | 140.7 | 65.3 | 147 |
| SDA 4520V-5 | 45 | 20 | 46 | 70 | 105 | 112 | 68.4 | 140.7 | 65.1 | 147.5 |
| SDA 4525V-4 | 45 | 25 | 46 | 70 | 105 | 110 | 55.5 | 104 | 52.8 | 109.8 |
| SDA 4530V-4 | 45 | 30 | 46 | 70 | 105 | 130 | 55.3 | 105.3 | 52.6 | 110.5 |
| SDA 4540V-3 | 45 | 40 | 46 | 70 | 105 | 129 | 41.7 | 78.3 | 39.7 | 81.9 |
| SDA 5010V-5 | 50 | 10 | 51 | 75 | 110 | 65 | 72 | 155.2 | 68.6 | 163.2 |
| SDA 5012V-5 | 50 | 12 | 51 | 75 | 110 | 74 | 72 | 155.2 | 68.5 | 163.3 |
| SDA 5016V-5 | 50 | 16 | 51 | 75 | 110 | 93 | 71.9 | 156.6 | 68.4 | 163.7 |
| SDA 5020V-5 | 50 | 20 | 51 | 75 | 110 | 112 | 71.7 | 156.6 | 68.3 | 164.2 |
| SDA 5025V-4 | 50 | 25 | 51 | 75 | 110 | 110 | 58.2 | 123.6 | 55.5 | 129.8 |
| SDA 5030V-4 | 50 | 30 | 51 | 75 | 110 | 130 | 58 | 117.5 | 55.3 | 122.6 |
| SDA 5040V-3 | 50 | 40 | 51 | 75 | 110 | 128 | 43.9 | 86.5 | 41.8 | 90.7 |
| SDA 5050V-2 | 50 | 50 | 51 | 75 | 110 | 107 | 29.2 | 55.5 | 27.8 | 58 |
Models SDA-V/SDA-VZ

| Model No. |
Screw shaft outer diameter | Lead | Ball center-to-center diameter |
| d | Ph | dp | |
| mm | mm | mm | |
| SDA 1004VZ-4 | 10 | 4 | 10.4 |
| SDA 1005VZ-4 | 10 | 5 | 10.4 |
| SDA 1010VZ-3 | 10 | 10 | 10.4 |
| SDA 1205VZ-3 | 12 | 5 | 12.5 |
| SDA 1210VZ-2 | 12 | 10 | 12.5 |
| SDA 1220VZ-2 | 12 | 20 | 12.5 |
| SDA 1230VZ-2 | 12 | 30 | 12.5 |
| SDA 1405V-4 | 14 | 5 | 14.5 |
| SDA 1505V-3 | 15 | 5 | 15.5 |
| SDA 1510V-3 | 15 | 10 | 15.5 |
| SDA 1520V-4 | 15 | 20 | 15.5 |
| SDA 1530V-4 | 15 | 30 | 15.5 |
| SDA 1605V-3 | 16 | 5 | 16.5 |
| SDA 1610V-3 | 16 | 10 | 16.5 |
| SDA 1616V-3 | 16 | 16 | 16.5 |
| SDA 2004V-4 | 20 | 4 | 20.5 |
| SDA 2005V-3 | 20 | 5 | 20.75 |
| SDA 2010V-3 | 20 | 10 | 20.75 |
| SDA 2020V-3 | 20 | 20 | 20.75 |
| SDA 2030V-2 | 20 | 30 | 20.75 |
| SDA 2040V-2 | 20 | 40 | 20.75 |
| SDA 2505V-3 | 25 | 5 | 25.75 |
| SDA 2510V-3 | 25 | 10 | 25.75 |
| SDA 2520V-3 | 25 | 20 | 25.75 |
| SDA 2525V-3 | 25 | 25 | 25.75 |
| SDA 2530V-2 | 25 | 30 | 25.75 |
| SDA 2550V-2 | 25 | 50 | 25.75 |
| SDA 3110V-5 | 31 | 10 | 32 |
| SDA 2806V-5 | 28 | 6 | 29 |
| SDA 3112V-5 | 31 | 12 | 32 |
| SDA 3116V-5 | 31 | 16 | 32 |
| SDA 3120V-5 | 31 | 20 | 32 |
| SDA 3132V-2 | 31 | 32 | 32 |
| SDA 3205V-4 | 32 | 5 | 32.75 |
| SDA 3210V-5 | 32 | 10 | 33 |
| SDA 3610V-5 | 36 | 10 | 37 |
| SDA 3612V-5 | 36 | 12 | 37 |
| SDA 3616V-5 | 36 | 16 | 37 |
| SDA 3620V-5 | 36 | 20 | 37 |
| SDA 3636V-2 | 36 | 36 | 37 |
| SDA 3810V-5 | 38 | 10 | 39 |
| SDA 3812V-5 | 38 | 12 | 39 |
| SDA 3816V-5 | 38 | 16 | 39 |
| SDA 3820V-5 | 38 | 20 | 39 |
| SDA 3825V-4 | 38 | 25 | 39 |
| SDA 3830V-3 | 38 | 30 | 39 |
| SDA 3840V-2 | 38 | 40 | 39 |
| SDA 4510V-5 | 45 | 10 | 46 |
| SDA 4512V-5 | 45 | 12 | 46 |
| SDA 4516V-5 | 45 | 16 | 46 |
| SDA 4520V-5 | 45 | 20 | 46 |
| SDA 4525V-4 | 45 | 25 | 46 |
| SDA 4530V-4 | 45 | 30 | 46 |
| SDA 4540V-3 | 45 | 40 | 46 |
| SDA 5010V-5 | 50 | 10 | 51 |
| SDA 5012V-5 | 50 | 12 | 51 |
| SDA 5016V-5 | 50 | 16 | 51 |
| SDA 5020V-5 | 50 | 20 | 51 |
| SDA 5025V-4 | 50 | 25 | 51 |
| SDA 5030V-4 | 50 | 30 | 51 |
| SDA 5040V-3 | 50 | 40 | 51 |
| SDA 5050V-2 | 50 | 50 | 51 |
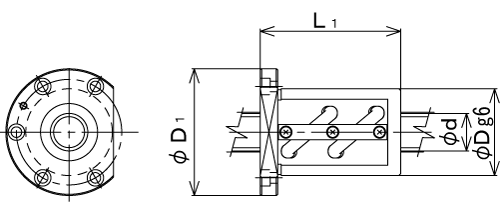
Model EPB-V
Model EPB-V

| Model No. | Screw shaft outer diameter | Lead | Ball center-to-center diameter | Outer diameter | Flange diameter | Overall length | Basic load rating | |
| Dynamic | Static | |||||||
| rating | rating | |||||||
| d | Ph | dp | D g6 | D1 | L1 | Ca | C0a | |
| mm | mm | mm | mm | mm | mm | kN | kN | |
| EPB 1605V-6 | 16 | 5 | 16.75 | 28 | 48 | 65 | 9.3 | 13.1 |
| EPB 2004V-8 | 20 | 4 | 20.5 | 36 | 58 | 69 | 8.2 | 15.5 |
| EPB 2005V-6 | 20 | 5 | 20.75 | 36 | 58 | 65 | 10.6 | 17.3 |
| EPB 2006V-6 | 20 | 6 | 21 | 36 | 58 | 73 | 13.8 | 20.4 |
| EPB 2008V-6 | 20 | 8 | 21 | 36 | 58 | 87 | 13.7 | 20.4 |
| EPB 2010V-6 | 20 | 10 | 21.25 | 36 | 58 | 102 | 17.3 | 24.5 |
| EPB 2504V-8 | 25 | 4 | 25.5 | 40 | 62 | 70 | 9.1 | 19.5 |
| EPB 2505V-6 | 25 | 5 | 25.75 | 40 | 62 | 66 | 12.1 | 22.6 |
| EPB 2506V-6 | 25 | 6 | 26 | 40 | 62 | 74 | 16 | 27.1 |
| EPB 2508V-6 | 25 | 8 | 26 | 40 | 62 | 88 | 15.9 | 27.1 |
| EPB 2510V-4 | 25 | 10 | 26 | 40 | 62 | 81 | 11.3 | 18 |
| EPB 2512V-4 | 25 | 12 | 26.25 | 40 | 62 | 91 | 14 | 21.2 |
| EPB 2806V-6 | 28 | 6 | 29 | 42 | 71 | 72 | 17.5 | 32 |
| EPB 3204V-10 | 32 | 4 | 32.5 | 50 | 80 | 81 | 12.3 | 31.9 |
| EPB 3205V-6 | 32 | 5 | 32.75 | 50 | 80 | 67 | 13.9 | 30.2 |
| EPB 3205V-8 | 32 | 5 | 32.75 | 50 | 80 | 78 | 17.8 | 40.3 |
| EPB 3206V-8 | 32 | 6 | 33 | 50 | 80 | 95 | 23.9 | 49.5 |
| EPB 3208V-8 | 32 | 8 | 33.25 | 50 | 80 | 117 | 29.2 | 55.2 |
| EPB 3210V-6 | 32 | 10 | 33.75 | 50 | 80 | 108 | 32.1 | 52.2 |
| EPB 3604V-6 | 36 | 4 | 36.5 | 56 | 86 | 58 | 8.4 | 22.2 |
| EPB 3606V-8 | 36 | 6 | 37 | 56 | 86 | 92 | 25.2 | 56.2 |
| EPB 3608V-8 | 36 | 8 | 37.25 | 56 | 86 | 112 | 31.6 | 64.8 |
| EPB 4004V-6 | 40 | 4 | 40.5 | 63 | 93 | 59 | 8.8 | 24.7 |
| EPB 4005V-6 | 40 | 5 | 40.75 | 63 | 93 | 65 | 15.4 | 38.8 |
| EPB 4006V-12 | 40 | 6 | 41 | 63 | 93 | 117 | 37.5 | 94.4 |
| EPB 4008V-8 | 40 | 8 | 41.25 | 63 | 93 | 113 | 33.8 | 74.5 |
| EPB 4010V-6 | 40 | 10 | 41.75 | 63 | 93 | 105 | 37.3 | 69.3 |
| EPB 4010V-8 | 40 | 10 | 41.75 | 63 | 93 | 129 | 47.6 | 92.4 |
| EPB 4012V-8 | 40 | 12 | 41.75 | 63 | 93 | 152 | 47.6 | 92.4 |
| EPB 5005V-12 | 50 | 5 | 50.75 | 75 | 110 | 104 | 30.9 | 99.1 |
| EPB 5008V-8 | 50 | 8 | 51.25 | 75 | 110 | 115 | 37.2 | 93.9 |
| EPB 5010V-8 | 50 | 10 | 51.75 | 75 | 110 | 131 | 54.3 | 120.5 |
| EPB 6310V-4 | 63 | 10 | 64.75 | 90 | 125 | 89 | 34.5 | 80.1 |
Model EPB-V

| Model No. |
Screw shaft outer diameter | Lead | Ball center-to-center diameter |
| d | Ph | dp | |
| mm | mm | mm | |
| EPB 1605V-6 | 16 | 5 | 16.75 |
| EPB 2004V-8 | 20 | 4 | 20.5 |
| EPB 2005V-6 | 20 | 5 | 20.75 |
| EPB 2006V-6 | 20 | 6 | 21 |
| EPB 2008V-6 | 20 | 8 | 21 |
| EPB 2010V-6 | 20 | 10 | 21.25 |
| EPB 2504V-8 | 25 | 4 | 25.5 |
| EPB 2505V-6 | 25 | 5 | 25.75 |
| EPB 2506V-6 | 25 | 6 | 26 |
| EPB 2508V-6 | 25 | 8 | 26 |
| EPB 2510V-4 | 25 | 10 | 26 |
| EPB 2512V-4 | 25 | 12 | 26.25 |
| EPB 2806V-6 | 28 | 6 | 29 |
| EPB 3204V-10 | 32 | 4 | 32.5 |
| EPB 3205V-6 | 32 | 5 | 32.75 |
| EPB 3205V-8 | 32 | 5 | 32.75 |
| EPB 3206V-8 | 32 | 6 | 33 |
| EPB 3208V-8 | 32 | 8 | 33.25 |
| EPB 3210V-6 | 32 | 10 | 33.75 |
| EPB 3604V-6 | 36 | 4 | 36.5 |
| EPB 3606V-8 | 36 | 6 | 37 |
| EPB 3608V-8 | 36 | 8 | 37.25 |
| EPB 4004V-6 | 40 | 4 | 40.5 |
| EPB 4005V-6 | 40 | 5 | 40.75 |
| EPB 4006V-12 | 40 | 6 | 41 |
| EPB 4008V-8 | 40 | 8 | 41.25 |
| EPB 4010V-6 | 40 | 10 | 41.75 |
| EPB 4010V-8 | 40 | 10 | 41.75 |
| EPB 4012V-8 | 40 | 12 | 41.75 |
| EPB 5005V-12 | 50 | 5 | 50.75 |
| EPB 5008V-8 | 50 | 8 | 51.25 |
| EPB 5010V-8 | 50 | 10 | 51.75 |
| EPB 6310V-4 | 63 | 10 | 64.75 |
Model EBB-V
Model EBB-V

| Model No. | Screw shaft outer diameter | Lead | Ball center-to-center diameter | Outer diameter | Flange diameter | Overall length | Basic load rating | |
| Dynamic | Static | |||||||
| rating | rating | |||||||
| d | Ph | dp | D g6 | D1 | L1 | Ca | C0a | |
| mm | mm | mm | mm | mm | mm | kN | kN | |
| EBB 1605V-4 | 16 | 5 | 16.75 | 28 | 48 | 55 | 11.9 | 17.4 |
| EBB 2004V-8 | 20 | 4 | 20.5 | 36 | 58 | 69 | 14.9 | 30.9 |
| EBB 2005V-3 | 20 | 5 | 20.75 | 36 | 58 | 50 | 10.6 | 17.3 |
| EBB 2006V-6 | 20 | 6 | 21 | 36 | 58 | 73 | 25 | 40.8 |
| EBB 2008V-6 | 20 | 8 | 21 | 36 | 58 | 87 | 24.9 | 40.8 |
| EBB 2010V-6 | 20 | 10 | 21.25 | 36 | 58 | 102 | 31.4 | 49 |
| EBB 2504V-8 | 25 | 4 | 25.5 | 40 | 62 | 70 | 16.4 | 39 |
| EBB 2505V-3 | 25 | 5 | 25.75 | 40 | 62 | 50 | 12.1 | 22.6 |
| EBB 2506V-6 | 25 | 6 | 26 | 40 | 62 | 74 | 29 | 54.1 |
| EBB 2508V-6 | 25 | 8 | 26 | 40 | 62 | 88 | 28.9 | 54.1 |
| EBB 2510V-3 | 25 | 10 | 26 | 40 | 62 | 69 | 15.9 | 27 |
| EBB 2510V-4 | 25 | 10 | 26 | 40 | 62 | 81 | 20.9 | 37.6 |
| EBB 2512V-4 | 25 | 12 | 26.25 | 40 | 62 | 91 | 25.4 | 42.3 |
| EBB 2806V-6 | 28 | 6 | 29 | 42 | 71 | 72 | 31.7 | 64.1 |
| EBB 3204V-10 | 32 | 4 | 32.5 | 50 | 80 | 81 | 22.3 | 63.9 |
| EBB 3205V-3 | 32 | 5 | 32.75 | 50 | 80 | 52 | 13.9 | 30.2 |
| EBB 3205V-4 | 32 | 5 | 32.75 | 50 | 80 | 57 | 17.8 | 40.3 |
| EBB 3205V-6 | 32 | 5 | 32.75 | 50 | 80 | 67 | 25.1 | 60.4 |
| EBB 3206V-8 | 32 | 6 | 33 | 50 | 80 | 95 | 43.3 | 98.9 |
| EBB 3208V-8 | 32 | 8 | 33.25 | 50 | 80 | 117 | 52.9 | 110.5 |
| EBB 3210V-3 | 32 | 10 | 33.75 | 50 | 80 | 78 | 32.1 | 52.2 |
| EBB 3210V-4 | 32 | 10 | 33.75 | 50 | 80 | 90 | 41.3 | 69.7 |
| EBB 3604V-6 | 36 | 4 | 36.5 | 56 | 86 | 58 | 15.3 | 44.3 |
| EBB 3606V-8 | 36 | 6 | 37 | 56 | 86 | 92 | 45.8 | 112.4 |
| EBB 3608V-8 | 36 | 8 | 37.25 | 56 | 86 | 112 | 57.4 | 129.7 |
| EBB 4004V-6 | 40 | 4 | 40.5 | 63 | 93 | 59 | 15.9 | 49.4 |
| EBB 4005V-6 | 40 | 5 | 40.75 | 63 | 93 | 65 | 26.6 | 77.5 |
| EBB 4006V-12 | 40 | 6 | 41 | 63 | 93 | 117 | 68.1 | 188.7 |
| EBB 4008V-8 | 40 | 8 | 41.25 | 63 | 93 | 113 | 61.3 | 148.9 |
| EBB 4010V-3 | 40 | 10 | 41.75 | 63 | 93 | 75 | 37.3 | 69.3 |
| EBB 4010V-4 | 40 | 10 | 41.75 | 63 | 93 | 85 | 47.6 | 92.4 |
| EBB 4012V-8 | 40 | 12 | 41.75 | 63 | 93 | 152 | 86.4 | 184.8 |
| EBB 4020V-3 | 40 | 20 | 41.75 | 63 | 93 | 122 | 36.8 | 69.3 |
| EBB 5005V-12 | 50 | 5 | 50.75 | 75 | 110 | 104 | 56 | 198.3 |
| EBB 5008V-8 | 50 | 8 | 51.25 | 75 | 110 | 115 | 67.5 | 187.7 |
| EBB 5010V-4 | 50 | 10 | 51.75 | 75 | 110 | 87 | 54.3 | 120.5 |
| EBB 5020V-3 | 50 | 20 | 52.25 | 75 | 110 | 117 | 55.3 | 108.8 |
| EBB 6310V-4 | 63 | 10 | 64.75 | 90 | 125 | 89 | 61.9 | 161 |
| EBB 6312V-4 | 63 | 12 | 65.25 | 95 | 135 | 104 | 80.9 | 189.1 |
| EBB 6316V-4 | 63 | 16 | 65.7 | 95 | 135 | 125 | 134 | 306.4 |
| EBB 6320V-3 | 63 | 20 | 65.7 | 95 | 135 | 122 | 104.4 | 229.3 |
| EBB 8010V-4 | 80 | 10 | 81.75 | 105 | 145 | 93 | 68.6 | 206.9 |
| EBB 8012V-4 | 80 | 12 | 82.25 | 125 | 165 | 110 | 92.1 | 251.7 |
| EBB 8016V-4 | 80 | 16 | 82.7 | 125 | 165 | 131 | 154.7 | 413.2 |
| EBB 8020V-4 | 80 | 20 | 82.7 | 125 | 165 | 149 | 154.5 | 413.2 |
Model EBB-V

| Model No. |
Screw shaft outer diameter | Lead | Ball center-to-center diameter |
| d | Ph | dp | |
| mm | mm | mm | |
| EBB 1605V-4 | 16 | 5 | 16.75 |
| EBB 2004V-8 | 20 | 4 | 20.5 |
| EBB 2005V-3 | 20 | 5 | 20.75 |
| EBB 2006V-6 | 20 | 6 | 21 |
| EBB 2008V-6 | 20 | 8 | 21 |
| EBB 2010V-6 | 20 | 10 | 21.25 |
| EBB 2504V-8 | 25 | 4 | 25.5 |
| EBB 2505V-3 | 25 | 5 | 25.75 |
| EBB 2506V-6 | 25 | 6 | 26 |
| EBB 2508V-6 | 25 | 8 | 26 |
| EBB 2510V-3 | 25 | 10 | 26 |
| EBB 2510V-4 | 25 | 10 | 26 |
| EBB 2512V-4 | 25 | 12 | 26.25 |
| EBB 2806V-6 | 28 | 6 | 29 |
| EBB 3204V-10 | 32 | 4 | 32.5 |
| EBB 3205V-3 | 32 | 5 | 32.75 |
| EBB 3205V-4 | 32 | 5 | 32.75 |
| EBB 3205V-6 | 32 | 5 | 32.75 |
| EBB 3206V-8 | 32 | 6 | 33 |
| EBB 3208V-8 | 32 | 8 | 33.25 |
| EBB 3210V-3 | 32 | 10 | 33.75 |
| EBB 3210V-4 | 32 | 10 | 33.75 |
| EBB 3604V-6 | 36 | 4 | 36.5 |
| EBB 3606V-8 | 36 | 6 | 37 |
| EBB 3608V-8 | 36 | 8 | 37.25 |
| EBB 4004V-6 | 40 | 4 | 40.5 |
| EBB 4005V-6 | 40 | 5 | 40.75 |
| EBB 4006V-12 | 40 | 6 | 41 |
| EBB 4008V-8 | 40 | 8 | 41.25 |
| EBB 4010V-3 | 40 | 10 | 41.75 |
| EBB 4010V-4 | 40 | 10 | 41.75 |
| EBB 4012V-8 | 40 | 12 | 41.75 |
| EBB 4020V-3 | 40 | 20 | 41.75 |
| EBB 5005V-12 | 50 | 5 | 50.75 |
| EBB 5008V-8 | 50 | 8 | 51.25 |
| EBB 5010V-4 | 50 | 10 | 51.75 |
| EBB 5020V-3 | 50 | 20 | 52.25 |
| EBB 6310V-4 | 63 | 10 | 64.75 |
| EBB 6312V-4 | 63 | 12 | 65.25 |
| EBB 6316V-4 | 63 | 16 | 65.7 |
| EBB 6320V-3 | 63 | 20 | 65.7 |
| EBB 8010V-4 | 80 | 10 | 81.75 |
| EBB 8012V-4 | 80 | 12 | 82.25 |
| EBB 8016V-4 | 80 | 16 | 82.7 |
| EBB 8020V-4 | 80 | 20 | 82.7 |
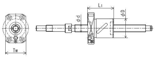
Model SDAN-V/SDAN-VX
Model SDAN-V/SDAN-VX

| Model No. | Screw shaft outer diameter | Lead | Ball centerto-center diameter | Outer diameter | Flange diameter | Overall length | Tw | Basic load rating | |||
| With Retainer | Full-Ball | ||||||||||
| Dynamic | Static | Dynamic | Static | ||||||||
| rating | rating | rating | rating | ||||||||
| d | Ph | dp | D g6 | D1 | L1
(without the seal) |
Ca | C0a | Ca | C0a | ||
| mm | mm | mm | mm | mm | mm | mm | kN | kN | kN | kN | |
| SDAN 3110V-5 | 31 | 10 | 32 | 56 | 86 | 135(133) | 65 | 57.1 | 94.7 | 54.4 | 99.7 |
| SDAN 3112V-5 | 31 | 12 | 32 | 56 | 86 | 158(156) | 65 | 57 | 94.7 | 54.3 | 99.9 |
| SDAN 3116V-5 | 31 | 16 | 32 | 56 | 86 | 189(187) | 65 | 56.8 | 96 | 54.1 | 100.5 |
| SDAN 3120V-5 | 31 | 20 | 32 | 56 | 86 | 232(230) | 65 | 56.6 | 96 | 53.9 | 101.2 |
| SDAN 3205V-4 | 32 | 5 | 32.75 | 50 | 80 | 62 | 62 | 18.8 | 38.5 | 17.9 | 41.7 |
| SDAN 3206V-5 | 32 | 6 | 33 | 50 | 80 | 84 | 62 | 31.4 | 62.4 | 29.9 | 66.1 |
| SDAN 3208V-5 | 32 | 8 | 33 | 50 | 80 | 108 | 62 | 31.4 | 62.4 | 29.9 | 66.2 |
| SDAN 3210V-5 | 32 | 10 | 33 | 50 | 80 | 121 | 62 | 31.3 | 62.9 | 29.8 | 66.3 |
| SDAN 3210VA-5 | 32 | 10 | 33 | 57 | 87 | 135 | 66 | 58.1 | 98.9 | 55.3 | 103.1 |
| SDAN 3212VA-5 | 32 | 12 | 33 | 57 | 87 | 158 | 66 | 58 | 98.9 | 55.3 | 103.3 |
| SDAN 3216VA-5 | 32 | 16 | 33 | 57 | 87 | 189 | 66 | 57.8 | 98.9 | 55.1 | 103.8 |
| SDAN 3220VA-5 | 32 | 20 | 33 | 57 | 87 | 232 | 66 | 57.6 | 94.3 | 54.9 | 98.2 |
| SDAN 3606V-4 | 36 | 6 | 37 | 54 | 84 | 72 | 66 | 26.9 | 55.6 | 25.6 | 58.6 |
| SDAN 3610V-5 | 36 | 10 | 37 | 61 | 91 | 135(133) | 68 | 61.7 | 110.6 | 58.8 | 116.4 |
| SDAN 3612V-5 | 36 | 12 | 37 | 61 | 91 | 158(156) | 68 | 61.7 | 110.6 | 58.7 | 116.6 |
| SDAN 3616V-5 | 36 | 16 | 37 | 61 | 91 | 189(187) | 68 | 61.5 | 111.9 | 58.6 | 117.1 |
| SDAN 3620V-5 | 36 | 20 | 37 | 61 | 91 | 232(230) | 68 | 61.3 | 111.9 | 58.4 | 117.7 |
| SDAN 3810V-5 | 38 | 10 | 39 | 63 | 93 | 135(133) | 70 | 63.4 | 117.7 | 60.4 | 123.1 |
| SDAN 3812V-5 | 38 | 12 | 39 | 63 | 93 | 158(156) | 70 | 63.4 | 117.7 | 60.3 | 123.3 |
| SDAN 3816V-5 | 38 | 16 | 39 | 63 | 93 | 189(187) | 70 | 63.2 | 117.7 | 60.2 | 123.7 |
| SDAN 3820V-5 | 38 | 20 | 39 | 63 | 93 | 232(230) | 70 | 63 | 119.1 | 60 | 124.3 |
| SDAN 4008VX-5 | 40 | 8 | 41.25 | 61 | 91 | 111 | 68 | ̶ | ̶ | 42.2 | 99.4 |
| SDAN 4010VA-5 | 40 | 10 | 41.75 | 70 | 100 | 135 | 75 | 65.6 | 126.4 | 62.5 | 132.3 |
| SDAN 4012VA-5 | 40 | 12 | 41.75 | 70 | 100 | 158 | 75 | 65.5 | 126.4 | 62.4 | 132.5 |
| SDAN 4016VA-5 | 40 | 16 | 41.75 | 70 | 100 | 189 | 75 | 65.4 | 126.4 | 62.3 | 132.9 |
| SDAN 4020VA-5 | 40 | 20 | 41.75 | 70 | 100 | 232 | 75 | 65.2 | 127.7 | 62.1 | 133.4 |
| SDAN 4510V-5 | 45 | 10 | 46 | 70 | 105 | 135(133) | 80 | 68.7 | 139.4 | 65.4 | 146.5 |
| SDAN 4510VA-5 | 45 | 10 | 46.75 | 75 | 110 | 135 | 85 | 69.2 | 142.2 | 65.9 | 149 |
| SDAN 4512V-5 | 45 | 12 | 46 | 70 | 105 | 158(156) | 80 | 68.6 | 139.4 | 65.4 | 146.7 |
| SDAN 4512VA-5 | 45 | 12 | 46.75 | 75 | 110 | 158 | 85 | 69.2 | 142.2 | 65.9 | 149.2 |
| SDAN 4516V-5 | 45 | 16 | 46 | 70 | 105 | 189(187) | 80 | 68.5 | 140.7 | 65.3 | 147 |
| SDAN 4516VA-5 | 45 | 16 | 46.75 | 75 | 110 | 189 | 85 | 69 | 142.2 | 65.8 | 149.5 |
| SDAN 4520V-5 | 45 | 20 | 46 | 70 | 105 | 232(230) | 80 | 68.4 | 140.7 | 65.1 | 147.5 |
| SDAN 4520VA-5 | 45 | 20 | 46.75 | 75 | 110 | 232 | 85 | 68.9 | 143.6 | 65.6 | 150 |
| SDAN 5010V-5 | 50 | 10 | 51 | 75 | 110 | 135(133) | 85 | 72 | 155.2 | 68.6 | 163.2 |
| SDAN 5010VA-5 | 50 | 10 | 51.75 | 82 | 118 | 135 | 92 | 72.5 | 158.1 | 69 | 165.7 |
| SDAN 5012V-5 | 50 | 12 | 51 | 75 | 110 | 158(156) | 85 | 72 | 155.2 | 68.5 | 163.3 |
| SDAN 5012VA-5 | 50 | 12 | 51.75 | 82 | 118 | 158 | 92 | 72.4 | 158.1 | 69 | 165.9 |
| SDAN 5016V-5 | 50 | 16 | 51 | 75 | 110 | 189(187) | 85 | 71.9 | 156.6 | 68.4 | 163.7 |
| SDAN 5016VA-5 | 50 | 16 | 51.75 | 82 | 118 | 189 | 92 | 72.3 | 158.1 | 68.9 | 166.2 |
| SDAN 5020V-5 | 50 | 20 | 51 | 75 | 110 | 232(230) | 85 | 71.7 | 156.6 | 68.3 | 164.2 |
| SDAN 5020VA-5 | 50 | 20 | 51.75 | 82 | 118 | 232 | 92 | 72.2 | 159.4 | 68.8 | 166.7 |
| SDAN 5025V-4 | 50 | 25 | 51 | 75 | 110 | 235 | 85 | 58.2 | 123.6 | 55.5 | 129.8 |
| SDAN 5025VA-4 | 50 | 25 | 51.75 | 82 | 118 | 235 | 92 | 58.6 | 125.1 | 55.8 | 131.7 |
| SDAN 5030V-4 | 50 | 30 | 51 | 75 | 110 | 265 | 85 | 58 | 117.5 | 55.3 | 122.6 |
| SDAN 5030VA-4 | 50 | 30 | 51.75 | 82 | 118 | 265 | 92 | 58.4 | 118.9 | 55.7 | 124.5 |
| SDAN 5040V-3 | 50 | 40 | 51 | 75 | 110 | 268 | 85 | 43.9 | 86.5 | 41.8 | 90.7 |
| SDAN 5040VA-3 | 50 | 40 | 51.75 | 82 | 118 | 269 | 92 | 44.2 | 87.9 | 42.1 | 92 |
| SDAN 5510VX-4 | 55 | 10 | 56 | 80 | 118 | 115 | 92 | — | — | 58.2 | 141.6 |
| SDAN 5510VAX-4 | 55 | 10 | 56.75 | 82 | 120 | 115 | 94 | — | — | 58.5 | 143.6 |
| SDAN 5512VX-4 | 55 | 12 | 56 | 80 | 118 | 134 | 92 | — | — | 58.1 | 141.7 |
| SDAN 5512VAX-4 | 55 | 12 | 56.75 | 82 | 120 | 134 | 94 | — | — | 58.5 | 143.7 |
| SDAN 5516VX-4 | 55 | 16 | 56 | 80 | 118 | 157 | 92 | — | — | 58.1 | 142 |
| SDAN 5516VAX-4 | 55 | 16 | 56.75 | 82 | 120 | 157 | 94 | — | — | 58.4 | 144 |
| SDAN 5520VX-4 | 55 | 20 | 56 | 80 | 118 | 192 | 92 | — | — | 58 | 142.3 |
| SDAN 5520VAX-4 | 55 | 20 | 56.75 | 82 | 120 | 192 | 94 | — | — | 58.3 | 144.3 |
| SDAN 6310VX-4 | 63 | 10 | 64 | 90 | 125 | 115 | 95 | — | — | 61.6 | 162.7 |
| SDAN 6312VX-4 | 63 | 12 | 65 | 95 | 135 | 135 | 100 | — | — | 72.9 | 185.2 |
| SDAN 6316VX-4 | 63 | 16 | 65 | 95 | 135 | 158 | 100 | — | — | 72.8 | 185.5 |
| SDAN 6320VX-4 | 63 | 20 | 65 | 95 | 135 | 193 | 100 | — | — | 72.7 | 185.8 |
| SDAN 6325VX-4 | 63 | 25 | 65 | 95 | 135 | 237 | 100 | — | — | 72.6 | 186.3 |
| SDAN 6330VX-4 | 63 | 30 | 65 | 95 | 135 | 266 | 100 | — | — | 72.5 | 186.9 |
| SDAN 6340VX-3 | 63 | 40 | 65 | 95 | 135 | 269 | 100 | — | — | 55 | 129.2 |
Model SDAN-V/SDAN-VX

| Model No. |
Screw shaft outer diameter | Lead | Ball centerto-center diameter |
| d | Ph | dp | |
| mm | mm | mm | |
| SDAN 3110V-5 | 31 | 10 | 32 |
| SDAN 3112V-5 | 31 | 12 | 32 |
| SDAN 3116V-5 | 31 | 16 | 32 |
| SDAN 3120V-5 | 31 | 20 | 32 |
| SDAN 3205V-4 | 32 | 5 | 32.75 |
| SDAN 3206V-5 | 32 | 6 | 33 |
| SDAN 3208V-5 | 32 | 8 | 33 |
| SDAN 3210V-5 | 32 | 10 | 33 |
| SDAN 3210VA-5 | 32 | 10 | 33 |
| SDAN 3212VA-5 | 32 | 12 | 33 |
| SDAN 3216VA-5 | 32 | 16 | 33 |
| SDAN 3220VA-5 | 32 | 20 | 33 |
| SDAN 3606V-4 | 36 | 6 | 37 |
| SDAN 3610V-5 | 36 | 10 | 37 |
| SDAN 3612V-5 | 36 | 12 | 37 |
| SDAN 3616V-5 | 36 | 16 | 37 |
| SDAN 3620V-5 | 36 | 20 | 37 |
| SDAN 3810V-5 | 38 | 10 | 39 |
| SDAN 3812V-5 | 38 | 12 | 39 |
| SDAN 3816V-5 | 38 | 16 | 39 |
| SDAN 3820V-5 | 38 | 20 | 39 |
| SDAN 4008VX-5 | 40 | 8 | 41.25 |
| SDAN 4010VA-5 | 40 | 10 | 41.75 |
| SDAN 4012VA-5 | 40 | 12 | 41.75 |
| SDAN 4016VA-5 | 40 | 16 | 41.75 |
| SDAN 4020VA-5 | 40 | 20 | 41.75 |
| SDAN 4510V-5 | 45 | 10 | 46 |
| SDAN 4510VA-5 | 45 | 10 | 46.75 |
| SDAN 4512V-5 | 45 | 12 | 46 |
| SDAN 4512VA-5 | 45 | 12 | 46.75 |
| SDAN 4516V-5 | 45 | 16 | 46 |
| SDAN 4516VA-5 | 45 | 16 | 46.75 |
| SDAN 4520V-5 | 45 | 20 | 46 |
| SDAN 4520VA-5 | 45 | 20 | 46.75 |
| SDAN 5010V-5 | 50 | 10 | 51 |
| SDAN 5010VA-5 | 50 | 10 | 51.75 |
| SDAN 5012V-5 | 50 | 12 | 51 |
| SDAN 5012VA-5 | 50 | 12 | 51.75 |
| SDAN 5016V-5 | 50 | 16 | 51 |
| SDAN 5016VA-5 | 50 | 16 | 51.75 |
| SDAN 5020V-5 | 50 | 20 | 51 |
| SDAN 5020VA-5 | 50 | 20 | 51.75 |
| SDAN 5025V-4 | 50 | 25 | 51 |
| SDAN 5025VA-4 | 50 | 25 | 51.75 |
| SDAN 5030V-4 | 50 | 30 | 51 |
| SDAN 5030VA-4 | 50 | 30 | 51.75 |
| SDAN 5040V-3 | 50 | 40 | 51 |
| SDAN 5040VA-3 | 50 | 40 | 51.75 |
| SDAN 5510VX-4 | 55 | 10 | 56 |
| SDAN 5510VAX-4 | 55 | 10 | 56.75 |
| SDAN 5512VX-4 | 55 | 12 | 56 |
| SDAN 5512VAX-4 | 55 | 12 | 56.75 |
| SDAN 5516VX-4 | 55 | 16 | 56 |
| SDAN 5516VAX-4 | 55 | 16 | 56.75 |
| SDAN 5520VX-4 | 55 | 20 | 56 |
| SDAN 5520VAX-4 | 55 | 20 | 56.75 |
| SDAN 6310VX-4 | 63 | 10 | 64 |
| SDAN 6312VX-4 | 63 | 12 | 65 |
| SDAN 6316VX-4 | 63 | 16 | 65 |
| SDAN 6320VX-4 | 63 | 20 | 65 |
| SDAN 6325VX-4 | 63 | 25 | 65 |
| SDAN 6330VX-4 | 63 | 30 | 65 |
| SDAN 6340VX-3 | 63 | 40 | 65 |
Precision, Caged Ball Screw
Caged Ball
High Speed Model SBN-V

| Model No. | Screw shaft outer diameter | Lead | Ball center-to-center diameter | Outer diameter | Flange diameter | Overall length | Basic load rating | |
| Dynamic | Static | |||||||
| rating | rating | |||||||
| d | Ph | dp | D g6 | D1 | L1 | Ca | C0a | |
| mm | mm | mm | mm | mm | mm | kN | kN | |
| SBN 1604V-5 | 16 | 4 | 16.5 | 36 | 59 | 53 | 5.3 | 8 |
| SBN 1605V-5 | 16 | 5 | 16.75 | 40 | 60 | 56 | 9.2 | 12.9 |
| SBN 2004V-5 | 20 | 4 | 20.5 | 40 | 63 | 49 | 5.9 | 10.1 |
| SBN 2005V-5 | 20 | 5 | 20.75 | 44 | 67 | 56 | 10.3 | 16.2 |
| SBN 2010V-5 | 20 | 10 | 20.75 | 46 | 74 | 90 | 10.2 | 16.4 |
| SBN 2504V-5 | 25 | 4 | 25.5 | 46 | 69 | 48 | 6.4 | 12.7 |
| SBN 2505V-5 | 25 | 5 | 25.75 | 50 | 73 | 55 | 11.3 | 20.3 |
| SBN 2506V-5 | 25 | 6 | 26 | 53 | 76 | 62 | 15.4 | 25.4 |
| SBN 2805V-5 | 28 | 5 | 28.75 | 55 | 85 | 59 | 11.8 | 22.8 |
| SBN 3205V-5 | 32 | 5 | 32.75 | 58 | 85 | 56 | 12.6 | 26.1 |
| SBN 3206V-5 | 32 | 6 | 33 | 62 | 89 | 63 | 17.2 | 32.7 |
| SBN 2508V-7 | 25 | 8 | 26.25 | 58 | 85 | 98 | 26.2 | 43 |
| SBN 2510V-5 | 25 | 10 | 26.25 | 58 | 85 | 100 | 19.6 | 30.9 |
| SBN 2810V-3 | 28 | 10 | 29.75 | 65 | 106 | 88 | 19.5 | 27.8 |
| SBN 3210V-7 | 32 | 10 | 33.75 | 74 | 108 | 120 | 43 | 73.1 |
| SBN 3212V-5 | 32 | 12 | 34 | 76 | 121 | 117 | 37.4 | 58.7 |
| SBN 3216V-5 | 32 | 16 | 33.75 | 74 | 108 | 139 | 31.9 | 52.2 |
| SBN 3610V-7 | 36 | 10 | 37.75 | 75 | 120 | 123 | 45.6 | 82.3 |
| SBN 3612V-7 | 36 | 12 | 38 | 78 | 123 | 140 | 53.2 | 92.6 |
| SBN 3616V-5 | 36 | 16 | 38 | 78 | 123 | 140 | 39.7 | 66.4 |
| SBN 3620V-3 | 36 | 20 | 37.75 | 75 | 114 | 122 | 21.6 | 32.9 |
| SBN 4010V-5 | 40 | 10 | 41.75 | 82 | 124 | 103 | 35.8 | 65.2 |
| SBN 4012V-5 | 40 | 12 | 42 | 84 | 126 | 119 | 42 | 73.6 |
| SBN 4016V-5 | 40 | 16 | 42 | 84 | 126 | 144 | 41.9 | 73.8 |
| SBN 4020V-5 | 40 | 20 | 41.75 | 82 | 126 | 162 | 35.4 | 65.2 |
| SBN 4510V-5 | 45 | 10 | 46.75 | 88 | 132 | 111 | 37.9 | 73.8 |
| SBN 4512V-5 | 45 | 12 | 47 | 90 | 130 | 119 | 44.4 | 82.9 |
| SBN 4516V-5 | 45 | 16 | 47 | 90 | 130 | 140 | 44.3 | 83.1 |
| SBN 4520V-5 | 45 | 20 | 47 | 90 | 130 | 162 | 43.9 | 82.5 |
| SBN 5010V-5 | 50 | 10 | 51.75 | 93 | 135 | 103 | 39.4 | 81 |
| SBN 5012V-5 | 50 | 12 | 52.25 | 100 | 146 | 123 | 53.6 | 101.9 |
| SBN 5016V-5 | 50 | 16 | 52.7 | 105 | 152 | 164 | 89 | 167.7 |
| SBN 5020V-5 | 50 | 20 | 52.7 | 105 | 152 | 201 | 88.7 | 167.7 |
High Speed Model SBN

| Model No. | Screw shaft outer diameter | Lead | Ball center-to-center diameter | Outer diameter | Flange diameter | Overall length | Basic load rating | |
| Dynamic | Static | |||||||
| rating | rating | |||||||
| d | Ph | dp | D g6 | D1 | L1 | Ca | C0a | |
| mm | mm | mm | mm | mm | mm | kN | kN | |
| SBN 1604-5 | 16 | 4 | 16.5 | 36 | 59 | 53 | 5.3 | 8 |
| SBN 1605-5 | 16 | 5 | 16.75 | 40 | 60 | 56 | 9.2 | 12.9 |
| SBN 2004-5 | 20 | 4 | 20.5 | 40 | 63 | 53 | 5.9 | 10.1 |
| SBN 2005-5 | 20 | 5 | 20.75 | 44 | 67 | 56 | 10.3 | 16.2 |
| SBN 2504-5 | 25 | 4 | 25.5 | 46 | 69 | 48 | 6.4 | 12.7 |
| SBN 2505-5 | 25 | 5 | 25.75 | 50 | 73 | 55 | 11.3 | 20.3 |
| SBN 2506-5 | 25 | 6 | 26 | 53 | 76 | 62 | 15.4 | 25.4 |
| SBN 2805-5 | 28 | 5 | 28.75 | 55 | 85 | 59 | 11.8 | 22.8 |
| SBN 2806-5 | 28 | 6 | 29 | 59 | 89 | 63 | 16.2 | 28.5 |
| SBN 3205-5 | 32 | 5 | 32.75 | 58 | 85 | 56 | 12.6 | 26.1 |
| SBN 3206-5 | 32 | 6 | 33 | 62 | 89 | 63 | 17.2 | 32.7 |
| SBN 3210-7 | 32 | 10 | 33.75 | 74 | 108 | 120 | 43 | 73.1 |
| SBN 3212-5 | 32 | 12 | 34 | 76 | 121 | 117 | 37.4 | 58.7 |
| SBN 3610-7 | 36 | 10 | 37.75 | 77 | 120 | 123 | 45.6 | 82.3 |
| SBN 3612-7 | 36 | 12 | 38 | 81 | 124 | 140 | 53.2 | 92.6 |
| SBN 3616-5 | 36 | 16 | 38 | 81 | 124 | 140 | 39.7 | 66.4 |
| SBN 4012-5 | 40 | 12 | 42 | 84 | 126 | 119 | 42 | 73.6 |
| SBN 4016-5 | 40 | 16 | 42 | 84 | 126 | 144 | 41.9 | 73.8 |
| SBN 4512-5 | 45 | 12 | 47 | 90 | 130 | 119 | 44.4 | 82.9 |
| SBN 4516-5 | 45 | 16 | 47 | 90 | 130 | 140 | 44.3 | 83.1 |
| SBN 5012-5 | 50 | 12 | 52 | 95 | 141 | 119 | 46.6 | 92.2 |
| SBN 5016-5 | 50 | 16 | 52 | 95 | 141 | 143 | 46.6 | 92.4 |
| SBN 5020-5 | 50 | 20 | 52 | 95 | 141 | 169 | 46.5 | 92.6 |
High Speed and Large-Lead Model SBK

| Model No. | Screw shaft outer diameter | Lead | Ball center-to-center diameter | Outer diameter | Flange diameter | Overall length | Basic load rating | |
| Dynamic | Static | |||||||
| rating | rating | |||||||
| d | Ph | dp | D g6 | D1 | L1 | Ca | C0a | |
| mm | mm | mm | mm | mm | mm | kN | kN | |
| SBK 1520-3.6 | 15 | 20 | 15.75 | 38 | 62 | 54 | 5.8 | 7.8 |
| SBK 1616-3.6 | 16 | 16 | 16.65 | 33 | 54 | 45 | 4.6 | 6.4 |
| SBK 2010-5.6 | 20 | 10 | 20.75 | 40 | 65 | 45 | 10.7 | 17.3 |
| SBK 2020-3.6 | 20 | 20 | 20.75 | 40 | 65 | 54 | 7 | 10.5 |
| SBK 2030-3.6 | 20 | 30 | 20.75 | 40 | 65 | 71 | 6.9 | 11.2 |
| SBK 2520-3.6 | 25 | 20 | 26 | 47 | 74 | 57 | 11 | 16.9 |
| SBK 2525-3.6 | 25 | 25 | 26 | 47 | 74 | 68 | 10.8 | 16.9 |
| SBK 3220-5.6 | 32 | 20 | 33.25 | 58 | 92 | 82 | 23.6 | 41.1 |
| SBK 3232-5.6 | 32 | 32 | 33.25 | 58 | 92 | 118 | 23.1 | 41.8 |
| SBK 3620-7.6 | 36 | 20 | 37.75 | 73 | 114 | 110 | 48.5 | 85 |
| SBK 3636-5.6 | 36 | 36 | 37.75 | 73 | 114 | 134 | 36.6 | 64.7 |
| SBK 4020-7.6 | 40 | 20 | 42 | 80 | 136 | 110 | 59.7 | 112.7 |
| SBK 4030-7.6 | 40 | 30 | 42 | 80 | 136 | 148 | 59.2 | 107.5 |
| SBK 4040-5.6 | 40 | 40 | 42 | 80 | 136 | 146 | 44.8 | 80.3 |
| SBK 5020-7.6 | 50 | 20 | 52 | 90 | 146 | 110 | 66.8 | 141.9 |
| SBK 5030-7.6 | 50 | 30 | 52 | 90 | 146 | 149 | 66.5 | 135 |
| SBK 5036-7.6 | 50 | 36 | 52 | 90 | 146 | 172 | 65.9 | 135 |
| SBK 5050-5.6 | 50 | 50 | 52 | 90 | 146 | 175 | 50.3 | 102.4 |
| SBK 5520-7.6 | 55 | 20 | 57 | 96 | 152 | 110 | 69.8 | 156.4 |
| SBK 5530-7.6 | 55 | 30 | 57 | 96 | 152 | 149 | 69.2 | 147 |
| SBK 5536-7.6 | 55 | 36 | 57 | 96 | 152 | 172 | 69.1 | 148.7 |
Small-type Model SBK

| Model No. | Screw shaft outer diameter | Lead | Ball center-to-center diameter | Outer diameter | Flange diameter | Overall length | Basic load rating | |
| Dynamic | Static | |||||||
| rating | rating | |||||||
| d | Ph | dp | D g6 | D1 | L1 | Ca | C0a | |
| mm | mm | mm | mm | mm | mm | kN | kN | |
| SBK 1520-3.6 | 15 | 20 | 15.75 | 38 | 62 | 54 | 5.8 | 7.8 |
| SBK 1616-3.6 | 16 | 16 | 16.65 | 33 | 54 | 45 | 4.6 | 6.4 |
| SBK 2010-5.6 | 20 | 10 | 20.75 | 40 | 65 | 45 | 10.7 | 17.3 |
| SBK 2020-3.6 | 20 | 20 | 20.75 | 40 | 65 | 54 | 7 | 10.5 |
| SBK 2030-3.6 | 20 | 30 | 20.75 | 40 | 65 | 71 | 6.9 | 11.2 |
| SBK 2520-3.6 | 25 | 20 | 26 | 47 | 74 | 57 | 11 | 16.9 |
| SBK 2525-3.6 | 25 | 25 | 26 | 47 | 74 | 68 | 10.8 | 16.9 |
| SBK 3220-5.6 | 32 | 20 | 33.25 | 58 | 92 | 82 | 23.6 | 41.1 |
| SBK 3232-5.6 | 32 | 32 | 33.25 | 58 | 92 | 118 | 23.1 | 41.8 |
| SBK 3620-7.6 | 36 | 20 | 37.75 | 73 | 114 | 110 | 48.5 | 85 |
| SBK 3636-5.6 | 36 | 36 | 37.75 | 73 | 114 | 134 | 36.6 | 64.7 |
| SBK 4020-7.6 | 40 | 20 | 42 | 80 | 136 | 110 | 59.7 | 112.7 |
| SBK 4030-7.6 | 40 | 30 | 42 | 80 | 136 | 148 | 59.2 | 107.5 |
| SBK 4040-5.6 | 40 | 40 | 42 | 80 | 136 | 146 | 44.8 | 80.3 |
| SBK 5020-7.6 | 50 | 20 | 52 | 90 | 146 | 110 | 66.8 | 141.9 |
| SBK 5030-7.6 | 50 | 30 | 52 | 90 | 146 | 149 | 66.5 | 135 |
| SBK 5036-7.6 | 50 | 36 | 52 | 90 | 146 | 172 | 65.9 | 135 |
| SBK 5050-5.6 | 50 | 50 | 52 | 90 | 146 | 175 | 50.3 | 102.4 |
| SBK 5520-7.6 | 55 | 20 | 57 | 96 | 152 | 110 | 69.8 | 156.4 |
| SBK 5530-7.6 | 55 | 30 | 57 | 96 | 152 | 149 | 69.2 | 147 |
| SBK 5536-7.6 | 55 | 36 | 57 | 96 | 152 | 172 | 69.1 | 148.7 |
Compact Type SDA-V/SDA-VZ

| Model No. | Screw shaft outer diameter | Lead | Ball center-to-center diameter | Outer diameter | Flange diameter | Overall length | Basic load rating | |||
| SDA-V(With Retainer) | SDA-VZ(Full-Complement Bearings) | |||||||||
| Dynamic | Static | Dynamic | Static | |||||||
| rating | rating | rating | rating | |||||||
| d | Ph | dp | D g6 | D1 | L1 | Ca | C0a | Ca | C0a | |
| mm | mm | mm | mm | mm | mm | kN | kN | kN | kN | |
| SDA 1004VZ-4 | 10 | 4 | 10.4 | 19 | 36 | 24 | – | – | 3.54 | 5.42 |
| SDA 1005VZ-4 | 10 | 5 | 10.4 | 19 | 36 | 28 | – | – | 3.53 | 5.44 |
| SDA 1010VZ-3 | 10 | 10 | 10.4 | 19 | 36 | 37 | – | – | 2.63 | 3.86 |
| SDA 1205VZ-3 | 12 | 5 | 12.5 | 24 | 40 | 25 | – | – | 4.99 | 7.02 |
| SDA 1210VZ-2 | 12 | 10 | 12.5 | 24 | 40 | 29 | – | – | 3.31 | 4.25 |
| SDA 1220VZ-2 | 12 | 20 | 12.5 | 24 | 40 | 47 | – | – | 3.13 | 4.63 |
| SDA 1230VZ-2 | 12 | 30 | 12.5 | 24 | 40 | 65 | – | – | 2.92 | 4.14 |
| SDA 1405V-4 | 14 | 5 | 14.5 | 26 | 48 | 30 | 7.4 | 10.1 | 7.1 | 11.3 |
| SDA 1505V-3 | 15 | 5 | 15.5 | 28 | 48 | 25 | 5.9 | 7.9 | 5.6 | 8.8 |
| SDA 1510V-3 | 15 | 10 | 15.5 | 28 | 48 | 38 | 5.8 | 7.6 | 5.5 | 8.4 |
| SDA 1520V-4 | 15 | 20 | 15.5 | 28 | 48 | 46 | 6.8 | 10.1 | 6.5 | 11.2 |
| SDA 1530V-4 | 15 | 30 | 15.5 | 28 | 48 | 65 | 6.5 | 8.8 | 6.2 | 9.7 |
| SDA 1605V-3 | 16 | 5 | 16.5 | 28 | 48 | 25 | 6 | 8.4 | 5.8 | 9.4 |
| SDA 1610V-3 | 16 | 10 | 16.5 | 28 | 48 | 39 | 6 | 8.1 | 5.7 | 9 |
| SDA 1616V-3 | 16 | 16 | 16.5 | 28 | 48 | 56 | 5.9 | 8.4 | 5.6 | 9.2 |
| SDA 2004V-4 | 20 | 4 | 20.5 | 32 | 58 | 27 | 8.8 | 14.7 | 8.3 | 16.2 |
| SDA 2005V-3 | 20 | 5 | 20.75 | 36 | 58 | 27 | 11.7 | 17.7 | 11.1 | 18.9 |
| SDA 2010V-3 | 20 | 10 | 20.75 | 36 | 58 | 40 | 11.6 | 17.7 | 11 | 19 |
| SDA 2020V-3 | 20 | 20 | 20.75 | 36 | 58 | 67 | 11.4 | 17.2 | 10.8 | 18.5 |
| SDA 2030V-2 | 20 | 30 | 20.75 | 36 | 58 | 66 | 7.4 | 11.5 | 7 | 12.3 |
| SDA 2040V-2 | 20 | 40 | 20.75 | 36 | 58 | 84 | 7.1 | 9.7 | 6.8 | 10.4 |
| SDA 2505V-3 | 25 | 5 | 25.75 | 40 | 62 | 27 | 12.9 | 22 | 12.3 | 23.7 |
| SDA 2510V-3 | 25 | 10 | 25.75 | 40 | 62 | 40 | 12.8 | 22 | 12.2 | 23.8 |
| SDA 2520V-3 | 25 | 20 | 25.75 | 40 | 62 | 67 | 12.7 | 21.3 | 12.1 | 22.9 |
| SDA 2525V-3 | 25 | 25 | 25.75 | 40 | 62 | 82 | 12.5 | 21.6 | 11.9 | 23.3 |
| SDA 2530V-2 | 25 | 30 | 25.75 | 40 | 62 | 66 | 8.3 | 13.9 | 7.9 | 14.9 |
| SDA 2550V-2 | 25 | 50 | 25.75 | 40 | 62 | 102 | 7.8 | 12.1 | 7.5 | 13.1 |
| SDA 3110V-5 | 31 | 10 | 32 | 56 | 86 | 65 | 57.1 | 94.7 | 54.4 | 99.7 |
| SDA 2806V-5 | 28 | 6 | 29 | 46 | 80 | 42 | 29.6 | 54.5 | 28.2 | 57.7 |
| SDA 3112V-5 | 31 | 12 | 32 | 56 | 86 | 74 | 57 | 94.7 | 54.3 | 99.9 |
| SDA 3116V-5 | 31 | 16 | 32 | 56 | 86 | 93 | 56.8 | 96 | 54.1 | 100.5 |
| SDA 3120V-5 | 31 | 20 | 32 | 56 | 86 | 112 | 56.6 | 90.3 | 53.9 | 95.1 |
| SDA 3132V-2 | 31 | 32 | 32 | 56 | 86 | 73 | 23.2 | 33.8 | 22.1 | 35.4 |
| SDA 3205V-4 | 32 | 5 | 32.75 | 50 | 80 | 32 | 18.8 | 38.5 | 17.9 | 41.7 |
| SDA 3210V-5 | 32 | 10 | 33 | 50 | 80 | 61 | 31.3 | 62.9 | 29.8 | 66.3 |
| SDA 3610V-5 | 36 | 10 | 37 | 61 | 91 | 65 | 61.7 | 110.6 | 58.8 | 116.4 |
| SDA 3612V-5 | 36 | 12 | 37 | 61 | 91 | 74 | 61.7 | 110.6 | 58.7 | 116.6 |
| SDA 3616V-5 | 36 | 16 | 37 | 61 | 91 | 93 | 61.5 | 111.9 | 58.6 | 117.1 |
| SDA 3620V-5 | 36 | 20 | 37 | 61 | 91 | 112 | 61.3 | 105.2 | 58.4 | 110.6 |
| SDA 3636V-2 | 36 | 36 | 37 | 61 | 91 | 81 | 25.1 | 39.3 | 23.9 | 41.3 |
| SDA 3810V-5 | 38 | 10 | 39 | 63 | 93 | 65 | 63.4 | 117.7 | 60.4 | 123.1 |
| SDA 3812V-5 | 38 | 12 | 39 | 63 | 93 | 74 | 63.4 | 117.7 | 60.3 | 123.3 |
| SDA 3816V-5 | 38 | 16 | 39 | 63 | 93 | 93 | 63.2 | 117.7 | 60.2 | 123.7 |
| SDA 3820V-5 | 38 | 20 | 39 | 63 | 93 | 112 | 63 | 111.9 | 60 | 116.9 |
| SDA 3825V-4 | 38 | 25 | 39 | 63 | 93 | 111 | 51.1 | 87.8 | 48.6 | 92.7 |
| SDA 3830V-3 | 38 | 30 | 39 | 63 | 93 | 100 | 38.7 | 64.9 | 36.9 | 68.2 |
| SDA 3840V-2 | 38 | 40 | 39 | 63 | 93 | 87 | 25.7 | 42 | 24.4 | 43.9 |
| SDA 4510V-5 | 45 | 10 | 46 | 70 | 105 | 65 | 68.7 | 139.4 | 65.4 | 146.5 |
| SDA 4512V-5 | 45 | 12 | 46 | 70 | 105 | 74 | 68.6 | 139.4 | 65.4 | 146.7 |
| SDA 4516V-5 | 45 | 16 | 46 | 70 | 105 | 93 | 68.5 | 140.7 | 65.3 | 147 |
| SDA 4520V-5 | 45 | 20 | 46 | 70 | 105 | 112 | 68.4 | 140.7 | 65.1 | 147.5 |
| SDA 4525V-4 | 45 | 25 | 46 | 70 | 105 | 110 | 55.5 | 104 | 52.8 | 109.8 |
| SDA 4530V-4 | 45 | 30 | 46 | 70 | 105 | 130 | 55.3 | 105.3 | 52.6 | 110.5 |
| SDA 4540V-3 | 45 | 40 | 46 | 70 | 105 | 129 | 41.7 | 78.3 | 39.7 | 81.9 |
| SDA 5010V-5 | 50 | 10 | 51 | 75 | 110 | 65 | 72 | 155.2 | 68.6 | 163.2 |
| SDA 5012V-5 | 50 | 12 | 51 | 75 | 110 | 74 | 72 | 155.2 | 68.5 | 163.3 |
| SDA 5016V-5 | 50 | 16 | 51 | 75 | 110 | 93 | 71.9 | 156.6 | 68.4 | 163.7 |
| SDA 5020V-5 | 50 | 20 | 51 | 75 | 110 | 112 | 71.7 | 156.6 | 68.3 | 164.2 |
| SDA 5025V-4 | 50 | 25 | 51 | 75 | 110 | 110 | 58.2 | 123.6 | 55.5 | 129.8 |
| SDA 5030V-4 | 50 | 30 | 51 | 75 | 110 | 130 | 58 | 117.5 | 55.3 | 122.6 |
| SDA 5040V-3 | 50 | 40 | 51 | 75 | 110 | 128 | 43.9 | 86.5 | 41.8 | 90.7 |
| SDA 5050V-2 | 50 | 50 | 51 | 75 | 110 | 107 | 29.2 | 55.5 | 27.8 | 58 |
High Load Model HBN

| Model No. | Screw shaft outer diameter | Lead | Ball center-to-center diameter | Outer diameter | Flange diameter | Overall length | Basic load rating | |||
| SDA-V(With Retainer) | SDA-VZ(Full-Complement Bearings) | |||||||||
| Dynamic | Static | Dynamic | Static | |||||||
| rating | rating | rating | rating | |||||||
| d | Ph | dp | D g6 | D1 | L1 | Ca | C0a | Ca | C0a | |
| mm | mm | mm | mm | mm | mm | kN | kN | kN | kN | |
| HBN 3210-5 | 32 | 10 | 34 | 58 | 85 | 98 | — | 102.9 | 191.3 | 31.9 |
| HBN 3610-5 | 36 | 10 | 38 | 62 | 89 | 98 | — | 108.2 | 220.4 | 33.5 |
| HBN 3612-5 | 36 | 12 | 38.4 | 66 | 100 | 116 | — | 141.1 | 267.7 | 43.7 |
| HBN 4010-7.5 | 40 | 10 | 42 | 66 | 100 | 135 | — | 162.6 | 336 | 50.4 |
| HBN 4012-7.5 | 40 | 12 | 42.4 | 70 | 104 | 152 | — | 212.4 | 441.6 | 65.8 |
| HBN 5010-7.5 | 50 | 10 | 52 | 78 | 112 | 135 | — | 179.1 | 462.7 | 55.5 |
| HBN 5012-7.5 | 50 | 12 | 52.4 | 80 | 114 | 152 | — | 235.7 | 572.2 | 73.1 |
| HBN 5016-7.5 | 50 | 16 | 53 | 95 | 135 | 211 | — | 379.6 | 820.9 | 117.7 |
| HBN 6316-7.5 | 63 | 16 | 66 | 105 | 139 | 211 | — | 427.1 | 1043.8 | 132.4 |
| HBN 6316-10.5 | 63 | 16 | 66 | 105 | 139 | 259 | — | 577.1 | 1461.3 | 178.9 |
| HBN 6320-7.5 | 63 | 20 | 66.5 | 117 | 157 | 252 | — | 578.8 | 1283.1 | 179.4 |
High-load High-speed Ball Screw Model SBKH

| Model No. | Screw shaft outer diameter | Lead | Ball center-to-center diameter | Outer diameter | Flange diameter | Overall length | Basic load rating | |
| Dynamic | Static | |||||||
| rating | rating | |||||||
| d | Ph | dp | D g6 | D1 | L1 | Ca | C0a | |
| mm | mm | mm | mm | mm | mm | kN | kN | |
| SBKH6332-3.8 | 63 | 32 | 66.5 | 140 | 205 | 190 | 304 | 631 |
| SBKH6340-7.6 | 63 | 40 | 66 | 127 | 191 | 209 | 413 | 967 |
| SBKH8050-7.6 | 80 | 50 | 84 | 175 | 253 | 268 | 777 | 1788 |
| SBKH8060-7.6 | 80 | 60 | 84 | 175 | 253 | 306 | 780 | 1824 |
| SBKH10050-7.6 | 100 | 50 | 104 | 195 | 273 | 269 | 876 | 2401 |
| SBKH10060-7.6 | 100 | 60 | 104 | 195 | 273 | 307 | 880 | 2294 |
| SBKH12060-7.6 | 120 | 60 | 124 | 210 | 288 | 308 | 962 | 2941 |
High Speed Model SBN-V

| Model No. |
Screw shaft outer diameter | Lead | Ball center-to-center diameter |
| d | Ph | dp | |
| mm | mm | mm | |
| SBN 1604V-5 | 16 | 4 | 16.5 |
| SBN 1605V-5 | 16 | 5 | 16.75 |
| SBN 2004V-5 | 20 | 4 | 20.5 |
| SBN 2005V-5 | 20 | 5 | 20.75 |
| SBN 2010V-5 | 20 | 10 | 20.75 |
| SBN 2504V-5 | 25 | 4 | 25.5 |
| SBN 2505V-5 | 25 | 5 | 25.75 |
| SBN 2506V-5 | 25 | 6 | 26 |
| SBN 2805V-5 | 28 | 5 | 28.75 |
| SBN 3205V-5 | 32 | 5 | 32.75 |
| SBN 3206V-5 | 32 | 6 | 33 |
| SBN 2508V-7 | 25 | 8 | 26.25 |
| SBN 2510V-5 | 25 | 10 | 26.25 |
| SBN 2810V-3 | 28 | 10 | 29.75 |
| SBN 3210V-7 | 32 | 10 | 33.75 |
| SBN 3212V-5 | 32 | 12 | 34 |
| SBN 3216V-5 | 32 | 16 | 33.75 |
| SBN 3610V-7 | 36 | 10 | 37.75 |
| SBN 3612V-7 | 36 | 12 | 38 |
| SBN 3616V-5 | 36 | 16 | 38 |
| SBN 3620V-3 | 36 | 20 | 37.75 |
| SBN 4010V-5 | 40 | 10 | 41.75 |
| SBN 4012V-5 | 40 | 12 | 42 |
| SBN 4016V-5 | 40 | 16 | 42 |
| SBN 4020V-5 | 40 | 20 | 41.75 |
| SBN 4510V-5 | 45 | 10 | 46.75 |
| SBN 4512V-5 | 45 | 12 | 47 |
| SBN 4516V-5 | 45 | 16 | 47 |
| SBN 4520V-5 | 45 | 20 | 47 |
| SBN 5010V-5 | 50 | 10 | 51.75 |
| SBN 5012V-5 | 50 | 12 | 52.25 |
| SBN 5016V-5 | 50 | 16 | 52.7 |
| SBN 5020V-5 | 50 | 20 | 52.7 |
High Speed Model SBN

| Model No. |
Screw shaft outer diameter | Lead | Ball center-to-center diameter |
| d | Ph | dp | |
| mm | mm | mm | |
| SBN 1604-5 | 16 | 4 | 16.5 |
| SBN 1605-5 | 16 | 5 | 16.75 |
| SBN 2004-5 | 20 | 4 | 20.5 |
| SBN 2005-5 | 20 | 5 | 20.75 |
| SBN 2504-5 | 25 | 4 | 25.5 |
| SBN 2505-5 | 25 | 5 | 25.75 |
| SBN 2506-5 | 25 | 6 | 26 |
| SBN 2805-5 | 28 | 5 | 28.75 |
| SBN 2806-5 | 28 | 6 | 29 |
| SBN 3205-5 | 32 | 5 | 32.75 |
| SBN 3206-5 | 32 | 6 | 33 |
| SBN 3210-7 | 32 | 10 | 33.75 |
| SBN 3212-5 | 32 | 12 | 34 |
| SBN 3610-7 | 36 | 10 | 37.75 |
| SBN 3612-7 | 36 | 12 | 38 |
| SBN 3616-5 | 36 | 16 | 38 |
| SBN 4012-5 | 40 | 12 | 42 |
| SBN 4016-5 | 40 | 16 | 42 |
| SBN 4512-5 | 45 | 12 | 47 |
| SBN 4516-5 | 45 | 16 | 47 |
| SBN 5012-5 | 50 | 12 | 52 |
| SBN 5016-5 | 50 | 16 | 52 |
| SBN 5020-5 | 50 | 20 | 52 |
High Speed and Large-Lead Model SBK

| Model No. |
Screw shaft outer diameter | Lead | Ball center-to-center diameter |
| d | Ph | dp | |
| mm | mm | mm | |
| SBK 1520-3.6 | 15 | 20 | 15.75 |
| SBK 1616-3.6 | 16 | 16 | 16.65 |
| SBK 2010-5.6 | 20 | 10 | 20.75 |
| SBK 2020-3.6 | 20 | 20 | 20.75 |
| SBK 2030-3.6 | 20 | 30 | 20.75 |
| SBK 2520-3.6 | 25 | 20 | 26 |
| SBK 2525-3.6 | 25 | 25 | 26 |
| SBK 3220-5.6 | 32 | 20 | 33.25 |
| SBK 3232-5.6 | 32 | 32 | 33.25 |
| SBK 3620-7.6 | 36 | 20 | 37.75 |
| SBK 3636-5.6 | 36 | 36 | 37.75 |
| SBK 4020-7.6 | 40 | 20 | 42 |
| SBK 4030-7.6 | 40 | 30 | 42 |
| SBK 4040-5.6 | 40 | 40 | 42 |
| SBK 5020-7.6 | 50 | 20 | 52 |
| SBK 5030-7.6 | 50 | 30 | 52 |
| SBK 5036-7.6 | 50 | 36 | 52 |
| SBK 5050-5.6 | 50 | 50 | 52 |
| SBK 5520-7.6 | 55 | 20 | 57 |
| SBK 5530-7.6 | 55 | 30 | 57 |
| SBK 5536-7.6 | 55 | 36 | 57 |
Small-type Model SBK

| Model No. |
Screw shaft outer diameter | Lead | Ball center-to-center diameter |
| d | Ph | dp | |
| mm | mm | mm | |
| SBK 1520-3.6 | 15 | 20 | 15.75 |
| SBK 1616-3.6 | 16 | 16 | 16.65 |
| SBK 2010-5.6 | 20 | 10 | 20.75 |
| SBK 2020-3.6 | 20 | 20 | 20.75 |
| SBK 2030-3.6 | 20 | 30 | 20.75 |
| SBK 2520-3.6 | 25 | 20 | 26 |
| SBK 2525-3.6 | 25 | 25 | 26 |
| SBK 3220-5.6 | 32 | 20 | 33.25 |
| SBK 3232-5.6 | 32 | 32 | 33.25 |
| SBK 3620-7.6 | 36 | 20 | 37.75 |
| SBK 3636-5.6 | 36 | 36 | 37.75 |
| SBK 4020-7.6 | 40 | 20 | 42 |
| SBK 4030-7.6 | 40 | 30 | 42 |
| SBK 4040-5.6 | 40 | 40 | 42 |
| SBK 5020-7.6 | 50 | 20 | 52 |
| SBK 5030-7.6 | 50 | 30 | 52 |
| SBK 5036-7.6 | 50 | 36 | 52 |
| SBK 5050-5.6 | 50 | 50 | 52 |
| SBK 5520-7.6 | 55 | 20 | 57 |
| SBK 5530-7.6 | 55 | 30 | 57 |
| SBK 5536-7.6 | 55 | 36 | 57 |
Compact Type SDA-V/SDA-VZ

| Model No. |
Screw shaft outer diameter | Lead | Ball center-to-center diameter |
| d | Ph | dp | |
| mm | mm | mm | |
| SDA 1004VZ-4 | 10 | 4 | 10.4 |
| SDA 1005VZ-4 | 10 | 5 | 10.4 |
| SDA 1010VZ-3 | 10 | 10 | 10.4 |
| SDA 1205VZ-3 | 12 | 5 | 12.5 |
| SDA 1210VZ-2 | 12 | 10 | 12.5 |
| SDA 1220VZ-2 | 12 | 20 | 12.5 |
| SDA 1230VZ-2 | 12 | 30 | 12.5 |
| SDA 1405V-4 | 14 | 5 | 14.5 |
| SDA 1505V-3 | 15 | 5 | 15.5 |
| SDA 1510V-3 | 15 | 10 | 15.5 |
| SDA 1520V-4 | 15 | 20 | 15.5 |
| SDA 1530V-4 | 15 | 30 | 15.5 |
| SDA 1605V-3 | 16 | 5 | 16.5 |
| SDA 1610V-3 | 16 | 10 | 16.5 |
| SDA 1616V-3 | 16 | 16 | 16.5 |
| SDA 2004V-4 | 20 | 4 | 20.5 |
| SDA 2005V-3 | 20 | 5 | 20.75 |
| SDA 2010V-3 | 20 | 10 | 20.75 |
| SDA 2020V-3 | 20 | 20 | 20.75 |
| SDA 2030V-2 | 20 | 30 | 20.75 |
| SDA 2040V-2 | 20 | 40 | 20.75 |
| SDA 2505V-3 | 25 | 5 | 25.75 |
| SDA 2510V-3 | 25 | 10 | 25.75 |
| SDA 2520V-3 | 25 | 20 | 25.75 |
| SDA 2525V-3 | 25 | 25 | 25.75 |
| SDA 2530V-2 | 25 | 30 | 25.75 |
| SDA 2550V-2 | 25 | 50 | 25.75 |
| SDA 3110V-5 | 31 | 10 | 32 |
| SDA 2806V-5 | 28 | 6 | 29 |
| SDA 3112V-5 | 31 | 12 | 32 |
| SDA 3116V-5 | 31 | 16 | 32 |
| SDA 3120V-5 | 31 | 20 | 32 |
| SDA 3132V-2 | 31 | 32 | 32 |
| SDA 3205V-4 | 32 | 5 | 32.75 |
| SDA 3210V-5 | 32 | 10 | 33 |
| SDA 3610V-5 | 36 | 10 | 37 |
| SDA 3612V-5 | 36 | 12 | 37 |
| SDA 3616V-5 | 36 | 16 | 37 |
| SDA 3620V-5 | 36 | 20 | 37 |
| SDA 3636V-2 | 36 | 36 | 37 |
| SDA 3810V-5 | 38 | 10 | 39 |
| SDA 3812V-5 | 38 | 12 | 39 |
| SDA 3816V-5 | 38 | 16 | 39 |
| SDA 3820V-5 | 38 | 20 | 39 |
| SDA 3825V-4 | 38 | 25 | 39 |
| SDA 3830V-3 | 38 | 30 | 39 |
| SDA 3840V-2 | 38 | 40 | 39 |
| SDA 4510V-5 | 45 | 10 | 46 |
| SDA 4512V-5 | 45 | 12 | 46 |
| SDA 4516V-5 | 45 | 16 | 46 |
| SDA 4520V-5 | 45 | 20 | 46 |
| SDA 4525V-4 | 45 | 25 | 46 |
| SDA 4530V-4 | 45 | 30 | 46 |
| SDA 4540V-3 | 45 | 40 | 46 |
| SDA 5010V-5 | 50 | 10 | 51 |
| SDA 5012V-5 | 50 | 12 | 51 |
| SDA 5016V-5 | 50 | 16 | 51 |
| SDA 5020V-5 | 50 | 20 | 51 |
| SDA 5025V-4 | 50 | 25 | 51 |
| SDA 5030V-4 | 50 | 30 | 51 |
| SDA 5040V-3 | 50 | 40 | 51 |
| SDA 5050V-2 | 50 | 50 | 51 |
High Load Model HBN

| Model No. |
Screw shaft outer diameter | Lead | Ball center-to-center diameter |
| d | Ph | dp | |
| mm | mm | mm | |
| HBN 3210-5 | 32 | 10 | 34 |
| HBN 3610-5 | 36 | 10 | 38 |
| HBN 3612-5 | 36 | 12 | 38.4 |
| HBN 4010-7.5 | 40 | 10 | 42 |
| HBN 4012-7.5 | 40 | 12 | 42.4 |
| HBN 5010-7.5 | 50 | 10 | 52 |
| HBN 5012-7.5 | 50 | 12 | 52.4 |
| HBN 5016-7.5 | 50 | 16 | 53 |
| HBN 6316-7.5 | 63 | 16 | 66 |
| HBN 6316-10.5 | 63 | 16 | 66 |
| HBN 6320-7.5 | 63 | 20 | 66.5 |
High-load High-speed Ball Screw Model SBKH

| Model No. |
Screw shaft outer diameter | Lead | Ball center-to-center diameter |
| d | Ph | dp | |
| mm | mm | mm | |
| SBKH6332-3.8 | 63 | 32 | 66.5 |
| SBKH6340-7.6 | 63 | 40 | 66 |
| SBKH8050-7.6 | 80 | 50 | 84 |
| SBKH8060-7.6 | 80 | 60 | 84 |
| SBKH10050-7.6 | 100 | 50 | 104 |
| SBKH10060-7.6 | 100 | 60 | 104 |
| SBKH12060-7.6 | 120 | 60 | 124 |
Precision Ball Screw
Precision
Model BIF-V

| Model No. | Screw shaft outer diameter | Lead | Ball center-to-center diameter | Outer diameter | Flange diameter | Overall length | Basic load rating | |
| Dynamic | Static | |||||||
| rating | rating | |||||||
| d | Ph | dp | D g6 | D1 | L1 | Ca | C0a | |
| mm | mm | mm | mm | mm | mm | kN | kN | |
| BIF 1604V-5 | 16 | 4 | 16.5 | 36 | 59 | 53 | 4.3 | 8.7 |
| BIF 1605V-5 | 16 | 5 | 16.75 | 40 | 60 | 56 | 7.4 | 13.9 |
| BIF 2004V-5 | 20 | 4 | 20.5 | 40 | 63 | 49 | 4.8 | 10.9 |
| BIF 2004V-10 | 20 | 4 | 20.5 | 40 | 63 | 73 | 8.6 | 21.8 |
| BIF 2005V-5 | 20 | 5 | 20.75 | 44 | 67 | 56 | 8.3 | 17.5 |
| BIF 2005V-10 | 20 | 5 | 20.75 | 44 | 67 | 86 | 15.1 | 35 |
| BIF 2010V-5 | 20 | 10 | 20.75 | 46 | 74 | 90 | 8.3 | 17.6 |
| BIF 2504V-5 | 25 | 4 | 25.5 | 46 | 69 | 48 | 5.2 | 13.7 |
| BIF 2504V-10 | 25 | 4 | 25.5 | 46 | 69 | 72 | 9.5 | 27.4 |
| BIF 2505V-5 | 25 | 5 | 25.75 | 50 | 73 | 55 | 9.2 | 21.9 |
| BIF 2505V-10 | 25 | 5 | 25.75 | 50 | 73 | 85 | 16.7 | 43.9 |
| BIF 2506V-5 | 25 | 6 | 26 | 53 | 76 | 62 | 12.4 | 27.4 |
| BIF 2506V-10 | 25 | 6 | 26 | 53 | 76 | 98 | 22.6 | 54.8 |
| BIF 2805V-5 | 28 | 5 | 28.75 | 55 | 85 | 59 | 9.7 | 24.6 |
| BIF 2805V-10 | 28 | 5 | 28.75 | 55 | 85 | 89 | 17.5 | 49.2 |
| BIF 2806V-5 | 28 | 6 | 28.75 | 55 | 85 | 68 | 9.6 | 24.6 |
| BIF 2806V-10 | 28 | 6 | 28.75 | 55 | 85 | 104 | 17.5 | 49.2 |
| BIF 3205V-5 | 32 | 5 | 32.75 | 58 | 85 | 56 | 10.2 | 28.1 |
| BIF 3205V-10 | 32 | 5 | 32.75 | 58 | 85 | 86 | 18.5 | 56.3 |
| BIF 3206V-5 | 32 | 6 | 33 | 62 | 89 | 63 | 13.9 | 35.2 |
| BIF 3206V-10 | 32 | 6 | 33 | 62 | 89 | 99 | 25.2 | 70.3 |
| BIF 2508V-5 | 25 | 8 | 26.25 | 58 | 85 | 82 | 15.8 | 32.9 |
| BIF 2508V-7 | 25 | 8 | 26.25 | 58 | 85 | 98 | 21.1 | 46 |
| BIF 2508V-10 | 25 | 8 | 26.25 | 58 | 85 | 130 | 28.7 | 65.7 |
| BIF 2510V-5 | 25 | 10 | 26.25 | 58 | 85 | 100 | 15.8 | 32.9 |
| BIF 2810V-3 | 28 | 10 | 29.75 | 65 | 106 | 88 | 15.6 | 29.4 |
| BIF 3210V-5 | 32 | 10 | 33.75 | 74 | 108 | 100 | 26 | 56.2 |
| BIF 3210V-7 | 32 | 10 | 33.75 | 74 | 108 | 120 | 34.8 | 78.6 |
| BIF 3210V-10 | 32 | 10 | 33.75 | 74 | 108 | 160 | 47.3 | 112.3 |
| BIF 3212V-5 | 32 | 12 | 34 | 76 | 121 | 117 | 30.2 | 63.2 |
| BIF 3212V-7 | 32 | 12 | 34 | 76 | 121 | 146 | 40.4 | 88.5 |
| BIF 3216V-5 | 32 | 16 | 33.75 | 74 | 108 | 139 | 25.9 | 56.5 |
| BIF 3610V-5 | 36 | 10 | 37.75 | 75 | 120 | 111 | 27.6 | 63.3 |
| BIF 3610V-7 | 36 | 10 | 37.75 | 75 | 120 | 123 | 36.9 | 88.6 |
| BIF 3610V-10 | 36 | 10 | 37.75 | 75 | 120 | 171 | 50.1 | 126.5 |
| BIF 3612V-5 | 36 | 12 | 38 | 78 | 123 | 123 | 32.2 | 71.2 |
| BIF 3612V-7 | 36 | 12 | 38 | 78 | 123 | 140 | 43 | 99.6 |
| BIF 3612V-10 | 36 | 12 | 38 | 78 | 123 | 195 | 58.4 | 142.3 |
| BIF 3616V-5 | 36 | 16 | 38 | 78 | 123 | 140 | 32.1 | 71.5 |
| BIF 3620V-3 | 36 | 20 | 37.75 | 75 | 114 | 122 | 17.7 | 38.4 |
| BIF 4010V-5 | 40 | 10 | 41.75 | 82 | 124 | 103 | 29 | 70.4 |
| BIF 4010V-7 | 40 | 10 | 41.75 | 82 | 124 | 123 | 38.8 | 98.5 |
| BIF 4010V-10 | 40 | 10 | 41.75 | 82 | 124 | 163 | 52.7 | 140.7 |
| BIF 4012V-5 | 40 | 12 | 42 | 84 | 126 | 119 | 33.9 | 79.2 |
| BIF 4012V-7 | 40 | 12 | 42 | 84 | 126 | 143 | 45.3 | 110.8 |
| BIF 4012V-10 | 40 | 12 | 42 | 84 | 126 | 191 | 61.6 | 158.3 |
| BIF 4016V-5 | 40 | 16 | 42 | 84 | 126 | 144 | 33.9 | 79.4 |
| BIF 4020V-5 | 40 | 20 | 41.75 | 82 | 126 | 162 | 28.9 | 71 |
| BIF 4510V-5 | 45 | 10 | 46.75 | 88 | 132 | 111 | 30.6 | 79.3 |
| BIF 4510V-10 | 45 | 10 | 46.75 | 88 | 132 | 171 | 55.6 | 158.5 |
| BIF 4512V-5 | 45 | 12 | 47 | 90 | 130 | 119 | 35.9 | 89.2 |
| BIF 4512V-10 | 45 | 12 | 47 | 90 | 130 | 191 | 65.2 | 178.3 |
| BIF 4516V-5 | 45 | 16 | 47 | 90 | 130 | 140 | 35.8 | 89.4 |
| BIF 4520V-5 | 45 | 20 | 47 | 90 | 130 | 162 | 35.8 | 89.7 |
| BIF 5010V-5 | 50 | 10 | 51.75 | 93 | 135 | 103 | 32.1 | 88.1 |
| BIF 5010V-7 | 50 | 10 | 51.75 | 93 | 135 | 123 | 42.9 | 123.4 |
| BIF 5010V-10 | 50 | 10 | 51.75 | 93 | 135 | 163 | 58.2 | 176.3 |
| BIF 5012V-5 | 50 | 12 | 52.25 | 100 | 146 | 123 | 43.4 | 110.1 |
| BIF 5012V-7 | 50 | 12 | 52.25 | 100 | 146 | 147 | 58 | 154.1 |
| BIF 5012V-10 | 50 | 12 | 52.25 | 100 | 146 | 195 | 78.8 | 220.2 |
| BIF 5016V-5 | 50 | 16 | 52.7 | 105 | 152 | 164 | 72.6 | 183.1 |
| BIF 5016V-10 | 50 | 16 | 52.7 | 105 | 152 | 260 | 131.8 | 366.2 |
| BIF 5020V-5 | 50 | 20 | 52.7 | 105 | 152 | 201 | 72.5 | 183.6 |
Slim nut Model DIK

| Model No. | Screw shaft outer diameter | Lead | Ball center-to-center diameter | Outer diameter | Flange diameter | Overall length | Basic load rating | |
| Dynamic | Static | |||||||
| rating | rating | |||||||
| d | Ph | dp | D g6 | D1 | L1 | Ca | C0a | |
| mm | mm | mm | mm | mm | mm | kN | kN | |
| DIK 1404-4 | 14 | 4 | 14.5 | 26 | 45 | 48 | 3 | 5.1 |
| DIK 1404-6 | 14 | 4 | 14.5 | 26 | 45 | 60 | 4.2 | 7.7 |
| DIK 1605-6 | 16 | 5 | 16.75 | 30 | 49 | 60 | 7.4 | 13 |
| DIK 2004-6 | 20 | 4 | 20.5 | 32 | 56 | 62 | 5.2 | 11.6 |
| DIK 2004-8 | 20 | 4 | 20.5 | 32 | 56 | 70 | 6.6 | 15.5 |
| DIK 2005-6 | 20 | 5 | 20.75 | 34 | 58 | 61 | 8.5 | 17.3 |
| DIK 2006-6 | 20 | 6 | 21 | 35 | 58 | 76 | 11.4 | 21.5 |
| DIK 2008-4 | 20 | 8 | 21 | 35 | 58 | 69 | 8.1 | 14.4 |
| DIK 2504-6 | 25 | 4 | 25.5 | 38 | 63 | 63 | 5.7 | 15 |
| DIK 2504-8 | 25 | 4 | 25.5 | 38 | 63 | 71 | 7.4 | 19.9 |
| DIK 2505-6 | 25 | 5 | 25.75 | 40 | 63 | 61 | 9.7 | 22.6 |
| DIK 2506-4 | 25 | 6 | 26 | 40 | 63 | 60 | 9.1 | 18 |
| DIK 2506-6 | 25 | 6 | 26 | 40 | 63 | 72 | 12.8 | 27 |
| DIK 2508-4 | 25 | 8 | 26 | 40 | 63 | 71 | 9.2 | 18.8 |
| DIK 2508-6 | 25 | 8 | 26 | 40 | 63 | 94 | 13.1 | 28.1 |
| DIK 2510-4 | 25 | 10 | 26 | 40 | 63 | 85 | 9 | 18 |
| DIK 2805-6 | 28 | 5 | 28.75 | 43 | 71 | 69 | 10.5 | 26.4 |
| DIK 2805-8 | 28 | 5 | 28.75 | 43 | 71 | 79 | 13.4 | 35.2 |
| DIK 2806-6 | 28 | 6 | 29 | 43 | 71 | 73 | 14 | 32 |
| DIK 2810-4 | 28 | 10 | 29.25 | 45 | 71 | 84 | 12.3 | 25 |
| DIK 3204-6 | 32 | 4 | 32.5 | 45 | 76 | 64 | 6.4 | 19.6 |
| DIK 3204-8 | 32 | 4 | 32.5 | 45 | 76 | 72 | 8.2 | 26.1 |
| DIK 3204-10 | 32 | 4 | 32.5 | 45 | 76 | 80 | 10 | 32.7 |
| DIK 3205-6 | 32 | 5 | 32.75 | 46 | 76 | 62 | 11.1 | 30.2 |
| DIK 3205-8 | 32 | 5 | 32.75 | 46 | 76 | 73 | 14.2 | 40.3 |
| DIK 3206-6 | 32 | 6 | 33 | 48 | 76 | 73 | 14.9 | 37.1 |
| DIK 3206-8 | 32 | 6 | 33 | 48 | 76 | 87 | 19.1 | 49.5 |
| DIK 3210-6 | 32 | 10 | 33.75 | 54 | 87 | 110 | 25.7 | 52.2 |
| DIK 3212-4 | 32 | 12 | 33.75 | 54 | 87 | 98 | 18.8 | 37 |
| DIK 3610-6 | 36 | 10 | 37.75 | 58 | 98 | 122 | 28.8 | 63.8 |
| DIK 3610-8 | 36 | 10 | 37.75 | 58 | 98 | 143 | 36.8 | 85 |
| DIK 3610-10 | 36 | 10 | 37.75 | 58 | 98 | 164 | 44.6 | 106.3 |
| DIK 4010-6 | 40 | 10 | 41.75 | 62 | 104 | 113 | 29.8 | 69.3 |
| DIK 4010-8 | 40 | 10 | 41.75 | 62 | 104 | 137 | 38.1 | 92.4 |
| DIK 4012-6 | 40 | 12 | 41.75 | 62 | 104 | 138 | 30.6 | 72.3 |
| DIK 4012-8 | 40 | 12 | 41.75 | 62 | 104 | 163 | 39.2 | 96.4 |
| DIK 4016-4 | 40 | 16 | 41.75 | 62 | 104 | 120 | 21.5 | 68.4 |
| DIK 5010-6 | 50 | 10 | 51.75 | 72 | 123 | 114 | 33.9 | 90.7 |
| DIK 5010-8 | 50 | 10 | 51.75 | 72 | 123 | 137 | 43.4 | 120.5 |
| DIK 5010-10 | 50 | 10 | 51.75 | 72 | 123 | 160 | 52.5 | 150.9 |
| DIK 5012-6 | 50 | 12 | 52.25 | 75 | 129 | 145 | 45.8 | 113 |
| DIK 5012-8 | 50 | 12 | 52.25 | 75 | 129 | 170 | 58.6 | 150.6 |
| DIK 5016-4 | 50 | 16 | 52.25 | 75 | 129 | 129 | 32.3 | 75.5 |
| DIK 5016-6 | 50 | 16 | 52.25 | 75 | 129 | 175 | 45.7 | 113.3 |
| DIK 6310-8 | 63 | 10 | 64.75 | 85 | 146 | 141 | 49.5 | 160.7 |
| DIK 6312-6 | 63 | 12 | 65.25 | 90 | 146 | 146 | 51.9 | 147.4 |
| DIK 6312-8 | 63 | 12 | 65.25 | 90 | 146 | 171 | 66.4 | 196.6 |
Rotary nut Model DIR

| Model No. | Screw shaft outer diameter | Lead | Ball center-to-center diameter | Outer diameter | Flange diameter | Overall length | Basic load rating | |
| Dynamic | Static | |||||||
| rating | rating | |||||||
| d | Ph | dp | D g6 | D1 | L1 | Ca | C0a | |
| mm | mm | mm | mm | mm | mm | kN | kN | |
| DIR 1605-6 | 16 | 5 | 16.75 | 48 | 64 | 79 | 7.4 | 13 |
| DIR 2005-6 | 20 | 5 | 20.75 | 56 | 72 | 80 | 8.5 | 17.3 |
| DIR 2505-6 | 25 | 5 | 25.75 | 66 | 86 | 88 | 9.7 | 22.6 |
| DIR 2510-4 | 25 | 10 | 26 | 66 | 86 | 106 | 9 | 18 |
| DIR 3205-6 | 32 | 5 | 32.75 | 78 | 103 | 86 | 11.1 | 30.2 |
| DIR 3206-6 | 32 | 6 | 33 | 78 | 103 | 97 | 14.9 | 37.1 |
| DIR 3210-6 | 32 | 10 | 33.75 | 78 | 103 | 131 | 25.7 | 52.2 |
| DIR 3610-6 | 36 | 10 | 37.75 | 92 | 122 | 151 | 28.8 | 63.8 |
| DIR 4010-6 | 40 | 10 | 41.75 | 100 | 130 | 142 | 29.8 | 69.3 |
| DIR 4012-6 | 40 | 12 | 41.75 | 100 | 130 | 167 | 30.6 | 72.3 |
Model BNFN-V

| Model No. | Screw shaft outer diameter | Lead | Ball center-to-center diameter | Outer diameter | Flange diameter | Overall length | Basic load rating | |
| Dynamic | Static | |||||||
| rating | rating | |||||||
| d | Ph | dp | D g6 | D1 | L1 | Ca | C0a | |
| mm | mm | mm | mm | mm | mm | kN | kN | |
| BNFN 1605V-5 | 16 | 5 | 16.75 | 40 | 60 | 106 | 13.5 | 27.9 |
| BNFN 2805V-7.5 | 28 | 5 | 28.75 | 55 | 85 | 134 | 24.8 | 73.8 |
| BNFN 2806V-7.5 | 28 | 6 | 28.75 | 55 | 85 | 158 | 24.8 | 73.8 |
| BNFN 3205V-7.5 | 32 | 5 | 32.75 | 58 | 85 | 136 | 26.2 | 84.4 |
| BNFN 2810V-2.5 | 28 | 10 | 29.75 | 65 | 106 | 146 | 24.3 | 49 |
| BNFN 3610V-7.5 | 36 | 10 | 37.75 | 75 | 120 | 261 | 71 | 189.8 |
| BNFN 3616V-5 | 36 | 16 | 38 | 78 | 123 | 268 | 58.3 | 142.9 |
| BNFN 4016V-5 | 40 | 16 | 42 | 84 | 126 | 280 | 61.5 | 158.8 |
| BNFN 4510V-7.5 | 45 | 10 | 46.75 | 88 | 132 | 261 | 78.8 | 237.8 |
| BNFN 5010V-7.5 | 50 | 10 | 51.75 | 93 | 135 | 253 | 82.5 | 264.4 |
Double-nut Preload Model BNFN

| Model No. | Screw shaft outer diameter | Lead | Ball center-to-center diameter | Outer diameter | Flange diameter | Overall length | Basic load rating | |
| Dynamic | Static | |||||||
| rating | rating | |||||||
| d | Ph | dp | D g6 | D1 | L1 | Ca | C0a | |
| mm | mm | mm | mm | mm | mm | kN | kN | |
| BNFN 5510-2.5 | 55 | 10 | 56.75 | 102 | 144 | 141 | 33.4 | 97 |
| BNFN 5510-5 | 55 | 10 | 56.75 | 102 | 144 | 201 | 60.7 | 194 |
| BNFN 5510-7.5 | 55 | 10 | 56.75 | 102 | 144 | 261 | 85.9 | 291.1 |
| BNFN 5512-2.5 | 55 | 12 | 57 | 105 | 147 | 165 | 39.3 | 108.8 |
| BNFN 5512-3 | 55 | 12 | 57 | 105 | 147 | 191 | 46 | 131.3 |
| BNFN 5512-3.5 | 55 | 12 | 57 | 105 | 147 | 189 | 52.4 | 152.9 |
| BNFN 5512-5 | 55 | 12 | 57 | 105 | 147 | 237 | 71.3 | 218.5 |
| BNFN 5512-7.5 | 55 | 12 | 57 | 105 | 147 | 309 | 100.9 | 327.3 |
| BNFN 5516-2.5 | 55 | 16 | 57.7 | 110 | 158 | 196 | 76.1 | 201.9 |
| BNFN 5516-5 | 55 | 16 | 57.7 | 110 | 158 | 292 | 138.2 | 402.8 |
| BNFN 5520-2.5 | 55 | 20 | 57.7 | 112 | 158 | 227 | 76 | 201.9 |
| BNFN 5520-5 | 55 | 20 | 57.7 | 112 | 158 | 347 | 138.2 | 403.8 |
| BNFN 6310-2.5 | 63 | 10 | 64.75 | 108 | 154 | 137 | 35.4 | 111.7 |
| BNFN 6310-5 | 63 | 10 | 64.75 | 108 | 154 | 197 | 64.2 | 222.5 |
| BNFN 6310-7.5 | 63 | 10 | 64.75 | 108 | 154 | 257 | 90.9 | 334.2 |
| BNFN 6312A-2.5 | 63 | 12 | 65.25 | 115 | 161 | 159 | 48.1 | 139.2 |
| BNFN 6312A-5 | 63 | 12 | 65.25 | 115 | 161 | 231 | 87.4 | 278.3 |
| BNFN 6316-2.5 | 63 | 16 | 65.7 | 122 | 184 | 208 | 81.1 | 231.3 |
| BNFN 6316-5 | 63 | 16 | 65.7 | 122 | 184 | 304 | 147 | 462.6 |
| BNFN 6320-2.5 | 63 | 20 | 65.7 | 122 | 180 | 227 | 81 | 231.3 |
| BNFN 6320-5 | 63 | 20 | 65.7 | 122 | 180 | 347 | 147 | 463.5 |
| BNFN 7010-2.5 | 70 | 10 | 71.75 | 125 | 167 | 141 | 36.8 | 123.5 |
| BNFN 7010-5 | 70 | 10 | 71.75 | 125 | 167 | 201 | 66.9 | 247 |
| BNFN 7010-7.5 | 70 | 10 | 71.75 | 125 | 167 | 261 | 94.9 | 371.4 |
| BNFN 7012-2.5 | 70 | 12 | 72 | 128 | 170 | 165 | 43.5 | 139.2 |
| BNFN 7012-5 | 70 | 12 | 72 | 128 | 170 | 237 | 78.9 | 278.3 |
| BNFN 7012-7.5 | 70 | 12 | 72 | 128 | 170 | 309 | 111.7 | 417.5 |
| BNFN 7020-5 | 70 | 20 | 72.7 | 130 | 186 | 325 | 153.9 | 514.5 |
| BNFN 8010-2.5 | 80 | 10 | 81.75 | 130 | 176 | 137 | 38.9 | 141.1 |
| BNFN 8010-5 | 80 | 10 | 81.75 | 130 | 176 | 197 | 70.6 | 283.2 |
| BNFN 8010-7.5 | 80 | 10 | 81.75 | 130 | 176 | 257 | 100 | 424.3 |
| BNFN 8012-5 | 80 | 12 | 82.3 | 135 | 181 | 231 | 96.5 | 353.8 |
| BNFN 8020A-2.5 | 80 | 20 | 82.7 | 143 | 204 | 227 | 90.1 | 294 |
| BNFN 8020A-5 | 80 | 20 | 82.7 | 143 | 204 | 347 | 163.7 | 589 |
| BNFN 10020A-2.5 | 100 | 20 | 102.7 | 170 | 243 | 231 | 99 | 368.5 |
| BNFN 10020A-5 | 100 | 20 | 102.7 | 170 | 243 | 351 | 179.3 | 737 |
| BNFN 10020A-7.5 | 100 | 20 | 102.7 | 170 | 243 | 471 | 253.8 | 1105.4 |
Slim nut Model DKN

| Model No. | Screw shaft outer diameter | Lead | Ball center-to-center diameter | Outer diameter | Flange diameter | Overall length | Basic load rating | |
| Dynamic | Static | |||||||
| rating | rating | |||||||
| d | Ph | dp | D g6 | D1 | L1 | Ca | C0a | |
| mm | mm | mm | mm | mm | mm | kN | kN | |
| DKN 4020-3 | 40 | 20 | 41.75 | 62 | 104 | 223 | 29.4 | 69.3 |
| DKN 5020-3 | 50 | 20 | 52.25 | 75 | 129 | 243 | 44.2 | 108.8 |
| DKN 6320-3 | 63 | 20 | 65.7 | 95 | 159 | 243 | 83.5 | 229.3 |
Large Lead Model BLW

| Model No. | Screw shaft outer diameter | Lead | Ball center-to-center diameter | Outer diameter | Flange diameter | Overall length | Basic load rating | |
| Dynamic | Static | |||||||
| rating | rating | |||||||
| d | Ph | dp | D g6 | D1 | L1 | Ca | C0a | |
| mm | mm | mm | mm | mm | mm | kN | kN | |
| BLW 1510-5.6 | 15 | 10 | 15.75 | 43 | 64 | 89 | 14.3 | 27.8 |
| BLW 1616-3.6 | 16 | 16 | 16.65 | 41 | 60 | 84.5 | 7.1 | 14.3 |
| BLW 2020-3.6 | 20 | 20 | 20.75 | 48 | 69 | 105 | 11.1 | 24.7 |
| BLW 2525-3.6 | 25 | 25 | 26 | 57 | 82 | 124.5 | 16.6 | 38.7 |
| BLW 3232-3.6 | 32 | 32 | 33.25 | 68 | 99 | 155 | 23.7 | 59.5 |
| BLW 3636-3.6 | 36 | 36 | 37.4 | 79 | 116 | 181 | 30.8 | 78 |
| BLW 4040-3.6 | 40 | 40 | 41.75 | 84 | 121 | 191 | 38.7 | 99.2 |
| BLW 5050-3.6 | 50 | 50 | 52.2 | 106 | 149 | 245 | 57.8 | 155 |
Single nut Model BNF

| Model No. | Screw shaft outer diameter | Lead | Ball center-to-center diameter | Outer diameter | Flange diameter | Overall length | Basic load rating | |
| Dynamic | Static | |||||||
| rating | rating | |||||||
| d | Ph | dp | D g6 | D1 | L1 | Ca | C0a | |
| mm | mm | mm | mm | mm | mm | kN | kN | |
| BNF 5510-2.5 | 55 | 10 | 56.75 | 102 | 144 | 81 | 33.4 | 97 |
| BNF 5510-5 | 55 | 10 | 56.75 | 102 | 144 | 111 | 60.7 | 194 |
| BNF 5510-7.5 | 55 | 10 | 56.75 | 102 | 144 | 141 | 85.9 | 291.1 |
| BNF 5512-2.5 | 55 | 12 | 57 | 105 | 147 | 93 | 39.3 | 108.8 |
| BNF 5512-3 | 55 | 12 | 57 | 105 | 147 | 107 | 46 | 131.3 |
| BNF 5512-3.5 | 55 | 12 | 57 | 105 | 147 | 105 | 52.4 | 152.9 |
| BNF 5512-5 | 55 | 12 | 57 | 105 | 147 | 129 | 71.3 | 218.5 |
| BNF 5512-7.5 | 55 | 12 | 57 | 105 | 147 | 165 | 100.9 | 327.3 |
| BNF 5516-2.5 | 55 | 16 | 57.7 | 110 | 158 | 116 | 76.1 | 201.9 |
| BNF 5516-5 | 55 | 16 | 57.7 | 110 | 158 | 164 | 138.2 | 402.8 |
| BNF 5520-2.5 | 55 | 20 | 57.7 | 112 | 158 | 127 | 76 | 201.9 |
| BNF 5520-5 | 55 | 20 | 57.7 | 112 | 158 | 187 | 138.2 | 403.8 |
| BNF 6310-2.5 | 63 | 10 | 64.75 | 108 | 154 | 77 | 35.4 | 111.7 |
| BNF 6310-5 | 63 | 10 | 64.75 | 108 | 154 | 107 | 64.2 | 222.5 |
| BNF 6310-7.5 | 63 | 10 | 64.75 | 108 | 154 | 137 | 90.9 | 334.2 |
| BNF 6312A-2.5 | 63 | 12 | 65.25 | 115 | 161 | 87 | 48.1 | 139.2 |
| BNF 6312A-5 | 63 | 12 | 65.25 | 115 | 161 | 123 | 87.4 | 278.3 |
| BNF 6316-5 | 63 | 16 | 65.7 | 122 | 184 | 160 | 147 | 462.6 |
| BNF 6320-2.5 | 63 | 20 | 65.7 | 122 | 180 | 127 | 81 | 231.3 |
| BNF 6320-5 | 63 | 20 | 65.7 | 122 | 180 | 187 | 147 | 463.5 |
| BNF 7010-2.5 | 70 | 10 | 71.75 | 125 | 167 | 81 | 36.8 | 123.5 |
| BNF 7010-5 | 70 | 10 | 71.75 | 125 | 167 | 111 | 66.9 | 247 |
| BNF 7010-7.5 | 70 | 10 | 71.75 | 125 | 167 | 141 | 94.9 | 371.4 |
| BNF 7012-2.5 | 70 | 12 | 72 | 128 | 170 | 93 | 43.5 | 139.2 |
| BNF 7012-5 | 70 | 12 | 72 | 128 | 170 | 129 | 78.9 | 278.3 |
| BNF 7012-7.5 | 70 | 12 | 72 | 128 | 170 | 165 | 111.7 | 417.5 |
| BNF 7020-5 | 70 | 20 | 72.7 | 130 | 186 | 185 | 153.9 | 514.5 |
| BNF 8010-2.5 | 80 | 10 | 81.75 | 130 | 176 | 77 | 38.9 | 141.1 |
| BNF 8010-5 | 80 | 10 | 81.75 | 130 | 176 | 107 | 70.6 | 283.2 |
| BNF 8010-7.5 | 80 | 10 | 81.75 | 130 | 176 | 137 | 100 | 424.3 |
| BNF 8020A-2.5 | 80 | 20 | 82.7 | 143 | 204 | 127 | 90.1 | 294 |
| BNF 8020A-5 | 80 | 20 | 82.7 | 143 | 204 | 187 | 163.7 | 589 |
| BNF 8020A-7.5 | 80 | 20 | 82.7 | 143 | 204 | 247 | 231.6 | 883.2 |
| BNF 10020A-2.5 | 100 | 20 | 102.7 | 170 | 243 | 131 | 99 | 368.5 |
| BNF 10020A-5 | 100 | 20 | 102.7 | 170 | 243 | 191 | 179.3 | 737 |
| BNF 10020A-7.5 | 100 | 20 | 102.7 | 170 | 243 | 251 | 253.8 | 1105.4 |
Model BNF-V

| Model No. | Screw shaft outer diameter | Lead | Ball center-to-center diameter | Outer diameter | Flange diameter | Overall length | Basic load rating | |
| Dynamic | Static | |||||||
| rating | rating | |||||||
| d | Ph | dp | D g6 | D1 | L1 | Ca | C0a | |
| mm | mm | mm | mm | mm | mm | kN | kN | |
| BNF 1604V-5 | 16 | 4 | 16.5 | 36 | 59 | 53 | 7.8 | 17.4 |
| BNF 1605V-2.5 | 16 | 5 | 16.75 | 40 | 60 | 41 | 7.4 | 13.9 |
| BNF 1605V-5 | 16 | 5 | 16.75 | 40 | 60 | 56 | 13.5 | 27.9 |
| BNF 2004V-2.5 | 20 | 4 | 20.5 | 40 | 63 | 37 | 4.8 | 10.9 |
| BNF 2004V-5 | 20 | 4 | 20.5 | 40 | 63 | 49 | 8.6 | 21.8 |
| BNF 2005V-2.5 | 20 | 5 | 20.75 | 44 | 67 | 41 | 8.3 | 17.5 |
| BNF 2005V-5 | 20 | 5 | 20.75 | 44 | 67 | 56 | 15.1 | 35 |
| BNF 2010V-2.5 | 20 | 10 | 20.75 | 46 | 74 | 58 | 8.3 | 17.6 |
| BNF 2504V-2.5 | 25 | 4 | 25.5 | 46 | 69 | 36 | 5.2 | 13.7 |
| BNF 2504V-5 | 25 | 4 | 25.5 | 46 | 69 | 48 | 9.5 | 27.4 |
| BNF 2505V-2.5 | 25 | 5 | 25.75 | 50 | 73 | 40 | 9.2 | 21.9 |
| BNF 2505V-5 | 25 | 5 | 25.75 | 50 | 73 | 55 | 16.7 | 43.9 |
| BNF 2506V-2.5 | 25 | 6 | 26 | 53 | 76 | 44 | 12.4 | 27.4 |
| BNF 2506V-5 | 25 | 6 | 26 | 53 | 76 | 62 | 22.6 | 54.8 |
| BNF 2805V-2.5 | 28 | 5 | 28.75 | 55 | 85 | 44 | 9.7 | 24.6 |
| BNF 2805V-5 | 28 | 5 | 28.75 | 55 | 85 | 59 | 17.5 | 49.2 |
| BNF 2805V-7.5 | 28 | 5 | 28.75 | 55 | 85 | 74 | 24.8 | 73.8 |
| BNF 2806V-2.5 | 28 | 6 | 28.75 | 55 | 85 | 50 | 9.6 | 24.6 |
| BNF 2806V-5 | 28 | 6 | 28.75 | 55 | 85 | 68 | 17.5 | 49.2 |
| BNF 2806V-7.5 | 28 | 6 | 28.75 | 55 | 85 | 86 | 24.8 | 73.8 |
| BNF 3205V-2.5 | 32 | 5 | 32.75 | 58 | 85 | 41 | 10.2 | 28.1 |
| BNF 3205V-5 | 32 | 5 | 32.75 | 58 | 85 | 56 | 18.5 | 56.3 |
| BNF 3205V-7.5 | 32 | 5 | 32.75 | 58 | 85 | 71 | 26.2 | 84.4 |
| BNF 3206V-2.5 | 32 | 6 | 33 | 62 | 89 | 45 | 13.9 | 35.2 |
| BNF 3206V-5 | 32 | 6 | 33 | 62 | 89 | 63 | 25.2 | 70.3 |
| BNF 2508V-2.5 | 25 | 8 | 26.25 | 58 | 85 | 58 | 15.8 | 32.9 |
| BNF 2508V-3.5 | 25 | 8 | 26.25 | 58 | 85 | 66 | 21.1 | 46 |
| BNF 2508V-5 | 25 | 8 | 26.25 | 58 | 85 | 82 | 28.7 | 65.7 |
| BNF 2510V-2.5 | 25 | 10 | 26.25 | 58 | 85 | 70 | 15.8 | 32.9 |
| BNF 2810V-2.5 | 28 | 10 | 29.75 | 65 | 106 | 86 | 24.3 | 49 |
| BNF 3210V-2.5 | 32 | 10 | 33.75 | 74 | 108 | 70 | 26 | 56.2 |
| BNF 3210V-3.5 | 32 | 10 | 33.75 | 74 | 108 | 80 | 34.8 | 78.6 |
| BNF 3210V-5 | 32 | 10 | 33.75 | 74 | 108 | 100 | 47.3 | 112.3 |
| BNF 3212V-3.5 | 32 | 12 | 34 | 76 | 121 | 98 | 40.4 | 88.5 |
| BNF 3216V-5 | 32 | 16 | 33.75 | 74 | 108 | 139 | 47.1 | 113.1 |
| BNF 3610V-2.5 | 36 | 10 | 37.75 | 75 | 120 | 81 | 27.6 | 63.3 |
| BNF 3610V-5 | 36 | 10 | 37.75 | 75 | 120 | 111 | 50.1 | 126.5 |
| BNF 3610V-7.5 | 36 | 10 | 37.75 | 75 | 120 | 141 | 71 | 189.8 |
| BNF 3612V-2.5 | 36 | 12 | 38 | 78 | 123 | 87 | 32.2 | 71.2 |
| BNF 3612V-5 | 36 | 12 | 38 | 78 | 123 | 123 | 58.4 | 142.3 |
| BNF 3616V-2.5 | 36 | 16 | 38 | 78 | 123 | 92 | 32.1 | 71.5 |
| BNF 3620V-1.5 | 36 | 20 | 37.75 | 75 | 114 | 82 | 17.7 | 38.4 |
| BNF 4010V-2.5 | 40 | 10 | 41.75 | 82 | 124 | 73 | 29 | 70.4 |
| BNF 4010V-3.5 | 40 | 10 | 41.75 | 82 | 124 | 83 | 38.8 | 98.5 |
| BNF 4010V-5 | 40 | 10 | 41.75 | 82 | 124 | 103 | 52.7 | 140.7 |
| BNF 4012V-2.5 | 40 | 12 | 42 | 84 | 126 | 83 | 33.9 | 79.2 |
| BNF 4012V-3.5 | 40 | 12 | 42 | 84 | 126 | 95 | 45.3 | 110.8 |
| BNF 4012V-5 | 40 | 12 | 42 | 84 | 126 | 119 | 61.6 | 158.3 |
| BNF 4016V-5 | 40 | 16 | 42 | 84 | 126 | 144 | 61.5 | 158.8 |
| BNF 4020V-5 | 40 | 20 | 41.75 | 82 | 126 | 162 | 52.4 | 142 |
| BNF 4510V-2.5 | 45 | 10 | 46.75 | 88 | 132 | 81 | 30.6 | 79.3 |
| BNF 4510V-3 | 45 | 10 | 46.75 | 88 | 132 | 94 | 35.8 | 95.1 |
| BNF 4510V-5 | 45 | 10 | 46.75 | 88 | 132 | 111 | 55.6 | 158.5 |
| BNF 4510V-7.5 | 45 | 10 | 46.75 | 88 | 132 | 141 | 78.8 | 237.8 |
| BNF 4512V-5 | 45 | 12 | 47 | 90 | 130 | 119 | 65.2 | 178.3 |
| BNF 4520V-2.5 | 45 | 20 | 47 | 90 | 130 | 102 | 35.8 | 89.7 |
| BNF 5010V-2.5 | 50 | 10 | 51.75 | 93 | 135 | 73 | 32.1 | 88.1 |
| BNF 5010V-3.5 | 50 | 10 | 51.75 | 93 | 135 | 83 | 42.9 | 123.4 |
| BNF 5010V-5 | 50 | 10 | 51.75 | 93 | 135 | 103 | 58.2 | 176.3 |
| BNF 5010V-7.5 | 50 | 10 | 51.75 | 93 | 135 | 133 | 82.5 | 264.4 |
| BNF 5012V-2.5 | 50 | 12 | 52.25 | 100 | 146 | 87 | 43.4 | 110.1 |
| BNF 5012V-3.5 | 50 | 12 | 52.25 | 100 | 146 | 99 | 58 | 154.1 |
| BNF 5012V-5 | 50 | 12 | 52.25 | 100 | 146 | 123 | 78.8 | 220.2 |
| BNF 5016V-2.5 | 50 | 16 | 52.7 | 105 | 152 | 116 | 72.6 | 183.1 |
| BNF 5016V-5 | 50 | 16 | 52.7 | 105 | 152 | 164 | 131.8 | 366.2 |
| BNF 5020V-2.5 | 50 | 20 | 52.7 | 105 | 152 | 141 | 72.5 | 183.6 |
Square Nut Model BNT

| Model No. | Screw shaft outer diameter | Lead | Ball center-to-center diameter | Outer diameter | Flange diameter | Overall length | Basic load rating | |
| Dynamic | Static | |||||||
| rating | rating | |||||||
| d | Ph | dp | D g6 | D1 | L1 | Ca | C0a | |
| mm | mm | mm | mm | mm | mm | kN | kN | |
| BNT 1404-3.6 (Rolled) | 14 | 4 | 14.4 | — | — | 35 | 5.5 | 11.5 |
| BNT 1405-2.6 (Rolled) | 14 | 5 | 14.5 | — | — | 35 | 5 | 11.4 |
| BNT 1605-2.6 (Rolled) | 16 | 5 | 16.75 | — | — | 36 | 5.4 | 13.3 |
| BNT 1808-3.6 (Rolled) | 18 | 8 | 19.3 | — | — | 56 | 13.1 | 31 |
| BNT 2005-2.6 (Rolled) | 20 | 5 | 20.5 | — | — | 35 | 6 | 16.5 |
| BNT 2010-2.6 (Rolled) | 20 | 10 | 21.25 | — | — | 58 | 10.6 | 25.1 |
| BNT 2505-2.6 (Rolled) | 25 | 5 | 25.5 | — | — | 35 | 6.7 | 20.8 |
| BNT 2510-5.3 (Rolled) | 25 | 10 | 26.8 | — | — | 94 | 31.2 | 83.7 |
| BNT 2806-2.6(Rolled) | 28 | 6 | 28.5 | — | — | 42 | 7 | 23.4 |
| BNT 2806-5.3(Rolled) | 28 | 6 | 28.5 | — | — | 67 | 12.8 | 46.8 |
| BNT 3210-2.6(Rolled) | 32 | 10 | 33.75 | — | — | 64 | 19.8 | 53.8 |
| BNT 3210-5.3(Rolled) | 32 | 10 | 33.75 | — | — | 94 | 36 | 107.5 |
| BNT 3610-2.6(Rolled) | 36 | 10 | 37 | — | — | 64 | 20.8 | 59.3 |
| BNT 3610-5.3(Rolled) | 36 | 10 | 37 | — | — | 96 | 37.8 | 118.7 |
| BNT 4512-5.3(Rolled) | 45 | 12 | 46.5 | — | — | 115 | 49.5 | 169 |
Slim nut Model DK

| Model No. | Screw shaft outer diameter | Lead | Ball center-to-center diameter | Outer diameter | Flange diameter | Overall length | Basic load rating | |
| Dynamic | Static | |||||||
| rating | rating | |||||||
| d | Ph | dp | D g6 | D1 | L1 | Ca | C0a | |
| mm | mm | mm | mm | mm | mm | kN | kN | |
| DK 1404-4 | 14 | 4 | 14.5 | 26 | 45 | 48 | 5.4 | 10.2 |
| DK 1404-6 | 14 | 4 | 14.5 | 26 | 45 | 60 | 7.7 | 15.4 |
| DK 1605-3 | 16 | 5 | 16.75 | 30 | 49 | 45 | 7.4 | 13 |
| DK 1605-4 | 16 | 5 | 16.75 | 30 | 49 | 50 | 9.5 | 17.4 |
| DK 2004-3 | 20 | 4 | 20.5 | 32 | 56 | 42 | 5.2 | 11.6 |
| DK 2004-4 | 20 | 4 | 20.5 | 32 | 56 | 46 | 6.6 | 15.5 |
| DK 2005-3 | 20 | 5 | 20.75 | 34 | 58 | 46 | 8.5 | 17.3 |
| DK 2005-4 | 20 | 5 | 20.75 | 34 | 58 | 51 | 11 | 23.1 |
| DK 2006-3 | 20 | 6 | 21 | 35 | 58 | 52 | 11.4 | 21.5 |
| DK 2006-4 | 20 | 6 | 21 | 35 | 58 | 59 | 14.6 | 28.6 |
| DK 2008-4 | 20 | 8 | 21 | 35 | 58 | 69 | 14.6 | 28.8 |
| DK 2504-3 | 25 | 4 | 25.5 | 38 | 63 | 43 | 5.7 | 15 |
| DK 2504-4 | 25 | 4 | 25.5 | 38 | 63 | 47 | 7.4 | 19.9 |
| DK 2505-3 | 25 | 5 | 25.75 | 40 | 63 | 46 | 9.7 | 22.6 |
| DK 2505-4 | 25 | 5 | 25.75 | 40 | 63 | 51 | 12.4 | 30.3 |
| DK 2506-3 | 25 | 6 | 26 | 40 | 63 | 52 | 12.8 | 27 |
| DK 2506-4 | 25 | 6 | 26 | 40 | 63 | 60 | 16.8 | 37.4 |
| DK 2508-3 | 25 | 8 | 26 | 40 | 63 | 62 | 13.1 | 28.1 |
| DK 2508-4 | 25 | 8 | 26 | 40 | 63 | 71 | 16.8 | 37.5 |
| DK 2510-3 | 25 | 10 | 26 | 40 | 63 | 80 | 12.7 | 27 |
| DK 2510-4 | 25 | 10 | 26 | 40 | 63 | 85 | 16.7 | 37.6 |
| DK 2805-3 | 28 | 5 | 28.75 | 43 | 71 | 49 | 10.5 | 26.4 |
| DK 2805-4 | 28 | 5 | 28.75 | 43 | 71 | 54 | 13.4 | 35.2 |
| DK 2806-3 | 28 | 6 | 29 | 43 | 71 | 53 | 14 | 32 |
| DK 2806-4 | 28 | 6 | 29 | 43 | 71 | 61 | 18 | 42.5 |
| DK 2810-4 | 28 | 10 | 29.25 | 45 | 71 | 84 | 22.4 | 50 |
| DK 3204-3 | 32 | 4 | 32.5 | 45 | 76 | 44 | 6.4 | 19.6 |
| DK 3204-4 | 32 | 4 | 32.5 | 45 | 76 | 48 | 8.2 | 26.1 |
| DK 3205-3 | 32 | 5 | 32.75 | 46 | 76 | 47 | 11.1 | 30.2 |
| DK 3205-4 | 32 | 5 | 32.75 | 46 | 76 | 52 | 14.2 | 40.3 |
| DK 3205-6 | 32 | 5 | 32.75 | 46 | 76 | 62 | 20.1 | 60.4 |
| DK 3206-3 | 32 | 6 | 33 | 48 | 76 | 53 | 14.9 | 37.1 |
| DK 3206-4 | 32 | 6 | 33 | 48 | 76 | 61 | 19.1 | 49.5 |
| DK 3210-3 | 32 | 10 | 33.75 | 54 | 87 | 80 | 25.7 | 52.2 |
| DK 3210-4 | 32 | 10 | 33.75 | 54 | 87 | 90 | 33 | 69.7 |
| DK 3212-4 | 32 | 12 | 33.75 | 54 | 87 | 98 | 34.2 | 73.9 |
| DK 3610-3 | 36 | 10 | 37.75 | 58 | 98 | 82 | 28.8 | 63.8 |
| DK 3610-4 | 36 | 10 | 37.75 | 58 | 98 | 93 | 36.8 | 85 |
| DK 4010-3 | 40 | 10 | 41.75 | 62 | 104 | 83 | 29.8 | 69.3 |
| DK 4010-4 | 40 | 10 | 41.75 | 62 | 104 | 93 | 38.1 | 92.4 |
| DK 4012-3 | 40 | 12 | 41.75 | 62 | 104 | 90 | 30.6 | 72.3 |
| DK 4012-4 | 40 | 12 | 41.75 | 62 | 104 | 103 | 39.2 | 96.4 |
| DK 4016-4 | 40 | 16 | 41.75 | 62 | 104 | 120 | 39.1 | 96.8 |
| DK 4020-3 | 40 | 20 | 41.75 | 62 | 104 | 123 | 29.4 | 69.3 |
| DK 5010-3 | 50 | 10 | 51.75 | 72 | 123 | 83 | 33.9 | 90.7 |
| DK 5010-4 | 50 | 10 | 51.75 | 72 | 123 | 93 | 43.4 | 120.5 |
| DK 5010-6 | 50 | 10 | 51.75 | 72 | 123 | 114 | 62.7 | 186.8 |
| DK 5012-3 | 50 | 12 | 52.25 | 75 | 129 | 97 | 45.8 | 113 |
| DK 5012-4 | 50 | 12 | 52.25 | 75 | 129 | 110 | 58.6 | 150.6 |
| DK 5016-3 | 50 | 16 | 52.25 | 75 | 129 | 111 | 45.7 | 113.3 |
| DK 5016-4 | 50 | 16 | 52.25 | 75 | 129 | 129 | 58.5 | 151 |
| DK 5020-3 | 50 | 20 | 52.25 | 75 | 129 | 136 | 44.2 | 108.8 |
| DK 6310-4 | 63 | 10 | 64.75 | 85 | 146 | 97 | 49.5 | 160.7 |
| DK 6310-6 | 63 | 10 | 64.75 | 85 | 146 | 118 | 70.3 | 242.1 |
| DK 6312-3 | 63 | 12 | 65.25 | 90 | 146 | 98 | 51.9 | 147.4 |
| DK 6312-4 | 63 | 12 | 65.25 | 90 | 146 | 111 | 66.4 | 196.6 |
| DK 6320-3 | 63 | 20 | 65.7 | 95 | 159 | 136 | 83.5 | 229.3 |
Miniature Model MDK

| Model No. | Screw shaft outer diameter | Lead | Ball center-to-center diameter | Outer diameter | Flange diameter | Overall length | Basic load rating | |
| Dynamic | Static | |||||||
| rating | rating | |||||||
| d | Ph | dp | D g6 | D1 | L1 | Ca | C0a | |
| mm | mm | mm | mm | mm | mm | kN | kN | |
| MDK 0401-3(Unfinished Shaft Ends) | 4 | 1 | 4.15 | 9 | 19 | 13 | 0.29 | 0.42 |
| MDK 0601-3(Unfinished Shaft Ends) | 6 | 1 | 6.2 | 11 | 23 | 14.5 | 0.54 | 0.94 |
| MDK 0801-3(Unfinished Shaft Ends) | 8 | 1 | 8.2 | 13 | 26 | 15 | 0.64 | 1.4 |
| MDK 0802-3(Unfinished Shaft Ends) | 8 | 2 | 8.3 | 15 | 28 | 22 | 1.4 | 2.3 |
| MDK 1002-3(Unfinished Shaft Ends) | 10 | 2 | 10.3 | 17 | 34 | 22 | 1.5 | 2.9 |
| MDK 1202-3(Unfinished Shaft Ends) | 12 | 2 | 12.3 | 19 | 36 | 22 | 1.7 | 3.6 |
| MDK 1402-3(Unfinished Shaft Ends) | 14 | 2 | 14.3 | 21 | 40 | 23 | 1.8 | 4.3 |
| MDK 1404-3(Unfinished Shaft Ends) | 14 | 4 | 14.65 | 26 | 45 | 33 | 4.2 | 7.6 |
| MDK 1405-3(Unfinished Shaft Ends) | 14 | 5 | 14.75 | 26 | 45 | 42 | 7 | 11.6 |
| MDK 0401-3 | 4 | 1 | 4.15 | 9 | 19 | 13 | 0.29 | 0.42 |
| MDK 0601-3 | 6 | 1 | 6.2 | 11 | 23 | 14.5 | 0.54 | 0.94 |
| MDK 0801-3 | 8 | 1 | 8.2 | 13 | 26 | 15 | 0.64 | 1.4 |
| MDK 0802-3 | 8 | 2 | 8.3 | 15 | 28 | 22 | 1.4 | 2.3 |
| MDK 1002-3 | 10 | 2 | 10.3 | 17 | 34 | 22 | 1.5 | 2.9 |
| MDK 1202-3 | 12 | 2 | 12.3 | 19 | 36 | 22 | 1.7 | 3.6 |
| MDK 1402-3 | 14 | 2 | 14.3 | 21 | 40 | 23 | 1.8 | 4.3 |
| MDK 1404-3 | 14 | 4 | 14.65 | 26 | 45 | 33 | 4.2 | 7.6 |
| MDK 1405-3 | 14 | 5 | 14.75 | 26 | 45 | 42 | 7 | 11.6 |
Large-lead High-speed Model WHF

| Model No. | Screw shaft outer diameter | Lead | Ball center-to-center diameter | Outer diameter | Flange diameter | Overall length | Basic load rating | |
| Dynamic | Static | |||||||
| rating | rating | |||||||
| d | Ph | dp | D g6 | D1 | L1 | Ca | C0a | |
| mm | mm | mm | mm | mm | mm | kN | kN | |
| WHF 1530-3.4 | 15 | 30 | 15.75 | 32 | 53 | 64.5 | 8 | 14.4 |
| WHF 1540-3.4 | 15 | 40 | 15.75 | 34 | 57 | 81.6 | 7.7 | 16.3 |
| WHF 2020-3.4 | 20 | 20 | 20.75 | 42 | 64 | 47.1 | 9.6 | 21 |
| WHF 2025-3.4 | 20 | 25 | 20.75 | 39 | 62 | 56.2 | 9.8 | 22.3 |
| WHF 2030-3.4 | 20 | 30 | 20.75 | 39 | 62 | 65.3 | 9.9 | 23.5 |
| WHF 2040-3.4 | 20 | 40 | 20.75 | 37 | 57 | 82.7 | 9.6 | 20.3 |
| WHF 2525-3.4 | 25 | 25 | 26 | 50 | 77 | 58.8 | 14.5 | 33.1 |
| WHF 2550-3.4 | 25 | 50 | 26 | 45 | 69 | 103.3 | 14.4 | 31.9 |
Large Lead Model BLK

| Model No. | Screw shaft outer diameter | Lead | Ball center-to-center diameter | Outer diameter | Flange diameter | Overall length | Basic load rating | |
| Dynamic | Static | |||||||
| rating | rating | |||||||
| d | Ph | dp | D g6 | D1 | L1 | Ca | C0a | |
| mm | mm | mm | mm | mm | mm | kN | kN | |
| BLK 0808-3.2 | 8 | 8 | 8.4 | 18 | 31 | 20 | 2.2 | 3.8 |
| BLK 1510-5.6 | 15 | 10 | 15.75 | 34 | 57 | 44 | 14.3 | 27.8 |
| BLK 1616-2.8 | 16 | 16 | 16.65 | 32 | 53 | 54 | 5.2 | 9.9 |
| BLK 1616-3.6 | 16 | 16 | 16.65 | 32 | 53 | 38 | 7.1 | 14.3 |
| BLK 2020-2.8 | 20 | 20 | 20.75 | 39 | 62 | 65 | 8.1 | 17.2 |
| BLK 2020-3.6 | 20 | 20 | 20.75 | 39 | 62 | 45 | 11.1 | 24.7 |
| BLK 2525-2.8 | 25 | 25 | 26 | 47 | 74 | 80 | 12.2 | 26.9 |
| BLK 2525-3.6 | 25 | 25 | 26 | 47 | 74 | 55 | 16.6 | 38.7 |
| BLK 3232-2.8 | 32 | 32 | 33.25 | 58 | 92 | 102 | 17.3 | 41.4 |
| BLK 3232-3.6 | 32 | 32 | 33.25 | 58 | 92 | 70 | 23.7 | 59.5 |
| BLK 3620-5.6 | 36 | 20 | 37.75 | 70 | 110 | 78 | 54.9 | 134.3 |
| BLK 3624-5.6 | 36 | 24 | 38 | 75 | 115 | 94 | 63.8 | 151.9 |
| BLK 3636-2.8 | 36 | 36 | 37.4 | 66 | 106 | 113 | 22.4 | 54.1 |
| BLK 3636-3.6 | 36 | 36 | 37.4 | 66 | 106 | 77 | 30.8 | 78 |
| BLK 4040-2.8 | 40 | 40 | 41.75 | 73 | 114 | 125 | 28.2 | 68.9 |
| BLK 4040-3.6 | 40 | 40 | 41.75 | 73 | 114 | 85 | 38.7 | 99.2 |
| BLK 5050-2.8 | 50 | 50 | 52.2 | 90 | 135 | 156 | 42.2 | 107.8 |
| BLK 5050-3.6 | 50 | 50 | 52.2 | 90 | 135 | 106 | 57.8 | 155 |
Super Lead Model WGF

| Model No. | Screw shaft outer diameter | Lead | Ball center-to-center diameter | Outer diameter | Flange diameter | Overall length | Basic load rating | |
| Dynamic | Static | |||||||
| rating | rating | |||||||
| d | Ph | dp | D g6 | D1 | L1 | Ca | C0a | |
| mm | mm | mm | mm | mm | mm | kN | kN | |
| WGF 0812-3 | 8 | 12 | 8.4 | 18 | 31 | 27 | 2.2 | 3.9 |
| WGF 1015-3 | 10 | 15 | 10.5 | 23 | 40 | 33 | 3.3 | 6.2 |
| WGF 1320-3 | 13 | 20 | 13.5 | 28 | 45 | 43 | 4.7 | 9.6 |
| WGF 1520-1.5 | 15 | 20 | 15.75 | 32 | 53 | 45 | 4.4 | 7.9 |
| WGF 1520-3 | 15 | 20 | 15.75 | 32 | 53 | 45 | 8.1 | 15.8 |
| WGF 1530-1 | 15 | 30 | 15.75 | 32 | 53 | 33 | 3.5 | 5.4 |
| WGF 1530-3 | 15 | 30 | 15.75 | 32 | 53 | 63 | 8.1 | 14.6 |
| WGF 1540-1.5 | 15 | 40 | 15.75 | 32 | 53 | 42 | 3.9 | 7.4 |
| WGF 2040-1 | 20 | 40 | 20.75 | 37 | 57 | 41 | 4.3 | 8 |
| WGF 2040-3 | 20 | 40 | 20.75 | 37 | 57 | 81 | 9.5 | 20.2 |
| WGF 2060-1.5 | 20 | 60 | 20.75 | 37 | 57 | 60 | 4.5 | 11 |
| WGF 2550-1 | 25 | 50 | 26 | 45 | 69 | 52 | 6.4 | 12.5 |
| WGF 2550-3 | 25 | 50 | 26 | 45 | 69 | 102 | 14.3 | 31.7 |
| WGF 3060-1 | 30 | 60 | 31.25 | 55 | 89 | 62 | 8.9 | 18 |
| WGF 3060-3 | 30 | 60 | 31.25 | 55 | 89 | 122 | 19.9 | 45.7 |
| WGF 3090-1.5 | 30 | 90 | 31.25 | 55 | 89 | 92 | 9.7 | 25.8 |
| WGF 4080-1 | 40 | 80 | 41.75 | 73 | 114 | 79 | 15 | 32.1 |
| WGF 4080-3 | 40 | 80 | 41.75 | 73 | 114 | 159 | 33.4 | 81.4 |
| WGF 50100-1 | 50 | 100 | 52.2 | 90 | 135 | 98 | 22.4 | 50.1 |
| WGF 50100-3 | 50 | 100 | 52.2 | 90 | 135 | 198 | 49.9 | 127.2 |
Large Lead Rotary nut Model BLR
| Model No. | Screw shaft outer diameter | Lead | Ball center-to-center diameter | Outer diameter | Flange diameter | Overall length | Basic load rating | |
| Dynamic | Static | |||||||
| rating | rating | |||||||
| d | Ph | dp | D g6 | D1 | L1 | Ca | C0a | |
| mm | mm | mm | mm | mm | mm | kN | kN | |
| BLR 1616-3.6 | 16 | 16 | 16.65 | 52(0-0.007) | 68 | 43.5 | 7.1 | 14.3 |
| BLR 2020-3.6 | 20 | 20 | 20.75 | 62(0-0.007) | 78 | 54 | 11.1 | 24.7 |
| BLR 2525-3.6 | 25 | 25 | 26 | 72(0-0.007) | 92 | 65 | 16.6 | 38.7 |
| BLR 3232-3.6 | 32 | 32 | 33.25 | 80(0-0.007) | 105 | 80 | 23.7 | 59.5 |
| BLR 3636-3.6 | 36 | 36 | 37.4 | 100(0-0.008) | 130 | 93 | 30.8 | 78 |
| BLR 4040-3.6 | 40 | 40 | 41.75 | 110(0-0.008) | 140 | 98 | 38.7 | 99.2 |
| BLR 5050-3.6 | 50 | 50 | 52.2 | 120(0-0.008) | 156 | 126 | 57.8 | 155 |
| BLR 1616-3.6(Rolled) | 16 | 16 | 16.65 | 52(0-0.007) | 68 | 43.5 | 5.8 | 12.9 |
| BLR 2020-3.6(Rolled) | 20 | 20 | 20.75 | 62(0-0.007) | 78 | 54 | 7.7 | 22.3 |
| BLR 2525-3.6(Rolled) | 25 | 25 | 26 | 72(0-0.007) | 92 | 65 | 12.1 | 35 |
| BLR 3232-3.6(Rolled) | 32 | 32 | 33.25 | 80(0-0.007) | 105 | 80 | 17.3 | 53.9 |
| BLR 3636-3.6(Rolled) | 36 | 36 | 37.4 | 100(0-0.008) | 130 | 93 | 22.4 | 70.5 |
| BLR 4040-3.6(Rolled) | 40 | 40 | 41.75 | 110(0-0.008) | 140 | 98 | 28.1 | 89.8 |
| BLR 5050-3.6(Rolled) | 50 | 50 | 52.2 | 120(0-0.008) | 156 | 126 | 42.1 | 140.4 |
Model BIF-V

| Model No. |
Screw shaft outer diameter | Lead | Ball center-to-center diameter |
| d | Ph | dp | |
| mm | mm | mm | |
| BIF 1604V-5 | 16 | 4 | 16.5 |
| BIF 1605V-5 | 16 | 5 | 16.75 |
| BIF 2004V-5 | 20 | 4 | 20.5 |
| BIF 2004V-10 | 20 | 4 | 20.5 |
| BIF 2005V-5 | 20 | 5 | 20.75 |
| BIF 2005V-10 | 20 | 5 | 20.75 |
| BIF 2010V-5 | 20 | 10 | 20.75 |
| BIF 2504V-5 | 25 | 4 | 25.5 |
| BIF 2504V-10 | 25 | 4 | 25.5 |
| BIF 2505V-5 | 25 | 5 | 25.75 |
| BIF 2505V-10 | 25 | 5 | 25.75 |
| BIF 2506V-5 | 25 | 6 | 26 |
| BIF 2506V-10 | 25 | 6 | 26 |
| BIF 2805V-5 | 28 | 5 | 28.75 |
| BIF 2805V-10 | 28 | 5 | 28.75 |
| BIF 2806V-5 | 28 | 6 | 28.75 |
| BIF 2806V-10 | 28 | 6 | 28.75 |
| BIF 3205V-5 | 32 | 5 | 32.75 |
| BIF 3205V-10 | 32 | 5 | 32.75 |
| BIF 3206V-5 | 32 | 6 | 33 |
| BIF 3206V-10 | 32 | 6 | 33 |
| BIF 2508V-5 | 25 | 8 | 26.25 |
| BIF 2508V-7 | 25 | 8 | 26.25 |
| BIF 2508V-10 | 25 | 8 | 26.25 |
| BIF 2510V-5 | 25 | 10 | 26.25 |
| BIF 2810V-3 | 28 | 10 | 29.75 |
| BIF 3210V-5 | 32 | 10 | 33.75 |
| BIF 3210V-7 | 32 | 10 | 33.75 |
| BIF 3210V-10 | 32 | 10 | 33.75 |
| BIF 3212V-5 | 32 | 12 | 34 |
| BIF 3212V-7 | 32 | 12 | 34 |
| BIF 3216V-5 | 32 | 16 | 33.75 |
| BIF 3610V-5 | 36 | 10 | 37.75 |
| BIF 3610V-7 | 36 | 10 | 37.75 |
| BIF 3610V-10 | 36 | 10 | 37.75 |
| BIF 3612V-5 | 36 | 12 | 38 |
| BIF 3612V-7 | 36 | 12 | 38 |
| BIF 3612V-10 | 36 | 12 | 38 |
| BIF 3616V-5 | 36 | 16 | 38 |
| BIF 3620V-3 | 36 | 20 | 37.75 |
| BIF 4010V-5 | 40 | 10 | 41.75 |
| BIF 4010V-7 | 40 | 10 | 41.75 |
| BIF 4010V-10 | 40 | 10 | 41.75 |
| BIF 4012V-5 | 40 | 12 | 42 |
| BIF 4012V-7 | 40 | 12 | 42 |
| BIF 4012V-10 | 40 | 12 | 42 |
| BIF 4016V-5 | 40 | 16 | 42 |
| BIF 4020V-5 | 40 | 20 | 41.75 |
| BIF 4510V-5 | 45 | 10 | 46.75 |
| BIF 4510V-10 | 45 | 10 | 46.75 |
| BIF 4512V-5 | 45 | 12 | 47 |
| BIF 4512V-10 | 45 | 12 | 47 |
| BIF 4516V-5 | 45 | 16 | 47 |
| BIF 4520V-5 | 45 | 20 | 47 |
| BIF 5010V-5 | 50 | 10 | 51.75 |
| BIF 5010V-7 | 50 | 10 | 51.75 |
| BIF 5010V-10 | 50 | 10 | 51.75 |
| BIF 5012V-5 | 50 | 12 | 52.25 |
| BIF 5012V-7 | 50 | 12 | 52.25 |
| BIF 5012V-10 | 50 | 12 | 52.25 |
| BIF 5016V-5 | 50 | 16 | 52.7 |
| BIF 5016V-10 | 50 | 16 | 52.7 |
| BIF 5020V-5 | 50 | 20 | 52.7 |
Slim nut Model DIK

| Model No. |
Screw shaft outer diameter | Lead | Ball center-to-center diameter |
| d | Ph | dp | |
| mm | mm | mm | |
| DIK 1404-4 | 14 | 4 | 14.5 |
| DIK 1404-6 | 14 | 4 | 14.5 |
| DIK 1605-6 | 16 | 5 | 16.75 |
| DIK 2004-6 | 20 | 4 | 20.5 |
| DIK 2004-8 | 20 | 4 | 20.5 |
| DIK 2005-6 | 20 | 5 | 20.75 |
| DIK 2006-6 | 20 | 6 | 21 |
| DIK 2008-4 | 20 | 8 | 21 |
| DIK 2504-6 | 25 | 4 | 25.5 |
| DIK 2504-8 | 25 | 4 | 25.5 |
| DIK 2505-6 | 25 | 5 | 25.75 |
| DIK 2506-4 | 25 | 6 | 26 |
| DIK 2506-6 | 25 | 6 | 26 |
| DIK 2508-4 | 25 | 8 | 26 |
| DIK 2508-6 | 25 | 8 | 26 |
| DIK 2510-4 | 25 | 10 | 26 |
| DIK 2805-6 | 28 | 5 | 28.75 |
| DIK 2805-8 | 28 | 5 | 28.75 |
| DIK 2806-6 | 28 | 6 | 29 |
| DIK 2810-4 | 28 | 10 | 29.25 |
| DIK 3204-6 | 32 | 4 | 32.5 |
| DIK 3204-8 | 32 | 4 | 32.5 |
| DIK 3204-10 | 32 | 4 | 32.5 |
| DIK 3205-6 | 32 | 5 | 32.75 |
| DIK 3205-8 | 32 | 5 | 32.75 |
| DIK 3206-6 | 32 | 6 | 33 |
| DIK 3206-8 | 32 | 6 | 33 |
| DIK 3210-6 | 32 | 10 | 33.75 |
| DIK 3212-4 | 32 | 12 | 33.75 |
| DIK 3610-6 | 36 | 10 | 37.75 |
| DIK 3610-8 | 36 | 10 | 37.75 |
| DIK 3610-10 | 36 | 10 | 37.75 |
| DIK 4010-6 | 40 | 10 | 41.75 |
| DIK 4010-8 | 40 | 10 | 41.75 |
| DIK 4012-6 | 40 | 12 | 41.75 |
| DIK 4012-8 | 40 | 12 | 41.75 |
| DIK 4016-4 | 40 | 16 | 41.75 |
| DIK 5010-6 | 50 | 10 | 51.75 |
| DIK 5010-8 | 50 | 10 | 51.75 |
| DIK 5010-10 | 50 | 10 | 51.75 |
| DIK 5012-6 | 50 | 12 | 52.25 |
| DIK 5012-8 | 50 | 12 | 52.25 |
| DIK 5016-4 | 50 | 16 | 52.25 |
| DIK 5016-6 | 50 | 16 | 52.25 |
| DIK 6310-8 | 63 | 10 | 64.75 |
| DIK 6312-6 | 63 | 12 | 65.25 |
| DIK 6312-8 | 63 | 12 | 65.25 |
Rotary nut Model DIR

| Model No. |
Screw shaft outer diameter | Lead | Ball center-to-center diameter |
| d | Ph | dp | |
| mm | mm | mm | |
| DIR 1605-6 | 16 | 5 | 16.75 |
| DIR 2005-6 | 20 | 5 | 20.75 |
| DIR 2505-6 | 25 | 5 | 25.75 |
| DIR 2510-4 | 25 | 10 | 26 |
| DIR 3205-6 | 32 | 5 | 32.75 |
| DIR 3206-6 | 32 | 6 | 33 |
| DIR 3210-6 | 32 | 10 | 33.75 |
| DIR 3610-6 | 36 | 10 | 37.75 |
| DIR 4010-6 | 40 | 10 | 41.75 |
| DIR 4012-6 | 40 | 12 | 41.75 |
Model BNFN-V

| Model No. |
Screw shaft outer diameter | Lead | Ball center-to-center diameter |
| d | Ph | dp | |
| mm | mm | mm | |
| BNFN 1605V-5 | 16 | 5 | 16.75 |
| BNFN 2805V-7.5 | 28 | 5 | 28.75 |
| BNFN 2806V-7.5 | 28 | 6 | 28.75 |
| BNFN 3205V-7.5 | 32 | 5 | 32.75 |
| BNFN 2810V-2.5 | 28 | 10 | 29.75 |
| BNFN 3610V-7.5 | 36 | 10 | 37.75 |
| BNFN 3616V-5 | 36 | 16 | 38 |
| BNFN 4016V-5 | 40 | 16 | 42 |
| BNFN 4510V-7.5 | 45 | 10 | 46.75 |
| BNFN 5010V-7.5 | 50 | 10 | 51.75 |
Double-nut Preload Model BNFN

| Model No. |
Screw shaft outer diameter | Lead | Ball center-to-center diameter |
| d | Ph | dp | |
| mm | mm | mm | |
| BNFN 5510-2.5 | 55 | 10 | 56.75 |
| BNFN 5510-5 | 55 | 10 | 56.75 |
| BNFN 5510-7.5 | 55 | 10 | 56.75 |
| BNFN 5512-2.5 | 55 | 12 | 57 |
| BNFN 5512-3 | 55 | 12 | 57 |
| BNFN 5512-3.5 | 55 | 12 | 57 |
| BNFN 5512-5 | 55 | 12 | 57 |
| BNFN 5512-7.5 | 55 | 12 | 57 |
| BNFN 5516-2.5 | 55 | 16 | 57.7 |
| BNFN 5516-5 | 55 | 16 | 57.7 |
| BNFN 5520-2.5 | 55 | 20 | 57.7 |
| BNFN 5520-5 | 55 | 20 | 57.7 |
| BNFN 6310-2.5 | 63 | 10 | 64.75 |
| BNFN 6310-5 | 63 | 10 | 64.75 |
| BNFN 6310-7.5 | 63 | 10 | 64.75 |
| BNFN 6312A-2.5 | 63 | 12 | 65.25 |
| BNFN 6312A-5 | 63 | 12 | 65.25 |
| BNFN 6316-2.5 | 63 | 16 | 65.7 |
| BNFN 6316-5 | 63 | 16 | 65.7 |
| BNFN 6320-2.5 | 63 | 20 | 65.7 |
| BNFN 6320-5 | 63 | 20 | 65.7 |
| BNFN 7010-2.5 | 70 | 10 | 71.75 |
| BNFN 7010-5 | 70 | 10 | 71.75 |
| BNFN 7010-7.5 | 70 | 10 | 71.75 |
| BNFN 7012-2.5 | 70 | 12 | 72 |
| BNFN 7012-5 | 70 | 12 | 72 |
| BNFN 7012-7.5 | 70 | 12 | 72 |
| BNFN 7020-5 | 70 | 20 | 72.7 |
| BNFN 8010-2.5 | 80 | 10 | 81.75 |
| BNFN 8010-5 | 80 | 10 | 81.75 |
| BNFN 8010-7.5 | 80 | 10 | 81.75 |
| BNFN 8012-5 | 80 | 12 | 82.3 |
| BNFN 8020A-2.5 | 80 | 20 | 82.7 |
| BNFN 8020A-5 | 80 | 20 | 82.7 |
| BNFN 10020A-2.5 | 100 | 20 | 102.7 |
| BNFN 10020A-5 | 100 | 20 | 102.7 |
| BNFN 10020A-7.5 | 100 | 20 | 102.7 |
Slim nut Model DKN

| Model No. |
Screw shaft outer diameter | Lead | Ball center-to-center diameter |
| d | Ph | dp | |
| mm | mm | mm | |
| DKN 4020-3 | 40 | 20 | 41.75 |
| DKN 5020-3 | 50 | 20 | 52.25 |
| DKN 6320-3 | 63 | 20 | 65.7 |
Large Lead Model BLW

| Model No. |
Screw shaft outer diameter | Lead | Ball center-to-center diameter |
| d | Ph | dp | |
| mm | mm | mm | |
| BLW 1510-5.6 | 15 | 10 | 15.75 |
| BLW 1616-3.6 | 16 | 16 | 16.65 |
| BLW 2020-3.6 | 20 | 20 | 20.75 |
| BLW 2525-3.6 | 25 | 25 | 26 |
| BLW 3232-3.6 | 32 | 32 | 33.25 |
| BLW 3636-3.6 | 36 | 36 | 37.4 |
| BLW 4040-3.6 | 40 | 40 | 41.75 |
| BLW 5050-3.6 | 50 | 50 | 52.2 |
Single nut Model BNF

| Model No. |
Screw shaft outer diameter | Lead | Ball center-to-center diameter |
| d | Ph | dp | |
| mm | mm | mm | |
| BNF 5510-2.5 | 55 | 10 | 56.75 |
| BNF 5510-5 | 55 | 10 | 56.75 |
| BNF 5510-7.5 | 55 | 10 | 56.75 |
| BNF 5512-2.5 | 55 | 12 | 57 |
| BNF 5512-3 | 55 | 12 | 57 |
| BNF 5512-3.5 | 55 | 12 | 57 |
| BNF 5512-5 | 55 | 12 | 57 |
| BNF 5512-7.5 | 55 | 12 | 57 |
| BNF 5516-2.5 | 55 | 16 | 57.7 |
| BNF 5516-5 | 55 | 16 | 57.7 |
| BNF 5520-2.5 | 55 | 20 | 57.7 |
| BNF 5520-5 | 55 | 20 | 57.7 |
| BNF 6310-2.5 | 63 | 10 | 64.75 |
| BNF 6310-5 | 63 | 10 | 64.75 |
| BNF 6310-7.5 | 63 | 10 | 64.75 |
| BNF 6312A-2.5 | 63 | 12 | 65.25 |
| BNF 6312A-5 | 63 | 12 | 65.25 |
| BNF 6316-5 | 63 | 16 | 65.7 |
| BNF 6320-2.5 | 63 | 20 | 65.7 |
| BNF 6320-5 | 63 | 20 | 65.7 |
| BNF 7010-2.5 | 70 | 10 | 71.75 |
| BNF 7010-5 | 70 | 10 | 71.75 |
| BNF 7010-7.5 | 70 | 10 | 71.75 |
| BNF 7012-2.5 | 70 | 12 | 72 |
| BNF 7012-5 | 70 | 12 | 72 |
| BNF 7012-7.5 | 70 | 12 | 72 |
| BNF 7020-5 | 70 | 20 | 72.7 |
| BNF 8010-2.5 | 80 | 10 | 81.75 |
| BNF 8010-5 | 80 | 10 | 81.75 |
| BNF 8010-7.5 | 80 | 10 | 81.75 |
| BNF 8020A-2.5 | 80 | 20 | 82.7 |
| BNF 8020A-5 | 80 | 20 | 82.7 |
| BNF 8020A-7.5 | 80 | 20 | 82.7 |
| BNF 10020A-2.5 | 100 | 20 | 102.7 |
| BNF 10020A-5 | 100 | 20 | 102.7 |
| BNF 10020A-7.5 | 100 | 20 | 102.7 |
Model BNF-V

| Model No. |
Screw shaft outer diameter | Lead | Ball center-to-center diameter |
| d | Ph | dp | |
| mm | mm | mm | |
| BNF 1604V-5 | 16 | 4 | 16.5 |
| BNF 1605V-2.5 | 16 | 5 | 16.75 |
| BNF 1605V-5 | 16 | 5 | 16.75 |
| BNF 2004V-2.5 | 20 | 4 | 20.5 |
| BNF 2004V-5 | 20 | 4 | 20.5 |
| BNF 2005V-2.5 | 20 | 5 | 20.75 |
| BNF 2005V-5 | 20 | 5 | 20.75 |
| BNF 2010V-2.5 | 20 | 10 | 20.75 |
| BNF 2504V-2.5 | 25 | 4 | 25.5 |
| BNF 2504V-5 | 25 | 4 | 25.5 |
| BNF 2505V-2.5 | 25 | 5 | 25.75 |
| BNF 2505V-5 | 25 | 5 | 25.75 |
| BNF 2506V-2.5 | 25 | 6 | 26 |
| BNF 2506V-5 | 25 | 6 | 26 |
| BNF 2805V-2.5 | 28 | 5 | 28.75 |
| BNF 2805V-5 | 28 | 5 | 28.75 |
| BNF 2805V-7.5 | 28 | 5 | 28.75 |
| BNF 2806V-2.5 | 28 | 6 | 28.75 |
| BNF 2806V-5 | 28 | 6 | 28.75 |
| BNF 2806V-7.5 | 28 | 6 | 28.75 |
| BNF 3205V-2.5 | 32 | 5 | 32.75 |
| BNF 3205V-5 | 32 | 5 | 32.75 |
| BNF 3205V-7.5 | 32 | 5 | 32.75 |
| BNF 3206V-2.5 | 32 | 6 | 33 |
| BNF 3206V-5 | 32 | 6 | 33 |
| BNF 2508V-2.5 | 25 | 8 | 26.25 |
| BNF 2508V-3.5 | 25 | 8 | 26.25 |
| BNF 2508V-5 | 25 | 8 | 26.25 |
| BNF 2510V-2.5 | 25 | 10 | 26.25 |
| BNF 2810V-2.5 | 28 | 10 | 29.75 |
| BNF 3210V-2.5 | 32 | 10 | 33.75 |
| BNF 3210V-3.5 | 32 | 10 | 33.75 |
| BNF 3210V-5 | 32 | 10 | 33.75 |
| BNF 3212V-3.5 | 32 | 12 | 34 |
| BNF 3216V-5 | 32 | 16 | 33.75 |
| BNF 3610V-2.5 | 36 | 10 | 37.75 |
| BNF 3610V-5 | 36 | 10 | 37.75 |
| BNF 3610V-7.5 | 36 | 10 | 37.75 |
| BNF 3612V-2.5 | 36 | 12 | 38 |
| BNF 3612V-5 | 36 | 12 | 38 |
| BNF 3616V-2.5 | 36 | 16 | 38 |
| BNF 3620V-1.5 | 36 | 20 | 37.75 |
| BNF 4010V-2.5 | 40 | 10 | 41.75 |
| BNF 4010V-3.5 | 40 | 10 | 41.75 |
| BNF 4010V-5 | 40 | 10 | 41.75 |
| BNF 4012V-2.5 | 40 | 12 | 42 |
| BNF 4012V-3.5 | 40 | 12 | 42 |
| BNF 4012V-5 | 40 | 12 | 42 |
| BNF 4016V-5 | 40 | 16 | 42 |
| BNF 4020V-5 | 40 | 20 | 41.75 |
| BNF 4510V-2.5 | 45 | 10 | 46.75 |
| BNF 4510V-3 | 45 | 10 | 46.75 |
| BNF 4510V-5 | 45 | 10 | 46.75 |
| BNF 4510V-7.5 | 45 | 10 | 46.75 |
| BNF 4512V-5 | 45 | 12 | 47 |
| BNF 4520V-2.5 | 45 | 20 | 47 |
| BNF 5010V-2.5 | 50 | 10 | 51.75 |
| BNF 5010V-3.5 | 50 | 10 | 51.75 |
| BNF 5010V-5 | 50 | 10 | 51.75 |
| BNF 5010V-7.5 | 50 | 10 | 51.75 |
| BNF 5012V-2.5 | 50 | 12 | 52.25 |
| BNF 5012V-3.5 | 50 | 12 | 52.25 |
| BNF 5012V-5 | 50 | 12 | 52.25 |
| BNF 5016V-2.5 | 50 | 16 | 52.7 |
| BNF 5016V-5 | 50 | 16 | 52.7 |
| BNF 5020V-2.5 | 50 | 20 | 52.7 |
Square Nut Model BNT

| Model No. |
Screw shaft outer diameter | Lead | Ball center-to-center diameter |
| d | Ph | dp | |
| mm | mm | mm | |
| BNT 1404-3.6 (Rolled) | 14 | 4 | 14.4 |
| BNT 1405-2.6 (Rolled) | 14 | 5 | 14.5 |
| BNT 1605-2.6 (Rolled) | 16 | 5 | 16.75 |
| BNT 1808-3.6 (Rolled) | 18 | 8 | 19.3 |
| BNT 2005-2.6 (Rolled) | 20 | 5 | 20.5 |
| BNT 2010-2.6 (Rolled) | 20 | 10 | 21.25 |
| BNT 2505-2.6 (Rolled) | 25 | 5 | 25.5 |
| BNT 2510-5.3 (Rolled) | 25 | 10 | 26.8 |
| BNT 2806-2.6(Rolled) | 28 | 6 | 28.5 |
| BNT 2806-5.3(Rolled) | 28 | 6 | 28.5 |
| BNT 3210-2.6(Rolled) | 32 | 10 | 33.75 |
| BNT 3210-5.3(Rolled) | 32 | 10 | 33.75 |
| BNT 3610-2.6(Rolled) | 36 | 10 | 37 |
| BNT 3610-5.3(Rolled) | 36 | 10 | 37 |
| BNT 4512-5.3(Rolled) | 45 | 12 | 46.5 |
Slim nut Model DK

| Model No. |
Screw shaft outer diameter | Lead | Ball center-to-center diameter |
| d | Ph | dp | |
| mm | mm | mm | |
| DK 1404-4 | 14 | 4 | 14.5 |
| DK 1404-6 | 14 | 4 | 14.5 |
| DK 1605-3 | 16 | 5 | 16.75 |
| DK 1605-4 | 16 | 5 | 16.75 |
| DK 2004-3 | 20 | 4 | 20.5 |
| DK 2004-4 | 20 | 4 | 20.5 |
| DK 2005-3 | 20 | 5 | 20.75 |
| DK 2005-4 | 20 | 5 | 20.75 |
| DK 2006-3 | 20 | 6 | 21 |
| DK 2006-4 | 20 | 6 | 21 |
| DK 2008-4 | 20 | 8 | 21 |
| DK 2504-3 | 25 | 4 | 25.5 |
| DK 2504-4 | 25 | 4 | 25.5 |
| DK 2505-3 | 25 | 5 | 25.75 |
| DK 2505-4 | 25 | 5 | 25.75 |
| DK 2506-3 | 25 | 6 | 26 |
| DK 2506-4 | 25 | 6 | 26 |
| DK 2508-3 | 25 | 8 | 26 |
| DK 2508-4 | 25 | 8 | 26 |
| DK 2510-3 | 25 | 10 | 26 |
| DK 2510-4 | 25 | 10 | 26 |
| DK 2805-3 | 28 | 5 | 28.75 |
| DK 2805-4 | 28 | 5 | 28.75 |
| DK 2806-3 | 28 | 6 | 29 |
| DK 2806-4 | 28 | 6 | 29 |
| DK 2810-4 | 28 | 10 | 29.25 |
| DK 3204-3 | 32 | 4 | 32.5 |
| DK 3204-4 | 32 | 4 | 32.5 |
| DK 3205-3 | 32 | 5 | 32.75 |
| DK 3205-4 | 32 | 5 | 32.75 |
| DK 3205-6 | 32 | 5 | 32.75 |
| DK 3206-3 | 32 | 6 | 33 |
| DK 3206-4 | 32 | 6 | 33 |
| DK 3210-3 | 32 | 10 | 33.75 |
| DK 3210-4 | 32 | 10 | 33.75 |
| DK 3212-4 | 32 | 12 | 33.75 |
| DK 3610-3 | 36 | 10 | 37.75 |
| DK 3610-4 | 36 | 10 | 37.75 |
| DK 4010-3 | 40 | 10 | 41.75 |
| DK 4010-4 | 40 | 10 | 41.75 |
| DK 4012-3 | 40 | 12 | 41.75 |
| DK 4012-4 | 40 | 12 | 41.75 |
| DK 4016-4 | 40 | 16 | 41.75 |
| DK 4020-3 | 40 | 20 | 41.75 |
| DK 5010-3 | 50 | 10 | 51.75 |
| DK 5010-4 | 50 | 10 | 51.75 |
| DK 5010-6 | 50 | 10 | 51.75 |
| DK 5012-3 | 50 | 12 | 52.25 |
| DK 5012-4 | 50 | 12 | 52.25 |
| DK 5016-3 | 50 | 16 | 52.25 |
| DK 5016-4 | 50 | 16 | 52.25 |
| DK 5020-3 | 50 | 20 | 52.25 |
| DK 6310-4 | 63 | 10 | 64.75 |
| DK 6310-6 | 63 | 10 | 64.75 |
| DK 6312-3 | 63 | 12 | 65.25 |
| DK 6312-4 | 63 | 12 | 65.25 |
| DK 6320-3 | 63 | 20 | 65.7 |
Miniature Model MDK

| Model No. |
Screw shaft outer diameter | Lead | Ball center-to-center diameter |
| d | Ph | dp | |
| mm | mm | mm | |
| MDK 0401-3(Unfinished Shaft Ends) | 4 | 1 | 4.15 |
| MDK 0601-3(Unfinished Shaft Ends) | 6 | 1 | 6.2 |
| MDK 0801-3(Unfinished Shaft Ends) | 8 | 1 | 8.2 |
| MDK 0802-3(Unfinished Shaft Ends) | 8 | 2 | 8.3 |
| MDK 1002-3(Unfinished Shaft Ends) | 10 | 2 | 10.3 |
| MDK 1202-3(Unfinished Shaft Ends) | 12 | 2 | 12.3 |
| MDK 1402-3(Unfinished Shaft Ends) | 14 | 2 | 14.3 |
| MDK 1404-3(Unfinished Shaft Ends) | 14 | 4 | 14.65 |
| MDK 1405-3(Unfinished Shaft Ends) | 14 | 5 | 14.75 |
| MDK 0401-3 | 4 | 1 | 4.15 |
| MDK 0601-3 | 6 | 1 | 6.2 |
| MDK 0801-3 | 8 | 1 | 8.2 |
| MDK 0802-3 | 8 | 2 | 8.3 |
| MDK 1002-3 | 10 | 2 | 10.3 |
| MDK 1202-3 | 12 | 2 | 12.3 |
| MDK 1402-3 | 14 | 2 | 14.3 |
| MDK 1404-3 | 14 | 4 | 14.65 |
| MDK 1405-3 | 14 | 5 | 14.75 |
Large-lead High-speed Model WHF

| Model No. |
Screw shaft outer diameter | Lead | Ball center-to-center diameter |
| d | Ph | dp | |
| mm | mm | mm | |
| WHF 1530-3.4 | 15 | 30 | 15.75 |
| WHF 1540-3.4 | 15 | 40 | 15.75 |
| WHF 2020-3.4 | 20 | 20 | 20.75 |
| WHF 2025-3.4 | 20 | 25 | 20.75 |
| WHF 2030-3.4 | 20 | 30 | 20.75 |
| WHF 2040-3.4 | 20 | 40 | 20.75 |
| WHF 2525-3.4 | 25 | 25 | 26 |
| WHF 2550-3.4 | 25 | 50 | 26 |
Large Lead Model BLK

| Model No. |
Screw shaft outer diameter | Lead | Ball center-to-center diameter |
| d | Ph | dp | |
| mm | mm | mm | |
| BLK 0808-3.2 | 8 | 8 | 8.4 |
| BLK 1510-5.6 | 15 | 10 | 15.75 |
| BLK 1616-2.8 | 16 | 16 | 16.65 |
| BLK 1616-3.6 | 16 | 16 | 16.65 |
| BLK 2020-2.8 | 20 | 20 | 20.75 |
| BLK 2020-3.6 | 20 | 20 | 20.75 |
| BLK 2525-2.8 | 25 | 25 | 26 |
| BLK 2525-3.6 | 25 | 25 | 26 |
| BLK 3232-2.8 | 32 | 32 | 33.25 |
| BLK 3232-3.6 | 32 | 32 | 33.25 |
| BLK 3620-5.6 | 36 | 20 | 37.75 |
| BLK 3624-5.6 | 36 | 24 | 38 |
| BLK 3636-2.8 | 36 | 36 | 37.4 |
| BLK 3636-3.6 | 36 | 36 | 37.4 |
| BLK 4040-2.8 | 40 | 40 | 41.75 |
| BLK 4040-3.6 | 40 | 40 | 41.75 |
| BLK 5050-2.8 | 50 | 50 | 52.2 |
| BLK 5050-3.6 | 50 | 50 | 52.2 |
Super Lead Model WGF

| Model No. |
Screw shaft outer diameter | Lead | Ball center-to-center diameter |
| d | Ph | dp | |
| mm | mm | mm | |
| WGF 0812-3 | 8 | 12 | 8.4 |
| WGF 1015-3 | 10 | 15 | 10.5 |
| WGF 1320-3 | 13 | 20 | 13.5 |
| WGF 1520-1.5 | 15 | 20 | 15.75 |
| WGF 1520-3 | 15 | 20 | 15.75 |
| WGF 1530-1 | 15 | 30 | 15.75 |
| WGF 1530-3 | 15 | 30 | 15.75 |
| WGF 1540-1.5 | 15 | 40 | 15.75 |
| WGF 2040-1 | 20 | 40 | 20.75 |
| WGF 2040-3 | 20 | 40 | 20.75 |
| WGF 2060-1.5 | 20 | 60 | 20.75 |
| WGF 2550-1 | 25 | 50 | 26 |
| WGF 2550-3 | 25 | 50 | 26 |
| WGF 3060-1 | 30 | 60 | 31.25 |
| WGF 3060-3 | 30 | 60 | 31.25 |
| WGF 3090-1.5 | 30 | 90 | 31.25 |
| WGF 4080-1 | 40 | 80 | 41.75 |
| WGF 4080-3 | 40 | 80 | 41.75 |
| WGF 50100-1 | 50 | 100 | 52.2 |
| WGF 50100-3 | 50 | 100 | 52.2 |
Large Lead Rotary nut Model BLR
| Model No. |
Screw shaft outer diameter | Lead | Ball center-to-center diameter |
| d | Ph | dp | |
| mm | mm | mm | |
| BLR 1616-3.6 | 16 | 16 | 16.65 |
| BLR 2020-3.6 | 20 | 20 | 20.75 |
| BLR 2525-3.6 | 25 | 25 | 26 |
| BLR 3232-3.6 | 32 | 32 | 33.25 |
| BLR 3636-3.6 | 36 | 36 | 37.4 |
| BLR 4040-3.6 | 40 | 40 | 41.75 |
| BLR 5050-3.6 | 50 | 50 | 52.2 |
| BLR 1616-3.6(Rolled) | 16 | 16 | 16.65 |
| BLR 2020-3.6(Rolled) | 20 | 20 | 20.75 |
| BLR 2525-3.6(Rolled) | 25 | 25 | 26 |
| BLR 3232-3.6(Rolled) | 32 | 32 | 33.25 |
| BLR 3636-3.6(Rolled) | 36 | 36 | 37.4 |
| BLR 4040-3.6(Rolled) | 40 | 40 | 41.75 |
| BLR 5050-3.6(Rolled) | 50 | 50 | 52.2 |
Precision Ball Screw / Spline
Precision Ball Screw / Spline
Linear-Rolling Motion Model BNS
| Model No. | Ball Screw unit | Ball Spline | |||||||
| Screw shaft outer diameter | Lead | Ball center-to-center diameter | Outer diameter | Flange diameter | Length | Outer diameter | Flange diameter | Length | |
| d | Ph | dp | D g6 | D1 | L1 | D7 g6 | D5 | L2 | |
| mm | mm | mm | mm | mm | mm | mm | mm | mm | |
| BNS 1616 | 16 | 16 | 16.65 | 52(0-0.007) | 68 | 43.5 | 52(0-0.007) | 68 | 50 |
| BNS 2020 | 20 | 20 | 20.75 | 62(0-0.007) | 78 | 54 | 56(0-0.007) | 72 | 63 |
| BNS 2525 | 25 | 25 | 26 | 72(0-0.007) | 92 | 65 | 62(0-0.007) | 78 | 71 |
| BNS 3232 | 32 | 32 | 33.25 | 80(0-0.007) | 105 | 80 | 80(0-0.007) | 105 | 80 |
| BNS 4040 | 40 | 40 | 41.75 | 110(0-0.008) | 140 | 98 | 100(0-0.008) | 130 | 100 |
| BNS 5050 | 50 | 50 | 52.2 | 120(0-0.008) | 156 | 126 | 120(0-0.008) | 156 | 125 |
Linear Motion Model NS
| Model No. | Ball Screw unit | Ball Spline | ||||||
| Screw shaft outer diameter | Lead | Ball center-to-center diameter | Outer diameter | Flange diameter | Length | Flange diameter | Length | |
| d | Ph | dp | D g6 | D1 | L1 | D5 | L2 | |
| mm | mm | mm | mm | mm | mm | mm | mm | |
| NS 1616 | 16 | 16 | 16.65 | 52(0-0.007) | 68 | 43.5 | 51 | 50(0-0.2) |
| NS 2020 | 20 | 20 | 20.75 | 62(0-0.007) | 78 | 54 | 58 | 63(0-0.2) |
| NS 2525 | 25 | 25 | 26 | 72(0-0.007) | 92 | 65 | 65 | 71(0-0.3) |
| NS 3232 | 32 | 32 | 33.25 | 80(0-0.007) | 105 | 80 | 77 | 80(0-0.3) |
| NS 4040 | 40 | 40 | 41.75 | 110(0-0.008) | 140 | 98 | 100 | 100(0-0.3) |
| NS 5050 | 50 | 50 | 52.2 | 120(0-0.008) | 156 | 126 | 124 | 125(0-0.3) |
Rolled Ball Screw
Rolled
Slim nut Model JPF
| Model No. | Ball Screw unit | Ball Spline | ||||||
| Screw shaft outer diameter | Lead | Ball center-to-center diameter | Outer diameter | Flange diameter | Length | Flange diameter | Length | |
| d | Ph | dp | D g6 | D1 | L1 | D5 | L2 | |
| mm | mm | mm | mm | mm | mm | mm | mm | |
| JPF 1404-4 | 14 | 4 | 14.4 | 26 | 46 | 52 | 2.8 | 5.1 |
| JPF 1405-4 | 14 | 5 | 14.5 | 26 | 46 | 60 | 3.9 | 8.6 |
| JPF 1605-4 | 16 | 5 | 16.75 | 30 | 49 | 60 | 3.7 | 8.2 |
| JPF 2005-6 | 20 | 5 | 20.5 | 34 | 57 | 80 | 6 | 16 |
| JPF 2505-6 | 25 | 5 | 25.5 | 40 | 66 | 80 | 6.9 | 20.8 |
| JPF 2510-4 | 25 | 10 | 26.8 | 47 | 72 | 112 | 11.4 | 24.5 |
| JPF 2805-6 | 28 | 5 | 28.75 | 43 | 69 | 80 | 7.3 | 23.9 |
| JPF 2806-6 | 28 | 6 | 28.5 | 43 | 69 | 90 | 7.3 | 23.9 |
| JPF 3210-6 | 32 | 10 | 33.75 | 54 | 88 | 135 | 19.3 | 49.9 |
| JPF 3610-6 | 36 | 10 | 37 | 58 | 98 | 138 | 20.6 | 56.2 |
| JPF 4010-6 | 40 | 10 | 41.75 | 62 | 104 | 138 | 22.2 | 65.3 |
Standard nut Model BTK-V
| Model No. | Ball Screw unit | Ball Spline | ||||||
| Screw shaft outer diameter | Lead | Ball center-to-center diameter | Outer diameter | Flange diameter | Length | Flange diameter | Length | |
| d | Ph | dp | D g6 | D1 | L1 | D5 | L2 | |
| mm | mm | mm | mm | mm | mm | mm | mm | |
| BTK 1006V-2.6 | 10 | 6 | 10.5 | 26 | 42 | 36 | 2.8 | 4.9 |
| BTK 1208V-2.6 | 12 | 8 | 12.65 | 29 | 45 | 44 | 3.8 | 6.8 |
| BTK 1404V-3.6 | 14 | 4 | 14.4 | 31 | 50 | 40 | 5.5 | 11.5 |
| BTK 1405V-2.6 | 14 | 5 | 14.5 | 32 | 50 | 40 | 5 | 11.4 |
| BTK 1605V-2.6 | 16 | 5 | 16.75 | 34 | 54 | 40 | 5.4 | 13.3 |
| BTK 1808V-3.6 | 18 | 8 | 19.3 | 50 | 80 | 61 | 13.1 | 31 |
| BTK 2005V-2.6 | 20 | 5 | 20.5 | 40 | 60 | 40 | 6 | 16.5 |
| BTK 2010V-2.6 | 20 | 10 | 21.25 | 52 | 82 | 61 | 10.6 | 25.1 |
| BTK 2505V-2.6 | 25 | 5 | 25.5 | 43 | 67 | 40 | 6.7 | 20.8 |
| BTK 2510V-5.3 | 25 | 10 | 26.8 | 60 | 96 | 98 | 31.2 | 83.7 |
| BTK 2806V-2.6 | 28 | 6 | 28.5 | 50 | 80 | 47 | 7 | 23.4 |
| BTK 2806V-5.3 | 28 | 6 | 28.5 | 50 | 80 | 65 | 12.8 | 46.8 |
| BTK 3210V-2.6 | 32 | 10 | 33.75 | 67 | 103 | 68 | 19.8 | 53.8 |
| BTK 3210V-5.3 | 32 | 10 | 33.75 | 67 | 103 | 98 | 36 | 107.5 |
| BTK 3610V-2.6 | 36 | 10 | 37 | 70 | 110 | 70 | 20.8 | 59.8 |
| BTK 3610V-5.3 | 36 | 10 | 37 | 70 | 110 | 100 | 37.8 | 118.7 |
| BTK 4010V-5.3 | 40 | 10 | 41.75 | 76 | 116 | 100 | 40.3 | 134.9 |
| BTK 4512V-5.3 | 45 | 12 | 46.5 | 82 | 128 | 118 | 49.5 | 169 |
| BTK 5016V-5.3 | 50 | 16 | 52.7 | 102 | 162 | 145 | 93.8 | 315.2 |
Miniature Model MTF
| Model No. | Ball Screw unit | Ball Spline | ||||||
| Screw shaft outer diameter | Lead | Ball center-to-center diameter | Outer diameter | Flange diameter | Length | Flange diameter | Length | |
| d | Ph | dp | D g6 | D1 | L1 | D5 | L2 | |
| mm | mm | mm | mm | mm | mm | mm | mm | |
| MTF 0601-3.7 | 6 | 1 | 6.15 | 13 | 30 | 21 | 0.7 | 1.2 |
| MTF 0802-3.7 | 8 | 2 | 8.3 | 20 | 40 | 28 | 2.1 | 3.8 |
| MTF 0801-3.7 | 8 | 1 | 8.15 | 16 | 29 | 17 | 0.78 | 1.65 |
| MTF 1002-3.7 | 10 | 2 | 10.3 | 23 | 43 | 28 | 2.3 | 4.8 |
| MTF 1202-3.7 | 12 | 2 | 12.3 | 25 | 47 | 30 | 2.5 | 5.8 |
| MTF 0805-2.7 | 8 | 5 | 8.3 | 18 | 31 | 28 | 1.85 | 3 |
| MTF 1004-2.7 | 10 | 4 | 10.3 | 24 | 41 | 28 | 3 | 5.2 |
| MTF 1402-3.7 | 14 | 2 | 14.3 | 26 | 45 | 25 | 3.2 | 7.5 |
Square Nut Model BNT
| Model No. | Ball Screw unit | Ball Spline | ||||||
| Screw shaft outer diameter | Lead | Ball center-to-center diameter | Outer diameter | Flange diameter | Length | Flange diameter | Length | |
| d | Ph | dp | D g6 | D1 | L1 | D5 | L2 | |
| mm | mm | mm | mm | mm | mm | mm | mm | |
| BNT 1404-3.6 (Rolled) | 14 | 4 | 14.4 | — | — | 35 | 5.5 | 11.5 |
| BNT 1405-2.6 (Rolled) | 14 | 5 | 14.5 | — | — | 35 | 5 | 11.4 |
| BNT 1605-2.6 (Rolled) | 16 | 5 | 16.75 | — | — | 36 | 5.4 | 13.3 |
| BNT 1808-3.6 (Rolled) | 18 | 8 | 19.3 | — | — | 56 | 13.1 | 31 |
| BNT 2005-2.6 (Rolled) | 20 | 5 | 20.5 | — | — | 35 | 6 | 16.5 |
| BNT 2010-2.6 (Rolled) | 20 | 10 | 21.25 | — | — | 58 | 10.6 | 25.1 |
| BNT 2505-2.6 (Rolled) | 25 | 5 | 25.5 | — | — | 35 | 6.7 | 20.8 |
| BNT 2510-5.3 (Rolled) | 25 | 10 | 26.8 | — | — | 94 | 31.2 | 83.7 |
| BNT 2806-2.6(Rolled) | 28 | 6 | 28.5 | — | — | 42 | 7 | 23.4 |
| BNT 2806-5.3(Rolled) | 28 | 6 | 28.5 | — | — | 67 | 12.8 | 46.8 |
| BNT 3210-2.6(Rolled) | 32 | 10 | 33.75 | — | — | 64 | 19.8 | 53.8 |
| BNT 3210-5.3(Rolled) | 32 | 10 | 33.75 | — | — | 94 | 36 | 107.5 |
| BNT 3610-2.6(Rolled) | 36 | 10 | 37 | — | — | 64 | 20.8 | 59.3 |
| BNT 3610-5.3(Rolled) | 36 | 10 | 37 | — | — | 96 | 37.8 | 118.7 |
| BNT 4512-5.3(Rolled) | 45 | 12 | 46.5 | — | — | 115 | 49.5 | 169 |
Large Lead Model BLK
| Model No. | Ball Screw unit | Ball Spline | ||||||
| Screw shaft outer diameter | Lead | Ball center-to-center diameter | Outer diameter | Flange diameter | Length | Flange diameter | Length | |
| d | Ph | dp | D g6 | D1 | L1 | D5 | L2 | |
| mm | mm | mm | mm | mm | mm | mm | mm | |
| BLK 0808-3.2(Rolled) | 8 | 8 | 8.4 | 18 | 31 | 20 | 2.2 | 3.8 |
| BLK 1010-3.2(Rolled) | 10 | 10 | 10.5 | 23 | 40 | 24 | 3.3 | 5.9 |
| BLK 1510-5.6(Rolled) | 15 | 10 | 15.75 | 34 | 57 | 44 | 9.8 | 25.2 |
| BLK 1616-3.6(Rolled) | 16 | 16 | 16.65 | 32 | 53 | 38 | 5.8 | 12.9 |
| BLK 1616-7.2(Rolled) | 16 | 16 | 16.65 | 32 | 53 | 38 | 10.5 | 25.9 |
| BLK 2020-3.6(Rolled) | 20 | 20 | 20.75 | 39 | 62 | 45 | 7.7 | 22.3 |
| BLK 2020-7.2(Rolled) | 20 | 20 | 20.75 | 39 | 62 | 45 | 13.9 | 44.6 |
| BLK 2525-3.6(Rolled) | 25 | 25 | 26 | 47 | 74 | 55 | 12.1 | 35 |
| BLK 2525-7.2(Rolled) | 25 | 25 | 26 | 47 | 74 | 55 | 21.9 | 69.9 |
| BLK 3232-3.6(Rolled) | 32 | 32 | 33.25 | 58 | 92 | 70 | 17.3 | 53.9 |
| BLK 3232-7.2(Rolled) | 32 | 32 | 33.25 | 58 | 92 | 70 | 31.3 | 107.8 |
| BLK 3620-5.6(Rolled) | 36 | 20 | 37.75 | 70 | 110 | 78 | 39.8 | 121.7 |
| BLK 3624-5.6(Rolled) | 36 | 24 | 38 | 75 | 115 | 94 | 46.2 | 137.4 |
| BLK 3636-3.6(Rolled) | 36 | 36 | 37.4 | 66 | 106 | 77 | 22.4 | 70.5 |
| BLK 3636-7.2(Rolled) | 36 | 36 | 37.4 | 66 | 106 | 77 | 40.6 | 141.1 |
| BLK 4040-3.6(Rolled) | 40 | 40 | 41.75 | 73 | 114 | 85 | 28.1 | 89.8 |
| BLK 4040-7.2(Rolled) | 40 | 40 | 41.75 | 73 | 114 | 85 | 51.1 | 179.6 |
| BLK 5050-3.6(Rolled) | 50 | 50 | 52.2 | 90 | 135 | 106 | 42.1 | 140.4 |
| BLK 5050-7.2(Rolled) | 50 | 50 | 52.2 | 90 | 135 | 106 | 76.3 | 280.7 |
Super Lead Model WTF
| Model No. | Ball Screw unit | Ball Spline | ||||||
| Screw shaft outer diameter | Lead | Ball center-to-center diameter | Outer diameter | Flange diameter | Length | Flange diameter | Length | |
| d | Ph | dp | D g6 | D1 | L1 | D5 | L2 | |
| mm | mm | mm | mm | mm | mm | mm | mm | |
| WTF 1520-3 | 15 | 20 | 15.75 | 32 | 53 | 45 | 5.5 | 14.2 |
| WTF 1520-6 | 15 | 20 | 15.75 | 32 | 53 | 45 | 10.1 | 28.5 |
| WTF 1530-2 | 15 | 30 | 15.75 | 32 | 53 | 33 | 4.3 | 9.3 |
| WTF 1530-3 | 15 | 30 | 15.75 | 32 | 53 | 63 | 5.6 | 12.4 |
| WTF 2040-2 | 20 | 40 | 20.75 | 37 | 57 | 41.5 | 5.4 | 13.6 |
| WTF 2040-3 | 20 | 40 | 20.75 | 37 | 57 | 81.5 | 6.6 | 17.2 |
| WTF 2550-2 | 25 | 50 | 26 | 45 | 69 | 52 | 8.5 | 21.2 |
| WTF 2550-3 | 25 | 50 | 26 | 45 | 69 | 102 | 10.4 | 26.9 |
| WTF 3060-2 | 30 | 60 | 31.25 | 55 | 89 | 62.5 | 11.8 | 30.6 |
| WTF 3060-3 | 30 | 60 | 31.25 | 55 | 89 | 122.5 | 14.5 | 38.9 |
| WTF 4080-2 | 40 | 80 | 41.75 | 73 | 114 | 79 | 19.8 | 54.5 |
| WTF 4080-3 | 40 | 80 | 41.75 | 73 | 114 | 159 | 24.3 | 69.2 |
| WTF 50100-2 | 50 | 100 | 52.2 | 90 | 135 | 98 | 29.6 | 85.2 |
| WTF 50100-3 | 50 | 100 | 52.2 | 90 | 135 | 198 | 36.3 | 108.1 |
Super Lead (High Load ) Model CNF
| Model No. | Ball Screw unit | Ball Spline | ||||||
| Screw shaft outer diameter | Lead | Ball center-to-center diameter | Outer diameter | Flange diameter | Length | Flange diameter | Length | |
| d | Ph | dp | D g6 | D1 | L1 | D5 | L2 | |
| mm | mm | mm | mm | mm | mm | mm | mm | |
| CNF 1530-6 | 15 | 30 | 15.75 | 32 | 53 | 63 | 10.1 | 24.7 |
| CNF 2040-6 | 20 | 40 | 20.75 | 37 | 57 | 81 | 12 | 34.4 |
| CNF 2550-6 | 25 | 50 | 26 | 45 | 69 | 102 | 18.9 | 53.9 |
| CNF 3060-6 | 30 | 60 | 31.25 | 55 | 89 | 122 | 26.2 | 77.7 |
Large Lead Rotary nut Model BLR
| Model No. | Ball Screw unit | Ball Spline | ||||||
| Screw shaft outer diameter | Lead | Ball center-to-center diameter | Outer diameter | Flange diameter | Length | Flange diameter | Length | |
| d | Ph | dp | D g6 | D1 | L1 | D5 | L2 | |
| mm | mm | mm | mm | mm | mm | mm | mm | |
| BLR 1616-3.6 | 16 | 16 | 16.65 | 52(0-0.007) | 68 | 43.5 | 7.1 | 14.3 |
| BLR 2020-3.6 | 20 | 20 | 20.75 | 62(0-0.007) | 78 | 54 | 11.1 | 24.7 |
| BLR 2525-3.6 | 25 | 25 | 26 | 72(0-0.007) | 92 | 65 | 16.6 | 38.7 |
| BLR 3232-3.6 | 32 | 32 | 33.25 | 80(0-0.007) | 105 | 80 | 23.7 | 59.5 |
| BLR 3636-3.6 | 36 | 36 | 37.4 | 100(0-0.008) | 130 | 93 | 30.8 | 78 |
| BLR 4040-3.6 | 40 | 40 | 41.75 | 110(0-0.008) | 140 | 98 | 38.7 | 99.2 |
| BLR 5050-3.6 | 50 | 50 | 52.2 | 120(0-0.008) | 156 | 126 | 57.8 | 155 |
| BLR 1616-3.6(Rolled) | 16 | 16 | 16.65 | 52(0-0.007) | 68 | 43.5 | 5.8 | 12.9 |
| BLR 2020-3.6(Rolled) | 20 | 20 | 20.75 | 62(0-0.007) | 78 | 54 | 7.7 | 22.3 |
| BLR 2525-3.6(Rolled) | 25 | 25 | 26 | 72(0-0.007) | 92 | 65 | 12.1 | 35 |
| BLR 3232-3.6(Rolled) | 32 | 32 | 33.25 | 80(0-0.007) | 105 | 80 | 17.3 | 53.9 |
| BLR 3636-3.6(Rolled) | 36 | 36 | 37.4 | 100(0-0.008) | 130 | 93 | 22.4 | 70.5 |
| BLR 4040-3.6(Rolled) | 40 | 40 | 41.75 | 110(0-0.008) | 140 | 98 | 28.1 | 89.8 |
| BLR 5050-3.6(Rolled) | 50 | 50 | 52.2 | 120(0-0.008) | 156 | 126 | 42.1 | 140.4 |
Slim nut Model JPF
Model No. |
Screw shaft outer diameter | Lead | Ball center-to-center diameter |
| d | Ph | dp | |
| mm | mm | mm | |
| JPF 1404-4 | 14 | 4 | 14.4 |
| JPF 1405-4 | 14 | 5 | 14.5 |
| JPF 1605-4 | 16 | 5 | 16.75 |
| JPF 2005-6 | 20 | 5 | 20.5 |
| JPF 2505-6 | 25 | 5 | 25.5 |
| JPF 2510-4 | 25 | 10 | 26.8 |
| JPF 2805-6 | 28 | 5 | 28.75 |
| JPF 2806-6 | 28 | 6 | 28.5 |
| JPF 3210-6 | 32 | 10 | 33.75 |
| JPF 3610-6 | 36 | 10 | 37 |
| JPF 4010-6 | 40 | 10 | 41.75 |
Standard nut Model BTK-V
Model No. |
Screw shaft outer diameter | Lead | Ball center-to-center diameter |
| d | Ph | dp | |
| mm | mm | mm | |
| BTK 1006V-2.6 | 10 | 6 | 10.5 |
| BTK 1208V-2.6 | 12 | 8 | 12.65 |
| BTK 1404V-3.6 | 14 | 4 | 14.4 |
| BTK 1405V-2.6 | 14 | 5 | 14.5 |
| BTK 1605V-2.6 | 16 | 5 | 16.75 |
| BTK 1808V-3.6 | 18 | 8 | 19.3 |
| BTK 2005V-2.6 | 20 | 5 | 20.5 |
| BTK 2010V-2.6 | 20 | 10 | 21.25 |
| BTK 2505V-2.6 | 25 | 5 | 25.5 |
| BTK 2510V-5.3 | 25 | 10 | 26.8 |
| BTK 2806V-2.6 | 28 | 6 | 28.5 |
| BTK 2806V-5.3 | 28 | 6 | 28.5 |
| BTK 3210V-2.6 | 32 | 10 | 33.75 |
| BTK 3210V-5.3 | 32 | 10 | 33.75 |
| BTK 3610V-2.6 | 36 | 10 | 37 |
| BTK 3610V-5.3 | 36 | 10 | 37 |
| BTK 4010V-5.3 | 40 | 10 | 41.75 |
| BTK 4512V-5.3 | 45 | 12 | 46.5 |
| BTK 5016V-5.3 | 50 | 16 | 52.7 |
Square Nut Model BNT
Model No. |
Screw shaft outer diameter | Lead | Ball center-to-center diameter |
| d | Ph | dp | |
| mm | mm | mm | |
| BNT 1404-3.6 (Rolled) | 14 | 4 | 14.4 |
| BNT 1405-2.6 (Rolled) | 14 | 5 | 14.5 |
| BNT 1605-2.6 (Rolled) | 16 | 5 | 16.75 |
| BNT 1808-3.6 (Rolled) | 18 | 8 | 19.3 |
| BNT 2005-2.6 (Rolled) | 20 | 5 | 20.5 |
| BNT 2010-2.6 (Rolled) | 20 | 10 | 21.25 |
| BNT 2505-2.6 (Rolled) | 25 | 5 | 25.5 |
| BNT 2510-5.3 (Rolled) | 25 | 10 | 26.8 |
| BNT 2806-2.6(Rolled) | 28 | 6 | 28.5 |
| BNT 2806-5.3(Rolled) | 28 | 6 | 28.5 |
| BNT 3210-2.6(Rolled) | 32 | 10 | 33.75 |
| BNT 3210-5.3(Rolled) | 32 | 10 | 33.75 |
| BNT 3610-2.6(Rolled) | 36 | 10 | 37 |
| BNT 3610-5.3(Rolled) | 36 | 10 | 37 |
| BNT 4512-5.3(Rolled) | 45 | 12 | 46.5 |
Large Lead Model BLK
Model No. |
Screw shaft outer diameter | Lead | Ball center-to-center diameter |
| d | Ph | dp | |
| mm | mm | mm | |
| BLK 0808-3.2(Rolled) | 8 | 8 | 8.4 |
| BLK 1010-3.2(Rolled) | 10 | 10 | 10.5 |
| BLK 1510-5.6(Rolled) | 15 | 10 | 15.75 |
| BLK 1616-3.6(Rolled) | 16 | 16 | 16.65 |
| BLK 1616-7.2(Rolled) | 16 | 16 | 16.65 |
| BLK 2020-3.6(Rolled) | 20 | 20 | 20.75 |
| BLK 2020-7.2(Rolled) | 20 | 20 | 20.75 |
| BLK 2525-3.6(Rolled) | 25 | 25 | 26 |
| BLK 2525-7.2(Rolled) | 25 | 25 | 26 |
| BLK 3232-3.6(Rolled) | 32 | 32 | 33.25 |
| BLK 3232-7.2(Rolled) | 32 | 32 | 33.25 |
| BLK 3620-5.6(Rolled) | 36 | 20 | 37.75 |
| BLK 3624-5.6(Rolled) | 36 | 24 | 38 |
| BLK 3636-3.6(Rolled) | 36 | 36 | 37.4 |
| BLK 3636-7.2(Rolled) | 36 | 36 | 37.4 |
| BLK 4040-3.6(Rolled) | 40 | 40 | 41.75 |
| BLK 4040-7.2(Rolled) | 40 | 40 | 41.75 |
| BLK 5050-3.6(Rolled) | 50 | 50 | 52.2 |
| BLK 5050-7.2(Rolled) | 50 | 50 | 52.2 |
Super Lead Model WTF
Model No. |
Screw shaft outer diameter | Lead | Ball center-to-center diameter |
| d | Ph | dp | |
| mm | mm | mm | |
| WTF 1520-3 | 15 | 20 | 15.75 |
| WTF 1520-6 | 15 | 20 | 15.75 |
| WTF 1530-2 | 15 | 30 | 15.75 |
| WTF 1530-3 | 15 | 30 | 15.75 |
| WTF 2040-2 | 20 | 40 | 20.75 |
| WTF 2040-3 | 20 | 40 | 20.75 |
| WTF 2550-2 | 25 | 50 | 26 |
| WTF 2550-3 | 25 | 50 | 26 |
| WTF 3060-2 | 30 | 60 | 31.25 |
| WTF 3060-3 | 30 | 60 | 31.25 |
| WTF 4080-2 | 40 | 80 | 41.75 |
| WTF 4080-3 | 40 | 80 | 41.75 |
| WTF 50100-2 | 50 | 100 | 52.2 |
| WTF 50100-3 | 50 | 100 | 52.2 |
Large Lead Rotary nut Model BLR
Model No. |
Screw shaft outer diameter | Lead | Ball center-to-center diameter |
| d | Ph | dp | |
| mm | mm | mm | |
| BLR 1616-3.6 | 16 | 16 | 16.65 |
| BLR 2020-3.6 | 20 | 20 | 20.75 |
| BLR 2525-3.6 | 25 | 25 | 26 |
| BLR 3232-3.6 | 32 | 32 | 33.25 |
| BLR 3636-3.6 | 36 | 36 | 37.4 |
| BLR 4040-3.6 | 40 | 40 | 41.75 |
| BLR 5050-3.6 | 50 | 50 | 52.2 |
| BLR 1616-3.6(Rolled) | 16 | 16 | 16.65 |
| BLR 2020-3.6(Rolled) | 20 | 20 | 20.75 |
| BLR 2525-3.6(Rolled) | 25 | 25 | 26 |
| BLR 3232-3.6(Rolled) | 32 | 32 | 33.25 |
| BLR 3636-3.6(Rolled) | 36 | 36 | 37.4 |
| BLR 4040-3.6(Rolled) | 40 | 40 | 41.75 |
| BLR 5050-3.6(Rolled) | 50 | 50 | 52.2 |
Finished Shaft Ends Model BNK
Model BNK
BNK0401-3
Model No. |
Stroke |
Lead |
Basic load rating |
|
| Dynamic | Static | |||
| rating | rating | |||
| Ca | C0a | |||
| mm | mm | kN | kN | |
| BNK 0401-3G0+77LC3Y | 20 | 1 | 0.29 | 0.42 |
| BNK 0401-3G0+77LC5Y | 20 | 1 | 0.29 | 0.42 |
| BNK 0401-3G2+77LC7Y | 20 | 1 | 0.29 | 0.42 |
| BNK 0401-3G0+97LC3Y | 40 | 1 | 0.29 | 0.42 |
| BNK 0401-3G0+97LC5Y | 40 | 1 | 0.29 | 0.42 |
| BNK 0401-3G2+97LC7Y | 40 | 1 | 0.29 | 0.42 |
| BNK 0401-3G0+127LC3Y | 70 | 1 | 0.29 | 0.42 |
| BNK 0401-3G0+127LC5Y | 70 | 1 | 0.29 | 0.42 |
| BNK 0401-3G2+127LC7Y | 70 | 1 | 0.29 | 0.42 |
BNK 0501-3
Model No. |
Stroke |
Lead |
Basic load rating |
|
| Dynamic | Static | |||
| rating | rating | |||
| Ca | C0a | |||
| mm | mm | kN | kN | |
| BNK 0501-3G0+77LC3Y | 20 | 1 | 0.32 | 0.55 |
| BNK 0501-3G0+77LC5Y | 20 | 1 | 0.32 | 0.55 |
| BNK 0501-3G2+77LC7Y | 20 | 1 | 0.32 | 0.55 |
| BNK 0501-3G0+97LC3Y | 40 | 1 | 0.32 | 0.55 |
| BNK 0501-3G0+97LC5Y | 40 | 1 | 0.32 | 0.55 |
| BNK 0501-3G2+97LC7Y | 40 | 1 | 0.32 | 0.55 |
| BNK 0501-3G0+127LC3Y | 70 | 1 | 0.32 | 0.55 |
| BNK 0501-3G0+127LC5Y | 70 | 1 | 0.32 | 0.55 |
| BNK 0501-3G2+127LC7Y | 70 | 1 | 0.32 | 0.55 |
BNK 0601-3
Model No. |
Stroke |
Lead |
Basic load rating |
|
| Dynamic | Static | |||
| rating | rating | |||
| Ca | C0a | |||
| mm | mm | kN | kN | |
| BNK 0601-3G0+100LC3Y | 40 | 1 | 0.54 | 0.94 |
| BNK 0601-3G0+100LC5Y | 40 | 1 | 0.54 | 0.94 |
| BNK 0601-3G2+100LC7Y | 40 | 1 | 0.54 | 0.94 |
| BNK 0601-3G0+130LC3Y | 70 | 1 | 0.54 | 0.94 |
| BNK 0601-3G0+130LC5Y | 70 | 1 | 0.54 | 0.94 |
| BNK 0601-3G2+130LC7Y | 70 | 1 | 0.54 | 0.94 |
| BNK 0601-3G0+160LC3Y | 100 | 1 | 0.54 | 0.94 |
| BNK 0601-3G0+160LC5Y | 100 | 1 | 0.54 | 0.94 |
| BNK 0601-3G2+160LC7Y | 100 | 1 | 0.54 | 0.94 |
BNK 0801-3
Model No. |
Stroke |
Lead |
Basic load rating |
|
| Dynamic | Static | |||
| rating | rating | |||
| Ca | C0a | |||
| mm | mm | kN | kN | |
| BNK 0801-3G0+115LC3Y | 40 | 1 | 0.64 | 1.4 |
| BNK 0801-3G0+115LC5Y | 40 | 1 | 0.64 | 1.4 |
| BNK 0801-3G2+115LC7Y | 40 | 1 | 0.64 | 1.4 |
| BNK 0801-3G0+145LC3Y | 70 | 1 | 0.64 | 1.4 |
| BNK 0801-3G0+145LC5Y | 70 | 1 | 0.64 | 1.4 |
| BNK 0801-3G2+145LC7Y | 70 | 1 | 0.64 | 1.4 |
| BNK 0801-3G0+175LC3Y | 100 | 1 | 0.64 | 1.4 |
| BNK 0801-3G0+175LC5Y | 100 | 1 | 0.64 | 1.4 |
| BNK 0801-3G2+175LC7Y | 100 | 1 | 0.64 | 1.4 |
| BNK 0801-3G0+225LC3Y | 150 | 1 | 0.64 | 1.4 |
| BNK 0801-3G0+225LC5Y | 150 | 1 | 0.64 | 1.4 |
| BNK 0801-3G2+225LC7Y | 150 | 1 | 0.64 | 1.4 |
BNK 0802-3
Model No. |
Stroke |
Lead |
Basic load rating |
|
| Dynamic | Static | |||
| rating | rating | |||
| Ca | C0a | |||
| mm | mm | kN | kN | |
| BNK 0802-3RRG0+125LC3Y | 40 | 2 | 1.4 | 2.3 |
| BNK 0802-3RRG0+125LC5Y | 40 | 2 | 1.4 | 2.3 |
| BNK 0802-3RRG2+125LC7Y | 40 | 2 | 1.4 | 2.3 |
| BNK 0802-3RRG0+155LC3Y | 70 | 2 | 1.4 | 2.3 |
| BNK 0802-3RRG0+155LC5Y | 70 | 2 | 1.4 | 2.3 |
| BNK 0802-3RRG2+155LC7Y | 70 | 2 | 1.4 | 2.3 |
| BNK 0802-3RRG0+185LC3Y | 100 | 2 | 1.4 | 2.3 |
| BNK 0802-3RRG0+185LC5Y | 100 | 2 | 1.4 | 2.3 |
| BNK 0802-3RRG2+185LC7Y | 100 | 2 | 1.4 | 2.3 |
| BNK 0802-3RRG0+235LC3Y | 150 | 2 | 1.4 | 2.3 |
| BNK 0802-3RRG0+235LC5Y | 150 | 2 | 1.4 | 2.3 |
| BNK 0802-3RRG2+235LC7Y | 150 | 2 | 1.4 | 2.3 |
BNK 0810-3
Model No. |
Stroke |
Lead |
Basic load rating |
|
| Dynamic | Static | |||
| rating | rating | |||
| Ca | C0a | |||
| mm | mm | kN | kN | |
| BNK 0810-3GT+205LC5Y | 100 | 10 | 2.16 | 3.82 |
| BNK 0810-3G2+205LC7Y | 100 | 10 | 2.16 | 3.82 |
| BNK 0810-3GT+255LC5Y | 150 | 10 | 2.16 | 3.82 |
| BNK 0810-3G2+255LC7Y | 150 | 10 | 2.16 | 3.82 |
| BNK 0810-3GT+305LC5Y | 200 | 10 | 2.16 | 3.82 |
| BNK 0810-3G2+305LC7Y | 200 | 10 | 2.16 | 3.82 |
| BNK 0810-3GT+355LC5Y | 250 | 10 | 2.16 | 3.82 |
| BNK 0810-3G2+355LC7Y | 250 | 10 | 2.16 | 3.82 |
| BNK 0810-3GT+405LC5Y | 300 | 10 | 2.16 | 3.82 |
| BNK 0810-3G2+405LC7Y | 300 | 10 | 2.16 | 3.82 |
BNK 1002-3
Model No. |
Stroke |
Lead |
Basic load rating |
|
| Dynamic | Static | |||
| rating | rating | |||
| Ca | C0a | |||
| mm | mm | kN | kN | |
| BNK 1002-3RRG0+143LC3Y | 50 | 2 | 1.5 | 2.9 |
| BNK 1002-3RRG0+143LC5Y | 50 | 2 | 1.5 | 2.9 |
| BNK 1002-3RRG2+143LC7Y | 50 | 2 | 1.5 | 2.9 |
| BNK 1002-3RRG0+193LC3Y | 100 | 2 | 1.5 | 2.9 |
| BNK 1002-3RRG0+193LC5Y | 100 | 2 | 1.5 | 2.9 |
| BNK 1002-3RRG2+193LC7Y | 100 | 2 | 1.5 | 2.9 |
| BNK 1002-3RRG0+243LC3Y | 150 | 2 | 1.5 | 2.9 |
| BNK 1002-3RRG0+243LC5Y | 150 | 2 | 1.5 | 2.9 |
| BNK 1002-3RRG2+243LC7Y | 150 | 2 | 1.5 | 2.9 |
| BNK 1002-3RRG0+293LC3Y | 200 | 2 | 1.5 | 2.9 |
| BNK 1002-3RRG0+293LC5Y | 200 | 2 | 1.5 | 2.9 |
| BNK 1002-3RRG2+293LC7Y | 200 | 2 | 1.5 | 2.9 |
BNK 1004-2.5
Model No. |
Stroke |
Lead |
Basic load rating |
|
| Dynamic | Static | |||
| rating | rating | |||
| Ca | C0a | |||
| mm | mm | kN | kN | |
| BNK 1004-2.5RRG0+180LC3Y | 50 | 4 | 2.1 | 2.7 |
| BNK 1004-2.5RRG0+180LC5Y | 50 | 4 | 2.1 | 2.7 |
| BNK 1004-2.5RRG2+180LC7Y | 50 | 4 | 3.4 | 5.4 |
| BNK 1004-2.5RRG0+230LC3Y | 100 | 4 | 2.1 | 2.7 |
| BNK 1004-2.5RRG0+230LC5Y | 100 | 4 | 2.1 | 2.7 |
| BNK 1004-2.5RRG2+230LC7Y | 100 | 4 | 3.4 | 5.4 |
| BNK 1004-2.5RRG0+280LC3Y | 150 | 4 | 2.1 | 2.7 |
| BNK 1004-2.5RRG0+280LC5Y | 150 | 4 | 2.1 | 2.7 |
| BNK 1004-2.5RRG2+280LC7Y | 150 | 4 | 3.4 | 5.4 |
| BNK 1004-2.5RRG0+330LC3Y | 200 | 4 | 2.1 | 2.7 |
| BNK 1004-2.5RRG0+330LC5Y | 200 | 4 | 2.1 | 2.7 |
| BNK 1004-2.5RRG2+330LC7Y | 200 | 4 | 3.4 | 5.4 |
| BNK 1004-2.5RRG0+380LC3Y | 250 | 4 | 2.1 | 2.7 |
| BNK 1004-2.5RRG0+380LC5Y | 250 | 4 | 2.1 | 2.7 |
| BNK 1004-2.5RRG2+380LC7Y | 250 | 4 | 3.4 | 5.4 |
BNK 1010-1.5
Model No. |
Stroke |
Lead |
Basic load rating |
|
| Dynamic | Static | |||
| rating | rating | |||
| Ca | C0a | |||
| mm | mm | kN | kN | |
| BNK 1010-1.5RRG0+240LC5Y | 100 | 10 | 1.3 | 1.6 |
| BNK 1010-1.5RRG2+240LC7Y | 100 | 10 | 2.1 | 3.1 |
| BNK 1010-1.5RRG0+290LC5Y | 150 | 10 | 1.3 | 1.6 |
| BNK 1010-1.5RRG2+290LC7Y | 150 | 10 | 2.1 | 3.1 |
| BNK 1010-1.5RRG0+340LC5Y | 200 | 10 | 1.3 | 1.6 |
| BNK 1010-1.5RRG2+340LC7Y | 200 | 10 | 2.1 | 3.1 |
| BNK 1010-1.5RRG0+390LC5Y | 250 | 10 | 1.3 | 1.6 |
| BNK 1010-1.5RRG2+390LC7Y | 250 | 10 | 2.1 | 3.1 |
| BNK 1010-1.5RRG0+440LC5Y | 300 | 10 | 1.3 | 1.6 |
| BNK 1010-1.5RRG2+440LC7Y | 300 | 10 | 2.1 | 3.1 |
BNK 1202-3
Model No. |
Stroke |
Lead |
Basic load rating |
|
| Dynamic | Static | |||
| rating | rating | |||
| Ca | C0a | |||
| mm | mm | kN | kN | |
| BNK 1202-3RRG0+154LC3Y | 50 | 2 | 1.7 | 3.6 |
| BNK 1202-3RRG0+154LC5Y | 50 | 2 | 1.7 | 3.6 |
| BNK 1202-3RRG2+154LC7Y | 50 | 2 | 1.7 | 3.6 |
| BNK 1202-3RRG0+204LC3Y | 100 | 2 | 1.7 | 3.6 |
| BNK 1202-3RRG0+204LC5Y | 100 | 2 | 1.7 | 3.6 |
| BNK 1202-3RRG2+204LC7Y | 100 | 2 | 1.7 | 3.6 |
| BNK 1202-3RRG0+254LC3Y | 150 | 2 | 1.7 | 3.6 |
| BNK 1202-3RRG0+254LC5Y | 150 | 2 | 1.7 | 3.6 |
| BNK 1202-3RRG2+254LC7Y | 150 | 2 | 1.7 | 3.6 |
| BNK 1202-3RRG0+304LC3Y | 200 | 2 | 1.7 | 3.6 |
| BNK 1202-3RRG0+304LC5Y | 200 | 2 | 1.7 | 3.6 |
| BNK 1202-3RRG2+304LC7Y | 200 | 2 | 1.7 | 3.6 |
| BNK 1202-3RRG0+354LC3Y | 250 | 2 | 1.7 | 3.6 |
| BNK 1202-3RRG0+354LC5Y | 250 | 2 | 1.7 | 3.6 |
| BNK 1202-3RRG2+354LC7Y | 250 | 2 | 1.7 | 3.6 |
BNK 1205-2.5
Model No. |
Stroke |
Lead |
Basic load rating |
|
| Dynamic | Static | |||
| rating | rating | |||
| Ca | C0a | |||
| mm | mm | kN | kN | |
| BNK 1205-2.5RRG0+180LC3Y | 50 | 5 | 2.3 | 3.2 |
| BNK 1205-2.5RRG0+180LC5Y | 50 | 5 | 2.3 | 3.2 |
| BNK 1205-2.5RRG2+180LC7Y | 50 | 5 | 3.7 | 6.4 |
| BNK 1205-2.5RRG0+230LC3Y | 100 | 5 | 2.3 | 3.2 |
| BNK 1205-2.5RRG0+230LC5Y | 100 | 5 | 2.3 | 3.2 |
| BNK 1205-2.5RRG2+230LC7Y | 100 | 5 | 3.7 | 6.4 |
| BNK 1205-2.5RRG0+280LC3Y | 150 | 5 | 2.3 | 3.2 |
| BNK 1205-2.5RRG0+280LC5Y | 150 | 5 | 2.3 | 3.2 |
| BNK 1205-2.5RRG2+280LC7Y | 150 | 5 | 3.7 | 6.4 |
| BNK 1205-2.5RRG0+330LC3Y | 200 | 5 | 2.3 | 3.2 |
| BNK 1205-2.5RRG0+330LC5Y | 200 | 5 | 2.3 | 3.2 |
| BNK 1205-2.5RRG2+330LC7Y | 200 | 5 | 3.7 | 6.4 |
| BNK 1205-2.5RRG0+380LC3Y | 250 | 5 | 2.3 | 3.2 |
| BNK 1205-2.5RRG0+380LC5Y | 250 | 5 | 2.3 | 3.2 |
| BNK 1205-2.5RRG2+380LC7Y | 250 | 5 | 3.7 | 6.4 |
BNK 1402-3
Model No. |
Stroke |
Lead |
Basic load rating |
|
| Dynamic | Static | |||
| rating | rating | |||
| Ca | C0a | |||
| mm | mm | kN | kN | |
| BNK 1402-3RRG0+166LC3Y | 50 | 2 | 1.8 | 4.3 |
| BNK 1402-3RRG0+166LC5Y | 50 | 2 | 1.8 | 4.3 |
| BNK 1402-3RRG2+166LC7Y | 50 | 2 | 1.8 | 4.3 |
| BNK 1402-3RRG0+216LC3Y | 100 | 2 | 1.8 | 4.3 |
| BNK 1402-3RRG0+216LC5Y | 100 | 2 | 1.8 | 4.3 |
| BNK 1402-3RRG2+216LC7Y | 100 | 2 | 1.8 | 4.3 |
| BNK 1402-3RRG0+266LC3Y | 150 | 2 | 1.8 | 4.3 |
| BNK 1402-3RRG0+266LC5Y | 150 | 2 | 1.8 | 4.3 |
| BNK 1402-3RRG2+266LC7Y | 150 | 2 | 1.8 | 4.3 |
| BNK 1402-3RRG0+316LC3Y | 200 | 2 | 1.8 | 4.3 |
| BNK 1402-3RRG0+316LC5Y | 200 | 2 | 1.8 | 4.3 |
| BNK 1402-3RRG2+316LC7Y | 200 | 2 | 1.8 | 4.3 |
| BNK 1402-3RRG0+416LC3Y | 300 | 2 | 1.8 | 4.3 |
| BNK 1402-3RRG0+416LC5Y | 300 | 2 | 1.8 | 4.3 |
| BNK 1402-3RRG2+416LC7Y | 300 | 2 | 1.8 | 4.3 |
BNK 1404-3
Model No. |
Stroke |
Lead |
Basic load rating |
|
| Dynamic | Static | |||
| rating | rating | |||
| Ca | C0a | |||
| mm | mm | kN | kN | |
| BNK 1404-3RRG0+230LC3Y | 100 | 4 | 4.2 | 7.6 |
| BNK 1404-3RRG0+230LC5Y | 100 | 4 | 4.2 | 7.6 |
| BNK 1404-3RRG2+230LC7Y | 100 | 4 | 4.2 | 7.6 |
| BNK 1404-3RRG0+280LC3Y | 150 | 4 | 4.2 | 7.6 |
| BNK 1404-3RRG0+280LC5Y | 150 | 4 | 4.2 | 7.6 |
| BNK 1404-3RRG2+280LC7Y | 150 | 4 | 4.2 | 7.6 |
| BNK 1404-3RRG0+330LC3Y | 200 | 4 | 4.2 | 7.6 |
| BNK 1404-3RRG0+330LC5Y | 200 | 4 | 4.2 | 7.6 |
| BNK 1404-3RRG2+330LC7Y | 200 | 4 | 4.2 | 7.6 |
| BNK 1404-3RRG0+430LC3Y | 300 | 4 | 4.2 | 7.6 |
| BNK 1404-3RRG0+430LC5Y | 300 | 4 | 4.2 | 7.6 |
| BNK 1404-3RRG2+430LC7Y | 300 | 4 | 4.2 | 7.6 |
| BNK 1404-3RRG0+530LC3Y | 400 | 4 | 4.2 | 7.6 |
| BNK 1404-3RRG0+530LC5Y | 400 | 4 | 4.2 | 7.6 |
| BNK 1404-3RRG2+530LC7Y | 400 | 4 | 4.2 | 7.6 |
BNK 1408-2.5
Model No. |
Stroke |
Lead |
Basic load rating |
|
| Dynamic | Static | |||
| rating | rating | |||
| Ca | C0a | |||
| mm | mm | kN | kN | |
| BNK 1408-2.5RRG0+321LC5Y | 150 | 8 | 4.3 | 5.8 |
| BNK 1408-2.5RRG2+321LC7Y | 150 | 8 | 6.9 | 11.5 |
| BNK 1408-2.5RRG0+371LC5Y | 200 | 8 | 4.3 | 5.8 |
| BNK 1408-2.5RRG2+371LC7Y | 200 | 8 | 6.9 | 11.5 |
| BNK 1408-2.5RRG0+421LC5Y | 250 | 8 | 4.3 | 5.8 |
| BNK 1408-2.5RRG2+421LC7Y | 250 | 8 | 6.9 | 11.5 |
| BNK 1408-2.5RRG0+471LC5Y | 300 | 8 | 4.3 | 5.8 |
| BNK 1408-2.5RRG2+471LC7Y | 300 | 8 | 6.9 | 11.5 |
| BNK 1408-2.5RRG0+521LC5Y | 350 | 8 | 4.3 | 5.8 |
| BNK 1408-2.5RRG2+521LC7Y | 350 | 8 | 6.9 | 11.5 |
| BNK 1408-2.5RRG0+571LC5Y | 400 | 8 | 4.3 | 5.8 |
| BNK 1408-2.5RRG2+571LC7Y | 400 | 8 | 6.9 | 11.5 |
| BNK 1408-2.5RRG0+621LC5Y | 450 | 8 | 4.3 | 5.8 |
| BNK 1408-2.5RRG2+621LC7Y | 450 | 8 | 6.9 | 11.5 |
| BNK 1408-2.5RRG0+671LC5Y | 500 | 8 | 4.3 | 5.8 |
| BNK 1408-2.5RRG2+671LC7Y | 500 | 8 | 6.9 | 11.5 |
| BNK 1408-2.5RRG0+721LC5Y | 550 | 8 | 4.3 | 5.8 |
| BNK 1408-2.5RRG2+721LC7Y | 550 | 8 | 6.9 | 11.5 |
| BNK 1408-2.5RRG0+771LC5Y | 600 | 8 | 4.3 | 5.8 |
| BNK 1408-2.5RRG2+771LC7Y | 600 | 8 | 6.9 | 11.5 |
| BNK 1408-2.5RRG0+871LC5Y | 700 | 8 | 4.3 | 5.8 |
| BNK 1408-2.5RRG2+871LC7Y | 700 | 8 | 6.9 | 11.5 |
BNK 1510-5.6
Model No. |
Stroke |
Lead |
Basic load rating |
|
| Dynamic | Static | |||
| rating | rating | |||
| Ca | C0a | |||
| mm | mm | kN | kN | |
| BNK 1510-5.6G0+321LC5Y | 150 | 10 | 9 | 13.9 |
| BNK 1510-5.6G2+321LC7Y | 150 | 10 | 14.3 | 27.9 |
| BNK 1510-5.6G0+371LC5Y | 200 | 10 | 9 | 13.9 |
| BNK 1510-5.6G2+371LC7Y | 200 | 10 | 14.3 | 27.9 |
| BNK 1510-5.6G0+421LC5Y | 250 | 10 | 9 | 13.9 |
| BNK 1510-5.6G2+421LC7Y | 250 | 10 | 14.3 | 27.9 |
| BNK 1510-5.6G0+471LC5Y | 300 | 10 | 9 | 13.9 |
| BNK 1510-5.6G2+471LC7Y | 300 | 10 | 14.3 | 27.9 |
| BNK 1510-5.6G0+521LC5Y | 350 | 10 | 9 | 13.9 |
| BNK 1510-5.6G2+521LC7Y | 350 | 10 | 14.3 | 27.9 |
| BNK 1510-5.6G0+571LC5Y | 400 | 10 | 9 | 13.9 |
| BNK 1510-5.6G2+571LC7Y | 400 | 10 | 14.3 | 27.9 |
| BNK 1510-5.6G0+621LC5Y | 450 | 10 | 9 | 13.9 |
| BNK 1510-5.6G2+621LC7Y | 450 | 10 | 14.3 | 27.9 |
| BNK 1510-5.6G0+671LC5Y | 500 | 10 | 9 | 13.9 |
| BNK 1510-5.6G2+671LC7Y | 500 | 10 | 14.3 | 27.9 |
| BNK 1510-5.6G0+721LC5Y | 550 | 10 | 9 | 13.9 |
| BNK 1510-5.6G2+721LC7Y | 550 | 10 | 14.3 | 27.9 |
| BNK 1510-5.6G0+771LC5Y | 600 | 10 | 9 | 13.9 |
| BNK 1510-5.6G2+771LC7Y | 600 | 10 | 14.3 | 27.9 |
| BNK 1510-5.6G0+871LC5Y | 700 | 10 | 9 | 13.9 |
| BNK 1510-5.6G2+871LC7Y | 700 | 10 | 14.3 | 27.9 |
| BNK 1510-5.6G0+971LC5Y | 800 | 10 | 9 | 13.9 |
| BNK 1510-5.6G2+971LC7Y | 800 | 10 | 14.3 | 27.9 |
BNK 1520-3
Model No. |
Stroke |
Lead |
Basic load rating |
|
| Dynamic | Static | |||
| rating | rating | |||
| Ca | C0a | |||
| mm | mm | kN | kN | |
| BNK 1520-3G0+321LC5Y | 150 | 20 | 5.1 | 7.9 |
| BNK 1520-3G2+321LC7Y | 150 | 20 | 8 | 15.8 |
| BNK 1520-3G0+371LC5Y | 200 | 20 | 5.1 | 7.9 |
| BNK 1520-3G2+371LC7Y | 200 | 20 | 8 | 15.8 |
| BNK 1520-3G0+421LC5Y | 250 | 20 | 5.1 | 7.9 |
| BNK 1520-3G2+421LC7Y | 250 | 20 | 8 | 15.8 |
| BNK 1520-3G0+471LC5Y | 300 | 20 | 5.1 | 7.9 |
| BNK 1520-3G2+471LC7Y | 300 | 20 | 8 | 15.8 |
| BNK 1520-3G0+521LC5Y | 350 | 20 | 5.1 | 7.9 |
| BNK 1520-3G2+521LC7Y | 350 | 20 | 8 | 15.8 |
| BNK 1520-3G0+571LC5Y | 400 | 20 | 5.1 | 7.9 |
| BNK 1520-3G2+571LC7Y | 400 | 20 | 8 | 15.8 |
| BNK 1520-3G0+621LC5Y | 450 | 20 | 5.1 | 7.9 |
| BNK 1520-3G2+621LC7Y | 450 | 20 | 8 | 15.8 |
| BNK 1520-3G0+671LC5Y | 500 | 20 | 5.1 | 7.9 |
| BNK 1520-3G2+671LC7Y | 500 | 20 | 8 | 15.8 |
| BNK 1520-3G0+721LC5Y | 550 | 20 | 5.1 | 7.9 |
| BNK 1520-3G2+721LC7Y | 550 | 20 | 8 | 15.8 |
| BNK 1520-3G0+771LC5Y | 600 | 20 | 5.1 | 7.9 |
| BNK 1520-3G2+771LC7Y | 600 | 20 | 8 | 15.8 |
| BNK 1520-3G0+871LC5Y | 700 | 20 | 5.1 | 7.9 |
| BNK 1520-3G2+871LC7Y | 700 | 20 | 8 | 15.8 |
| BNK 1520-3G0+971LC5Y | 800 | 20 | 5.1 | 7.9 |
| BNK 1520-3G2+971LC7Y | 800 | 20 | 8 | 15.8 |
BNK 1616-3.6
Model No. |
Stroke |
Lead |
Basic load rating |
|
| Dynamic | Static | |||
| rating | rating | |||
| Ca | C0a | |||
| mm | mm | kN | kN | |
| BNK 1616-3.6G0+321LC5Y | 150 | 16 | 4.4 | 7.2 |
| BNK 1616-3.6G2+321LC7Y | 150 | 16 | 7.1 | 14.3 |
| BNK 1616-3.6G0+371LC5Y | 200 | 16 | 4.4 | 7.2 |
| BNK 1616-3.6G2+371LC7Y | 200 | 16 | 7.1 | 14.3 |
| BNK 1616-3.6G0+421LC5Y | 250 | 16 | 4.4 | 7.2 |
| BNK 1616-3.6G2+421LC7Y | 250 | 16 | 7.1 | 14.3 |
| BNK 1616-3.6G0+471LC5Y | 300 | 16 | 4.4 | 7.2 |
| BNK 1616-3.6G2+471LC7Y | 300 | 16 | 7.1 | 14.3 |
| BNK 1616-3.6G0+521LC5Y | 350 | 16 | 4.4 | 7.2 |
| BNK 1616-3.6G2+521LC7Y | 350 | 16 | 7.1 | 14.3 |
| BNK 1616-3.6G0+571LC5Y | 400 | 16 | 4.4 | 7.2 |
| BNK 1616-3.6G2+571LC7Y | 400 | 16 | 7.1 | 14.3 |
| BNK 1616-3.6G0+621LC5Y | 450 | 16 | 4.4 | 7.2 |
| BNK 1616-3.6G2+621LC7Y | 450 | 16 | 7.1 | 14.3 |
| BNK 1616-3.6G0+671LC5Y | 500 | 16 | 4.4 | 7.2 |
| BNK 1616-3.6G2+671LC7Y | 500 | 16 | 7.1 | 14.3 |
| BNK 1616-3.6G0+721LC5Y | 550 | 16 | 4.4 | 7.2 |
| BNK 1616-3.6G2+721LC7Y | 550 | 16 | 7.1 | 14.3 |
| BNK 1616-3.6G0+771LC5Y | 600 | 16 | 4.4 | 7.2 |
| BNK 1616-3.6G2+771LC7Y | 600 | 16 | 7.1 | 14.3 |
| BNK 1616-3.6G0+871LC5Y | 700 | 16 | 4.4 | 7.2 |
| BNK 1616-3.6G2+871LC7Y | 700 | 16 | 7.1 | 14.3 |
| BNK 1616-3.6G0+971LC5Y | 800 | 16 | 4.4 | 7.2 |
| BNK 1616-3.6G2+971LC7Y | 800 | 16 | 7.1 | 14.3 |
BNK 2010-2.5
Model No. |
Stroke |
Lead |
Basic load rating |
|
| Dynamic | Static | |||
| rating | rating | |||
| Ca | C0a | |||
| mm | mm | kN | kN | |
| BNK 2010-2.5RRG0+499LC5Y | 300 | 10 | 7 | 11 |
| BNK 2010-2.5RRG2+499LC7Y | 300 | 10 | 11.1 | 22 |
| BNK 2010-2.5RRG0+599LC5Y | 400 | 10 | 7 | 11 |
| BNK 2010-2.5RRG2+599LC7Y | 400 | 10 | 11.1 | 22 |
| BNK 2010-2.5RRG0+699LC5Y | 500 | 10 | 7 | 11 |
| BNK 2010-2.5RRG2+699LC7Y | 500 | 10 | 11.1 | 22 |
| BNK 2010-2.5RRG0+799LC5Y | 600 | 10 | 7 | 11 |
| BNK 2010-2.5RRG2+799LC7Y | 600 | 10 | 11.1 | 22 |
| BNK 2010-2.5RRG0+899LC5Y | 700 | 10 | 7 | 11 |
| BNK 2010-2.5RRG2+899LC7Y | 700 | 10 | 11.1 | 22 |
| BNK 2010-2.5RRG0+999LC5Y | 800 | 10 | 7 | 11 |
| BNK 2010-2.5RRG2+999LC7Y | 800 | 10 | 11.1 | 22 |
| BNK 2010-2.5RRG0+1099LC5Y | 900 | 10 | 7 | 11 |
| BNK 2010-2.5RRG2+1099LC7Y | 900 | 10 | 11.1 | 22 |
| BNK 2010-2.5RRG0+1199LC5Y | 1000 | 10 | 7 | 11 |
| BNK 2010-2.5RRG2+1199LC7Y | 1000 | 10 | 11.1 | 22 |
| BNK 2010-2.5RRG0+1299LC5Y | 1100 | 10 | 7 | 11 |
| BNK 2010-2.5RRG2+1299LC7Y | 1100 | 10 | 11.1 | 22 |
BNK 2020-3.6
Model No. |
Stroke |
Lead |
Basic load rating |
|
| Dynamic | Static | |||
| rating | rating | |||
| Ca | C0a | |||
| mm | mm | kN | kN | |
| BNK 2020-3.6G0+520LC5Y | 300 | 20 | 7 | 12.3 |
| BNK 2020-3.6G2+520LC7Y | 300 | 20 | 11.1 | 24.7 |
| BNK 2020-3.6G0+620LC5Y | 400 | 20 | 7 | 12.3 |
| BNK 2020-3.6G2+620LC7Y | 400 | 20 | 11.1 | 24.7 |
| BNK 2020-3.6G0+720LC5Y | 500 | 20 | 7 | 12.3 |
| BNK 2020-3.6G2+720LC7Y | 500 | 20 | 11.1 | 24.7 |
| BNK 2020-3.6G0+820LC5Y | 600 | 20 | 7 | 12.3 |
| BNK 2020-3.6G2+820LC7Y | 600 | 20 | 11.1 | 24.7 |
| BNK 2020-3.6G0+920LC5Y | 700 | 20 | 7 | 12.3 |
| BNK 2020-3.6G2+920LC7Y | 700 | 20 | 11.1 | 24.7 |
| BNK 2020-3.6G0+1020LC5Y | 800 | 20 | 7 | 12.3 |
| BNK 2020-3.6G2+1020LC7Y | 800 | 20 | 11.1 | 24.7 |
| BNK 2020-3.6G0+1120LC5Y | 900 | 20 | 7 | 12.3 |
| BNK 2020-3.6G2+1120LC7Y | 900 | 20 | 11.1 | 24.7 |
| BNK 2020-3.6G0+1220LC5Y | 1000 | 20 | 7 | 12.3 |
| BNK 2020-3.6G2+1220LC7Y | 1000 | 20 | 11.1 | 24.7 |
| BNK 2020-3.6G0+1320LC5Y | 1100 | 20 | 7 | 12.3 |
| BNK 2020-3.6G2+1320LC7Y | 1100 | 20 | 11.1 | 24.7 |
BNK 2520-3.6
Model No. |
Stroke |
Lead |
Basic load rating |
|
| Dynamic | Static | |||
| rating | rating | |||
| Ca | C0a | |||
| mm | mm | kN | kN | |
| BNK 2520-3.6G0+751LC5Y | 500 | 20 | 10.5 | 19 |
| BNK 2520-3.6G2+751LC7Y | 500 | 20 | 16.7 | 38 |
| BNK 2520-3.6G0+851LC5Y | 600 | 20 | 10.5 | 19 |
| BNK 2520-3.6G2+851LC7Y | 600 | 20 | 16.7 | 38 |
| BNK 2520-3.6G0+1051LC5Y | 800 | 20 | 10.5 | 19 |
| BNK 2520-3.6G2+1051LC7Y | 800 | 20 | 16.7 | 38 |
| BNK 2520-3.6G0+1251LC5Y | 1000 | 20 | 10.5 | 19 |
| BNK 2520-3.6G2+1251LC7Y | 1000 | 20 | 16.7 | 38 |
| BNK 2520-3.6G0+1451LC5Y | 1200 | 20 | 10.5 | 19 |
| BNK 2520-3.6G2+1451LC7Y | 1200 | 20 | 16.7 | 38 |
| BNK 2520-3.6G0+1651LC5Y | 1400 | 20 | 10.5 | 19 |
| BNK 2520-3.6G2+1651LC7Y | 1400 | 20 | 16.7 | 38 |
| BNK 2520-3.6G0+1851LC5Y | 1600 | 20 | 10.5 | 19 |
| BNK 2520-3.6G2+1851LC7Y | 1600 | 20 | 16.7 | 38 |
BNK0401-3
Model No. |
Stroke |
Lead |
Basic load rating |
|
| Dynamic | Static | |||
| rating | rating | |||
| Ca | C0a | |||
| mm | mm | kN | kN | |
| BNK 0401-3G0+77LC3Y | 20 | 1 | 0.29 | 0.42 |
| BNK 0401-3G0+77LC5Y | 20 | 1 | 0.29 | 0.42 |
| BNK 0401-3G2+77LC7Y | 20 | 1 | 0.29 | 0.42 |
| BNK 0401-3G0+97LC3Y | 40 | 1 | 0.29 | 0.42 |
| BNK 0401-3G0+97LC5Y | 40 | 1 | 0.29 | 0.42 |
| BNK 0401-3G2+97LC7Y | 40 | 1 | 0.29 | 0.42 |
| BNK 0401-3G0+127LC3Y | 70 | 1 | 0.29 | 0.42 |
| BNK 0401-3G0+127LC5Y | 70 | 1 | 0.29 | 0.42 |
| BNK 0401-3G2+127LC7Y | 70 | 1 | 0.29 | 0.42 |
BNK 0501-3
Model No. |
Stroke |
Lead |
Basic load rating |
|
| Dynamic | Static | |||
| rating | rating | |||
| Ca | C0a | |||
| mm | mm | kN | kN | |
| BNK 0501-3G0+77LC3Y | 20 | 1 | 0.32 | 0.55 |
| BNK 0501-3G0+77LC5Y | 20 | 1 | 0.32 | 0.55 |
| BNK 0501-3G2+77LC7Y | 20 | 1 | 0.32 | 0.55 |
| BNK 0501-3G0+97LC3Y | 40 | 1 | 0.32 | 0.55 |
| BNK 0501-3G0+97LC5Y | 40 | 1 | 0.32 | 0.55 |
| BNK 0501-3G2+97LC7Y | 40 | 1 | 0.32 | 0.55 |
| BNK 0501-3G0+127LC3Y | 70 | 1 | 0.32 | 0.55 |
| BNK 0501-3G0+127LC5Y | 70 | 1 | 0.32 | 0.55 |
| BNK 0501-3G2+127LC7Y | 70 | 1 | 0.32 | 0.55 |
BNK 0601-3
Model No. |
Stroke |
Lead |
Basic load rating |
|
| Dynamic | Static | |||
| rating | rating | |||
| Ca | C0a | |||
| mm | mm | kN | kN | |
| BNK 0601-3G0+100LC3Y | 40 | 1 | 0.54 | 0.94 |
| BNK 0601-3G0+100LC5Y | 40 | 1 | 0.54 | 0.94 |
| BNK 0601-3G2+100LC7Y | 40 | 1 | 0.54 | 0.94 |
| BNK 0601-3G0+130LC3Y | 70 | 1 | 0.54 | 0.94 |
| BNK 0601-3G0+130LC5Y | 70 | 1 | 0.54 | 0.94 |
| BNK 0601-3G2+130LC7Y | 70 | 1 | 0.54 | 0.94 |
| BNK 0601-3G0+160LC3Y | 100 | 1 | 0.54 | 0.94 |
| BNK 0601-3G0+160LC5Y | 100 | 1 | 0.54 | 0.94 |
| BNK 0601-3G2+160LC7Y | 100 | 1 | 0.54 | 0.94 |
BNK 0801-3
Model No. |
Stroke |
Lead |
Basic load rating |
|
| Dynamic | Static | |||
| rating | rating | |||
| Ca | C0a | |||
| mm | mm | kN | kN | |
| BNK 0801-3G0+115LC3Y | 40 | 1 | 0.64 | 1.4 |
| BNK 0801-3G0+115LC5Y | 40 | 1 | 0.64 | 1.4 |
| BNK 0801-3G2+115LC7Y | 40 | 1 | 0.64 | 1.4 |
| BNK 0801-3G0+145LC3Y | 70 | 1 | 0.64 | 1.4 |
| BNK 0801-3G0+145LC5Y | 70 | 1 | 0.64 | 1.4 |
| BNK 0801-3G2+145LC7Y | 70 | 1 | 0.64 | 1.4 |
| BNK 0801-3G0+175LC3Y | 100 | 1 | 0.64 | 1.4 |
| BNK 0801-3G0+175LC5Y | 100 | 1 | 0.64 | 1.4 |
| BNK 0801-3G2+175LC7Y | 100 | 1 | 0.64 | 1.4 |
| BNK 0801-3G0+225LC3Y | 150 | 1 | 0.64 | 1.4 |
| BNK 0801-3G0+225LC5Y | 150 | 1 | 0.64 | 1.4 |
| BNK 0801-3G2+225LC7Y | 150 | 1 | 0.64 | 1.4 |
BNK 0802-3
Model No. |
Stroke |
Lead |
Basic load rating |
|
| Dynamic | Static | |||
| rating | rating | |||
| Ca | C0a | |||
| mm | mm | kN | kN | |
| BNK 0802-3RRG0+125LC3Y | 40 | 2 | 1.4 | 2.3 |
| BNK 0802-3RRG0+125LC5Y | 40 | 2 | 1.4 | 2.3 |
| BNK 0802-3RRG2+125LC7Y | 40 | 2 | 1.4 | 2.3 |
| BNK 0802-3RRG0+155LC3Y | 70 | 2 | 1.4 | 2.3 |
| BNK 0802-3RRG0+155LC5Y | 70 | 2 | 1.4 | 2.3 |
| BNK 0802-3RRG2+155LC7Y | 70 | 2 | 1.4 | 2.3 |
| BNK 0802-3RRG0+185LC3Y | 100 | 2 | 1.4 | 2.3 |
| BNK 0802-3RRG0+185LC5Y | 100 | 2 | 1.4 | 2.3 |
| BNK 0802-3RRG2+185LC7Y | 100 | 2 | 1.4 | 2.3 |
| BNK 0802-3RRG0+235LC3Y | 150 | 2 | 1.4 | 2.3 |
| BNK 0802-3RRG0+235LC5Y | 150 | 2 | 1.4 | 2.3 |
| BNK 0802-3RRG2+235LC7Y | 150 | 2 | 1.4 | 2.3 |
BNK 0810-3
Model No. |
Stroke |
Lead |
Basic load rating |
|
| Dynamic | Static | |||
| rating | rating | |||
| Ca | C0a | |||
| mm | mm | kN | kN | |
| BNK 0810-3GT+205LC5Y | 100 | 10 | 2.16 | 3.82 |
| BNK 0810-3G2+205LC7Y | 100 | 10 | 2.16 | 3.82 |
| BNK 0810-3GT+255LC5Y | 150 | 10 | 2.16 | 3.82 |
| BNK 0810-3G2+255LC7Y | 150 | 10 | 2.16 | 3.82 |
| BNK 0810-3GT+305LC5Y | 200 | 10 | 2.16 | 3.82 |
| BNK 0810-3G2+305LC7Y | 200 | 10 | 2.16 | 3.82 |
| BNK 0810-3GT+355LC5Y | 250 | 10 | 2.16 | 3.82 |
| BNK 0810-3G2+355LC7Y | 250 | 10 | 2.16 | 3.82 |
| BNK 0810-3GT+405LC5Y | 300 | 10 | 2.16 | 3.82 |
| BNK 0810-3G2+405LC7Y | 300 | 10 | 2.16 | 3.82 |
BNK 1002-3
Model No. |
Stroke |
Lead |
Basic load rating |
|
| Dynamic | Static | |||
| rating | rating | |||
| Ca | C0a | |||
| mm | mm | kN | kN | |
| BNK 1002-3RRG0+143LC3Y | 50 | 2 | 1.5 | 2.9 |
| BNK 1002-3RRG0+143LC5Y | 50 | 2 | 1.5 | 2.9 |
| BNK 1002-3RRG2+143LC7Y | 50 | 2 | 1.5 | 2.9 |
| BNK 1002-3RRG0+193LC3Y | 100 | 2 | 1.5 | 2.9 |
| BNK 1002-3RRG0+193LC5Y | 100 | 2 | 1.5 | 2.9 |
| BNK 1002-3RRG2+193LC7Y | 100 | 2 | 1.5 | 2.9 |
| BNK 1002-3RRG0+243LC3Y | 150 | 2 | 1.5 | 2.9 |
| BNK 1002-3RRG0+243LC5Y | 150 | 2 | 1.5 | 2.9 |
| BNK 1002-3RRG2+243LC7Y | 150 | 2 | 1.5 | 2.9 |
| BNK 1002-3RRG0+293LC3Y | 200 | 2 | 1.5 | 2.9 |
| BNK 1002-3RRG0+293LC5Y | 200 | 2 | 1.5 | 2.9 |
| BNK 1002-3RRG2+293LC7Y | 200 | 2 | 1.5 | 2.9 |
BNK 1004-2.5
Model No. |
Stroke |
Lead |
Basic load rating |
|
| Dynamic | Static | |||
| rating | rating | |||
| Ca | C0a | |||
| mm | mm | kN | kN | |
| BNK 1004-2.5RRG0+180LC3Y | 50 | 4 | 2.1 | 2.7 |
| BNK 1004-2.5RRG0+180LC5Y | 50 | 4 | 2.1 | 2.7 |
| BNK 1004-2.5RRG2+180LC7Y | 50 | 4 | 3.4 | 5.4 |
| BNK 1004-2.5RRG0+230LC3Y | 100 | 4 | 2.1 | 2.7 |
| BNK 1004-2.5RRG0+230LC5Y | 100 | 4 | 2.1 | 2.7 |
| BNK 1004-2.5RRG2+230LC7Y | 100 | 4 | 3.4 | 5.4 |
| BNK 1004-2.5RRG0+280LC3Y | 150 | 4 | 2.1 | 2.7 |
| BNK 1004-2.5RRG0+280LC5Y | 150 | 4 | 2.1 | 2.7 |
| BNK 1004-2.5RRG2+280LC7Y | 150 | 4 | 3.4 | 5.4 |
| BNK 1004-2.5RRG0+330LC3Y | 200 | 4 | 2.1 | 2.7 |
| BNK 1004-2.5RRG0+330LC5Y | 200 | 4 | 2.1 | 2.7 |
| BNK 1004-2.5RRG2+330LC7Y | 200 | 4 | 3.4 | 5.4 |
| BNK 1004-2.5RRG0+380LC3Y | 250 | 4 | 2.1 | 2.7 |
| BNK 1004-2.5RRG0+380LC5Y | 250 | 4 | 2.1 | 2.7 |
| BNK 1004-2.5RRG2+380LC7Y | 250 | 4 | 3.4 | 5.4 |
BNK 1010-1.5
Model No. |
Stroke |
Lead |
Basic load rating |
|
| Dynamic | Static | |||
| rating | rating | |||
| Ca | C0a | |||
| mm | mm | kN | kN | |
| BNK 1010-1.5RRG0+240LC5Y | 100 | 10 | 1.3 | 1.6 |
| BNK 1010-1.5RRG2+240LC7Y | 100 | 10 | 2.1 | 3.1 |
| BNK 1010-1.5RRG0+290LC5Y | 150 | 10 | 1.3 | 1.6 |
| BNK 1010-1.5RRG2+290LC7Y | 150 | 10 | 2.1 | 3.1 |
| BNK 1010-1.5RRG0+340LC5Y | 200 | 10 | 1.3 | 1.6 |
| BNK 1010-1.5RRG2+340LC7Y | 200 | 10 | 2.1 | 3.1 |
| BNK 1010-1.5RRG0+390LC5Y | 250 | 10 | 1.3 | 1.6 |
| BNK 1010-1.5RRG2+390LC7Y | 250 | 10 | 2.1 | 3.1 |
| BNK 1010-1.5RRG0+440LC5Y | 300 | 10 | 1.3 | 1.6 |
| BNK 1010-1.5RRG2+440LC7Y | 300 | 10 | 2.1 | 3.1 |
BNK 1202-3
Model No. |
Stroke |
Lead |
Basic load rating |
|
| Dynamic | Static | |||
| rating | rating | |||
| Ca | C0a | |||
| mm | mm | kN | kN | |
| BNK 1202-3RRG0+154LC3Y | 50 | 2 | 1.7 | 3.6 |
| BNK 1202-3RRG0+154LC5Y | 50 | 2 | 1.7 | 3.6 |
| BNK 1202-3RRG2+154LC7Y | 50 | 2 | 1.7 | 3.6 |
| BNK 1202-3RRG0+204LC3Y | 100 | 2 | 1.7 | 3.6 |
| BNK 1202-3RRG0+204LC5Y | 100 | 2 | 1.7 | 3.6 |
| BNK 1202-3RRG2+204LC7Y | 100 | 2 | 1.7 | 3.6 |
| BNK 1202-3RRG0+254LC3Y | 150 | 2 | 1.7 | 3.6 |
| BNK 1202-3RRG0+254LC5Y | 150 | 2 | 1.7 | 3.6 |
| BNK 1202-3RRG2+254LC7Y | 150 | 2 | 1.7 | 3.6 |
| BNK 1202-3RRG0+304LC3Y | 200 | 2 | 1.7 | 3.6 |
| BNK 1202-3RRG0+304LC5Y | 200 | 2 | 1.7 | 3.6 |
| BNK 1202-3RRG2+304LC7Y | 200 | 2 | 1.7 | 3.6 |
| BNK 1202-3RRG0+354LC3Y | 250 | 2 | 1.7 | 3.6 |
| BNK 1202-3RRG0+354LC5Y | 250 | 2 | 1.7 | 3.6 |
| BNK 1202-3RRG2+354LC7Y | 250 | 2 | 1.7 | 3.6 |
BNK 1205-2.5
Model No. |
Stroke |
Lead |
Basic load rating |
|
| Dynamic | Static | |||
| rating | rating | |||
| Ca | C0a | |||
| mm | mm | kN | kN | |
| BNK 1205-2.5RRG0+180LC3Y | 50 | 5 | 2.3 | 3.2 |
| BNK 1205-2.5RRG0+180LC5Y | 50 | 5 | 2.3 | 3.2 |
| BNK 1205-2.5RRG2+180LC7Y | 50 | 5 | 3.7 | 6.4 |
| BNK 1205-2.5RRG0+230LC3Y | 100 | 5 | 2.3 | 3.2 |
| BNK 1205-2.5RRG0+230LC5Y | 100 | 5 | 2.3 | 3.2 |
| BNK 1205-2.5RRG2+230LC7Y | 100 | 5 | 3.7 | 6.4 |
| BNK 1205-2.5RRG0+280LC3Y | 150 | 5 | 2.3 | 3.2 |
| BNK 1205-2.5RRG0+280LC5Y | 150 | 5 | 2.3 | 3.2 |
| BNK 1205-2.5RRG2+280LC7Y | 150 | 5 | 3.7 | 6.4 |
| BNK 1205-2.5RRG0+330LC3Y | 200 | 5 | 2.3 | 3.2 |
| BNK 1205-2.5RRG0+330LC5Y | 200 | 5 | 2.3 | 3.2 |
| BNK 1205-2.5RRG2+330LC7Y | 200 | 5 | 3.7 | 6.4 |
| BNK 1205-2.5RRG0+380LC3Y | 250 | 5 | 2.3 | 3.2 |
| BNK 1205-2.5RRG0+380LC5Y | 250 | 5 | 2.3 | 3.2 |
| BNK 1205-2.5RRG2+380LC7Y | 250 | 5 | 3.7 | 6.4 |
BNK 1402-3
Model No. |
Stroke |
Lead |
Basic load rating |
|
| Dynamic | Static | |||
| rating | rating | |||
| Ca | C0a | |||
| mm | mm | kN | kN | |
| BNK 1402-3RRG0+166LC3Y | 50 | 2 | 1.8 | 4.3 |
| BNK 1402-3RRG0+166LC5Y | 50 | 2 | 1.8 | 4.3 |
| BNK 1402-3RRG2+166LC7Y | 50 | 2 | 1.8 | 4.3 |
| BNK 1402-3RRG0+216LC3Y | 100 | 2 | 1.8 | 4.3 |
| BNK 1402-3RRG0+216LC5Y | 100 | 2 | 1.8 | 4.3 |
| BNK 1402-3RRG2+216LC7Y | 100 | 2 | 1.8 | 4.3 |
| BNK 1402-3RRG0+266LC3Y | 150 | 2 | 1.8 | 4.3 |
| BNK 1402-3RRG0+266LC5Y | 150 | 2 | 1.8 | 4.3 |
| BNK 1402-3RRG2+266LC7Y | 150 | 2 | 1.8 | 4.3 |
| BNK 1402-3RRG0+316LC3Y | 200 | 2 | 1.8 | 4.3 |
| BNK 1402-3RRG0+316LC5Y | 200 | 2 | 1.8 | 4.3 |
| BNK 1402-3RRG2+316LC7Y | 200 | 2 | 1.8 | 4.3 |
| BNK 1402-3RRG0+416LC3Y | 300 | 2 | 1.8 | 4.3 |
| BNK 1402-3RRG0+416LC5Y | 300 | 2 | 1.8 | 4.3 |
| BNK 1402-3RRG2+416LC7Y | 300 | 2 | 1.8 | 4.3 |
BNK 1404-3
Model No. |
Stroke |
Lead |
Basic load rating |
|
| Dynamic | Static | |||
| rating | rating | |||
| Ca | C0a | |||
| mm | mm | kN | kN | |
| BNK 1404-3RRG0+230LC3Y | 100 | 4 | 4.2 | 7.6 |
| BNK 1404-3RRG0+230LC5Y | 100 | 4 | 4.2 | 7.6 |
| BNK 1404-3RRG2+230LC7Y | 100 | 4 | 4.2 | 7.6 |
| BNK 1404-3RRG0+280LC3Y | 150 | 4 | 4.2 | 7.6 |
| BNK 1404-3RRG0+280LC5Y | 150 | 4 | 4.2 | 7.6 |
| BNK 1404-3RRG2+280LC7Y | 150 | 4 | 4.2 | 7.6 |
| BNK 1404-3RRG0+330LC3Y | 200 | 4 | 4.2 | 7.6 |
| BNK 1404-3RRG0+330LC5Y | 200 | 4 | 4.2 | 7.6 |
| BNK 1404-3RRG2+330LC7Y | 200 | 4 | 4.2 | 7.6 |
| BNK 1404-3RRG0+430LC3Y | 300 | 4 | 4.2 | 7.6 |
| BNK 1404-3RRG0+430LC5Y | 300 | 4 | 4.2 | 7.6 |
| BNK 1404-3RRG2+430LC7Y | 300 | 4 | 4.2 | 7.6 |
| BNK 1404-3RRG0+530LC3Y | 400 | 4 | 4.2 | 7.6 |
| BNK 1404-3RRG0+530LC5Y | 400 | 4 | 4.2 | 7.6 |
| BNK 1404-3RRG2+530LC7Y | 400 | 4 | 4.2 | 7.6 |
BNK 1408-2.5
Model No. |
Stroke |
Lead |
Basic load rating |
|
| Dynamic | Static | |||
| rating | rating | |||
| Ca | C0a | |||
| mm | mm | kN | kN | |
| BNK 1408-2.5RRG0+321LC5Y | 150 | 8 | 4.3 | 5.8 |
| BNK 1408-2.5RRG2+321LC7Y | 150 | 8 | 6.9 | 11.5 |
| BNK 1408-2.5RRG0+371LC5Y | 200 | 8 | 4.3 | 5.8 |
| BNK 1408-2.5RRG2+371LC7Y | 200 | 8 | 6.9 | 11.5 |
| BNK 1408-2.5RRG0+421LC5Y | 250 | 8 | 4.3 | 5.8 |
| BNK 1408-2.5RRG2+421LC7Y | 250 | 8 | 6.9 | 11.5 |
| BNK 1408-2.5RRG0+471LC5Y | 300 | 8 | 4.3 | 5.8 |
| BNK 1408-2.5RRG2+471LC7Y | 300 | 8 | 6.9 | 11.5 |
| BNK 1408-2.5RRG0+521LC5Y | 350 | 8 | 4.3 | 5.8 |
| BNK 1408-2.5RRG2+521LC7Y | 350 | 8 | 6.9 | 11.5 |
| BNK 1408-2.5RRG0+571LC5Y | 400 | 8 | 4.3 | 5.8 |
| BNK 1408-2.5RRG2+571LC7Y | 400 | 8 | 6.9 | 11.5 |
| BNK 1408-2.5RRG0+621LC5Y | 450 | 8 | 4.3 | 5.8 |
| BNK 1408-2.5RRG2+621LC7Y | 450 | 8 | 6.9 | 11.5 |
| BNK 1408-2.5RRG0+671LC5Y | 500 | 8 | 4.3 | 5.8 |
| BNK 1408-2.5RRG2+671LC7Y | 500 | 8 | 6.9 | 11.5 |
| BNK 1408-2.5RRG0+721LC5Y | 550 | 8 | 4.3 | 5.8 |
| BNK 1408-2.5RRG2+721LC7Y | 550 | 8 | 6.9 | 11.5 |
| BNK 1408-2.5RRG0+771LC5Y | 600 | 8 | 4.3 | 5.8 |
| BNK 1408-2.5RRG2+771LC7Y | 600 | 8 | 6.9 | 11.5 |
| BNK 1408-2.5RRG0+871LC5Y | 700 | 8 | 4.3 | 5.8 |
| BNK 1408-2.5RRG2+871LC7Y | 700 | 8 | 6.9 | 11.5 |
BNK 1510-5.6
Model No. |
Stroke |
Lead |
Basic load rating |
|
| Dynamic | Static | |||
| rating | rating | |||
| Ca | C0a | |||
| mm | mm | kN | kN | |
| BNK 1510-5.6G0+321LC5Y | 150 | 10 | 9 | 13.9 |
| BNK 1510-5.6G2+321LC7Y | 150 | 10 | 14.3 | 27.9 |
| BNK 1510-5.6G0+371LC5Y | 200 | 10 | 9 | 13.9 |
| BNK 1510-5.6G2+371LC7Y | 200 | 10 | 14.3 | 27.9 |
| BNK 1510-5.6G0+421LC5Y | 250 | 10 | 9 | 13.9 |
| BNK 1510-5.6G2+421LC7Y | 250 | 10 | 14.3 | 27.9 |
| BNK 1510-5.6G0+471LC5Y | 300 | 10 | 9 | 13.9 |
| BNK 1510-5.6G2+471LC7Y | 300 | 10 | 14.3 | 27.9 |
| BNK 1510-5.6G0+521LC5Y | 350 | 10 | 9 | 13.9 |
| BNK 1510-5.6G2+521LC7Y | 350 | 10 | 14.3 | 27.9 |
| BNK 1510-5.6G0+571LC5Y | 400 | 10 | 9 | 13.9 |
| BNK 1510-5.6G2+571LC7Y | 400 | 10 | 14.3 | 27.9 |
| BNK 1510-5.6G0+621LC5Y | 450 | 10 | 9 | 13.9 |
| BNK 1510-5.6G2+621LC7Y | 450 | 10 | 14.3 | 27.9 |
| BNK 1510-5.6G0+671LC5Y | 500 | 10 | 9 | 13.9 |
| BNK 1510-5.6G2+671LC7Y | 500 | 10 | 14.3 | 27.9 |
| BNK 1510-5.6G0+721LC5Y | 550 | 10 | 9 | 13.9 |
| BNK 1510-5.6G2+721LC7Y | 550 | 10 | 14.3 | 27.9 |
| BNK 1510-5.6G0+771LC5Y | 600 | 10 | 9 | 13.9 |
| BNK 1510-5.6G2+771LC7Y | 600 | 10 | 14.3 | 27.9 |
| BNK 1510-5.6G0+871LC5Y | 700 | 10 | 9 | 13.9 |
| BNK 1510-5.6G2+871LC7Y | 700 | 10 | 14.3 | 27.9 |
| BNK 1510-5.6G0+971LC5Y | 800 | 10 | 9 | 13.9 |
| BNK 1510-5.6G2+971LC7Y | 800 | 10 | 14.3 | 27.9 |
BNK 1520-3
Model No. |
Stroke |
Lead |
Basic load rating |
|
| Dynamic | Static | |||
| rating | rating | |||
| Ca | C0a | |||
| mm | mm | kN | kN | |
| BNK 1520-3G0+321LC5Y | 150 | 20 | 5.1 | 7.9 |
| BNK 1520-3G2+321LC7Y | 150 | 20 | 8 | 15.8 |
| BNK 1520-3G0+371LC5Y | 200 | 20 | 5.1 | 7.9 |
| BNK 1520-3G2+371LC7Y | 200 | 20 | 8 | 15.8 |
| BNK 1520-3G0+421LC5Y | 250 | 20 | 5.1 | 7.9 |
| BNK 1520-3G2+421LC7Y | 250 | 20 | 8 | 15.8 |
| BNK 1520-3G0+471LC5Y | 300 | 20 | 5.1 | 7.9 |
| BNK 1520-3G2+471LC7Y | 300 | 20 | 8 | 15.8 |
| BNK 1520-3G0+521LC5Y | 350 | 20 | 5.1 | 7.9 |
| BNK 1520-3G2+521LC7Y | 350 | 20 | 8 | 15.8 |
| BNK 1520-3G0+571LC5Y | 400 | 20 | 5.1 | 7.9 |
| BNK 1520-3G2+571LC7Y | 400 | 20 | 8 | 15.8 |
| BNK 1520-3G0+621LC5Y | 450 | 20 | 5.1 | 7.9 |
| BNK 1520-3G2+621LC7Y | 450 | 20 | 8 | 15.8 |
| BNK 1520-3G0+671LC5Y | 500 | 20 | 5.1 | 7.9 |
| BNK 1520-3G2+671LC7Y | 500 | 20 | 8 | 15.8 |
| BNK 1520-3G0+721LC5Y | 550 | 20 | 5.1 | 7.9 |
| BNK 1520-3G2+721LC7Y | 550 | 20 | 8 | 15.8 |
| BNK 1520-3G0+771LC5Y | 600 | 20 | 5.1 | 7.9 |
| BNK 1520-3G2+771LC7Y | 600 | 20 | 8 | 15.8 |
| BNK 1520-3G0+871LC5Y | 700 | 20 | 5.1 | 7.9 |
| BNK 1520-3G2+871LC7Y | 700 | 20 | 8 | 15.8 |
| BNK 1520-3G0+971LC5Y | 800 | 20 | 5.1 | 7.9 |
| BNK 1520-3G2+971LC7Y | 800 | 20 | 8 | 15.8 |
BNK 1616-3.6
Model No. |
Stroke |
Lead |
Basic load rating |
|
| Dynamic | Static | |||
| rating | rating | |||
| Ca | C0a | |||
| mm | mm | kN | kN | |
| BNK 1616-3.6G0+321LC5Y | 150 | 16 | 4.4 | 7.2 |
| BNK 1616-3.6G2+321LC7Y | 150 | 16 | 7.1 | 14.3 |
| BNK 1616-3.6G0+371LC5Y | 200 | 16 | 4.4 | 7.2 |
| BNK 1616-3.6G2+371LC7Y | 200 | 16 | 7.1 | 14.3 |
| BNK 1616-3.6G0+421LC5Y | 250 | 16 | 4.4 | 7.2 |
| BNK 1616-3.6G2+421LC7Y | 250 | 16 | 7.1 | 14.3 |
| BNK 1616-3.6G0+471LC5Y | 300 | 16 | 4.4 | 7.2 |
| BNK 1616-3.6G2+471LC7Y | 300 | 16 | 7.1 | 14.3 |
| BNK 1616-3.6G0+521LC5Y | 350 | 16 | 4.4 | 7.2 |
| BNK 1616-3.6G2+521LC7Y | 350 | 16 | 7.1 | 14.3 |
| BNK 1616-3.6G0+571LC5Y | 400 | 16 | 4.4 | 7.2 |
| BNK 1616-3.6G2+571LC7Y | 400 | 16 | 7.1 | 14.3 |
| BNK 1616-3.6G0+621LC5Y | 450 | 16 | 4.4 | 7.2 |
| BNK 1616-3.6G2+621LC7Y | 450 | 16 | 7.1 | 14.3 |
| BNK 1616-3.6G0+671LC5Y | 500 | 16 | 4.4 | 7.2 |
| BNK 1616-3.6G2+671LC7Y | 500 | 16 | 7.1 | 14.3 |
| BNK 1616-3.6G0+721LC5Y | 550 | 16 | 4.4 | 7.2 |
| BNK 1616-3.6G2+721LC7Y | 550 | 16 | 7.1 | 14.3 |
| BNK 1616-3.6G0+771LC5Y | 600 | 16 | 4.4 | 7.2 |
| BNK 1616-3.6G2+771LC7Y | 600 | 16 | 7.1 | 14.3 |
| BNK 1616-3.6G0+871LC5Y | 700 | 16 | 4.4 | 7.2 |
| BNK 1616-3.6G2+871LC7Y | 700 | 16 | 7.1 | 14.3 |
| BNK 1616-3.6G0+971LC5Y | 800 | 16 | 4.4 | 7.2 |
| BNK 1616-3.6G2+971LC7Y | 800 | 16 | 7.1 | 14.3 |
BNK 2010-2.5
Model No. |
Stroke |
Lead |
Basic load rating |
|
| Dynamic | Static | |||
| rating | rating | |||
| Ca | C0a | |||
| mm | mm | kN | kN | |
| BNK 2010-2.5RRG0+499LC5Y | 300 | 10 | 7 | 11 |
| BNK 2010-2.5RRG2+499LC7Y | 300 | 10 | 11.1 | 22 |
| BNK 2010-2.5RRG0+599LC5Y | 400 | 10 | 7 | 11 |
| BNK 2010-2.5RRG2+599LC7Y | 400 | 10 | 11.1 | 22 |
| BNK 2010-2.5RRG0+699LC5Y | 500 | 10 | 7 | 11 |
| BNK 2010-2.5RRG2+699LC7Y | 500 | 10 | 11.1 | 22 |
| BNK 2010-2.5RRG0+799LC5Y | 600 | 10 | 7 | 11 |
| BNK 2010-2.5RRG2+799LC7Y | 600 | 10 | 11.1 | 22 |
| BNK 2010-2.5RRG0+899LC5Y | 700 | 10 | 7 | 11 |
| BNK 2010-2.5RRG2+899LC7Y | 700 | 10 | 11.1 | 22 |
| BNK 2010-2.5RRG0+999LC5Y | 800 | 10 | 7 | 11 |
| BNK 2010-2.5RRG2+999LC7Y | 800 | 10 | 11.1 | 22 |
| BNK 2010-2.5RRG0+1099LC5Y | 900 | 10 | 7 | 11 |
| BNK 2010-2.5RRG2+1099LC7Y | 900 | 10 | 11.1 | 22 |
| BNK 2010-2.5RRG0+1199LC5Y | 1000 | 10 | 7 | 11 |
| BNK 2010-2.5RRG2+1199LC7Y | 1000 | 10 | 11.1 | 22 |
| BNK 2010-2.5RRG0+1299LC5Y | 1100 | 10 | 7 | 11 |
| BNK 2010-2.5RRG2+1299LC7Y | 1100 | 10 | 11.1 | 22 |
BNK 2020-3.6
Model No. |
Stroke |
Lead |
Basic load rating |
|
| Dynamic | Static | |||
| rating | rating | |||
| Ca | C0a | |||
| mm | mm | kN | kN | |
| BNK 2020-3.6G0+520LC5Y | 300 | 20 | 7 | 12.3 |
| BNK 2020-3.6G2+520LC7Y | 300 | 20 | 11.1 | 24.7 |
| BNK 2020-3.6G0+620LC5Y | 400 | 20 | 7 | 12.3 |
| BNK 2020-3.6G2+620LC7Y | 400 | 20 | 11.1 | 24.7 |
| BNK 2020-3.6G0+720LC5Y | 500 | 20 | 7 | 12.3 |
| BNK 2020-3.6G2+720LC7Y | 500 | 20 | 11.1 | 24.7 |
| BNK 2020-3.6G0+820LC5Y | 600 | 20 | 7 | 12.3 |
| BNK 2020-3.6G2+820LC7Y | 600 | 20 | 11.1 | 24.7 |
| BNK 2020-3.6G0+920LC5Y | 700 | 20 | 7 | 12.3 |
| BNK 2020-3.6G2+920LC7Y | 700 | 20 | 11.1 | 24.7 |
| BNK 2020-3.6G0+1020LC5Y | 800 | 20 | 7 | 12.3 |
| BNK 2020-3.6G2+1020LC7Y | 800 | 20 | 11.1 | 24.7 |
| BNK 2020-3.6G0+1120LC5Y | 900 | 20 | 7 | 12.3 |
| BNK 2020-3.6G2+1120LC7Y | 900 | 20 | 11.1 | 24.7 |
| BNK 2020-3.6G0+1220LC5Y | 1000 | 20 | 7 | 12.3 |
| BNK 2020-3.6G2+1220LC7Y | 1000 | 20 | 11.1 | 24.7 |
| BNK 2020-3.6G0+1320LC5Y | 1100 | 20 | 7 | 12.3 |
| BNK 2020-3.6G2+1320LC7Y | 1100 | 20 | 11.1 | 24.7 |
BNK 2520-3.6
Model No. |
Stroke |
Lead |
Basic load rating |
|
| Dynamic | Static | |||
| rating | rating | |||
| Ca | C0a | |||
| mm | mm | kN | kN | |
| BNK 2520-3.6G0+751LC5Y | 500 | 20 | 10.5 | 19 |
| BNK 2520-3.6G2+751LC7Y | 500 | 20 | 16.7 | 38 |
| BNK 2520-3.6G0+851LC5Y | 600 | 20 | 10.5 | 19 |
| BNK 2520-3.6G2+851LC7Y | 600 | 20 | 16.7 | 38 |
| BNK 2520-3.6G0+1051LC5Y | 800 | 20 | 10.5 | 19 |
| BNK 2520-3.6G2+1051LC7Y | 800 | 20 | 16.7 | 38 |
| BNK 2520-3.6G0+1251LC5Y | 1000 | 20 | 10.5 | 19 |
| BNK 2520-3.6G2+1251LC7Y | 1000 | 20 | 16.7 | 38 |
| BNK 2520-3.6G0+1451LC5Y | 1200 | 20 | 10.5 | 19 |
| BNK 2520-3.6G2+1451LC7Y | 1200 | 20 | 16.7 | 38 |
| BNK 2520-3.6G0+1651LC5Y | 1400 | 20 | 10.5 | 19 |
| BNK 2520-3.6G2+1651LC7Y | 1400 | 20 | 16.7 | 38 |
| BNK 2520-3.6G0+1851LC5Y | 1600 | 20 | 10.5 | 19 |
| BNK 2520-3.6G2+1851LC7Y | 1600 | 20 | 16.7 | 38 |
Support Unit
Support Unit
Nut Bracket
Nut Bracket
Lock Nut
Lock Nut
Lock Nut Model RN
| Model No. |
M | m | D | d | L | T |
| mm | mm | mm | mm | mm | mm | |
| RN 4 | M4×0.5 | M2.6 | 11.5 | 8 | 5 | 10 |
| RN 5 | M5×0.5 | M2.6 | 13.5 | 9 | 5 | 11 |
| RN 6 | M6×0.75 | M3 | 14.5 | 10 | 5 | 12 |
| RN 8 | M8×1 | M3 | 17 | 13 | 6.5 | 14 |
| RN 10 | M10×1 | M3 | 20 | 15 | 8 | 16 |
| RN 12 | M12×1 | M3 | 22 | 17 | 8 | 19 |
| RN 15 | M15×1 | M3 | 25 | 21 | 8 | 22 |
| RN 17 | M17×1 | M4 | 30 | 25 | 13 | 24 |
| RN 20 | M20×1 | M4 | 35 | 26 | 11 | 30 |
| RN 25 | M25×1.5 | M5 | 43 | 33 | 15 | 35 |
| RN 30 | M30×1.5 | M6 | 48 | 39 | 20 | 40 |
| RN 35 | M35×1.5 | M8 | 60 | 46 | 21 | 50 |
| RN 40 | M40×1.5 | M8 | 63 | 51 | 25 | 50 |










































